Elements of the concept of a structural and functional approach to the problem of controlling the dynamic states of technical objects under vibration loads
- Authors: Eliseev A.V.1, Mironov A.S.1
-
Affiliations:
- Irkutsk state transport university
- Issue: No 3 (2024)
- Pages: 82-93
- Section: Mathematical, information and intellectual technologies in the energy sector
- URL: https://medbiosci.ru/2413-0133/article/view/275209
- DOI: https://doi.org/10.25729/ESI.2024.35.3.007
- ID: 275209
Cite item
Full Text
Abstract
A systematic approach is being developed to the problem of assessing, forming and correcting the dynamic states of technical objects under vibration loads using embedded structural formations. The methods of theoretical mechanics, oscillation theory, circuit theory, automatic control theory, and system analysis are used. Elements of a structural and functional approach have been developed, which consists in the formation of properties of structural formations of mechanical oscillatory systems capable of performing certain functions within the framework of a common system.
Full Text
Введение. В настоящее время значительный интерес вызывает развитие системных представлений о способах управления динамическими состояниями технических объектов в условиях вибрационных нагружений с помощью структурных образований с заданными свойствами.
В рамках задач оценки, формирования и коррекции динамических состояний существенное внимание обращают на себя элементы виброзащитных систем, вибрационных технологических и транспортных машин.
Демпфирующие устройства, рассматриваемые как средства рассеивания энергии, находят своё применение в широком круге отраслей для снижения вибрации и шума, а также для контроля колебаний технических объектов, находящихся в условиях вибрационных нагружений. Интересны возможности варьирования вязкоупругих свойств за счет начального поджатия в амортизаторах, включающих в свой состав цельнометаллические подушки [1]. Амортизатор с цельнометаллической подушкой может быть рассмотрен как структурное образование, формирующее динамические свойства системы в целом. Ключевым фактором динамических особенностей в условиях вибрационных нагружений являются частоты колебаний элементов системы [2]. Наравне с элементами, свойства которых зависят от частоты, интерес могут представлять элементы, обладающие свойствами независимости от частот внешних возмущений [3]. Другим методом коррекции динамических состояний является использование присоединенных масс [4], к примеру, в качестве динамических гасителей.
Задачи формирования динамических состояний находят своё применение в настройке форм траекторий движений точек рабочих органов вибрационных технологических машин за счет выбора направления возмущающих сил [5]. Необходимость коррекции динамических состояний возникает при работе многокорпусных конструкций, жесткость которых определяется натягом болтовых соединений с учетом неудерживающих связей [6].
Особое значение задач оценки, формирования и коррекции динамических состояний проявляется в решении проблем безопасности технических объектов железнодорожного транспорта, в частности, для оценки структурной усталости железнодорожных рельсов [7], для снижения амплитудных пиков колебаний внутри зданий за счет использования эластичных конструктивных элементов под шпалами [8], для учета свойств композитных [9] и традиционных железобетонных шпал с учетом их взаимного расположения [10].
Проблемы безопасности и обеспечения динамического качества движения железнодорожного состава по рельсовому пути обращают внимание на возможности построения аналитических оценок динамических взаимодействий между шпалами, рельсами и колесом транспортной тележки на основе характеристик эквивалентных жесткостей [11]. В рамках тенденций роста скоростей и масс перевозимых грузов актуальна разработка методов обнаружения вышедших из строя амортизаторов в основной подвеске железнодорожного транспортного средства. В частности, в оценке динамического состояния подвески железнодорожной тележки существенное значение имеет симметрия характеристик амортизаторов и расположения точек, на основе которых производится оценка динамических состояний [12]. Важным примером характерной проблемы, связанной с техническими объектами железнодорожного транспорта в условиях интенсивных нагружений, является нарушение контакта скользящей головки пантографа с контактным проводом [13].
Интересным примером, относящимся и к транспортным объектам, и к вибрационным технологиям, являются вибрационные транспортные средства, которые способны перемещаться в специфических средах. В частности, вибрационные нагружения на элементы механической колебательной системы способны приводить к направленному движению [14].
На основе рассмотренных вариантов технических объектов, работающих в условиях вибрационных нагружений, может быть сформулирована гипотеза, что динамическое состояние технического объекта определяется структурным образованием, реализующим определенную функцию оценки, формирования или коррекции динамического состояния системы.
Вместе с тем, вопросы разработки обобщенных моделей структурных образований в рамках структурно-функционального подхода ещё не получили широкого распространения в моделировании динамических состояний технических объектов.
Статья посвящается вопросам развития структурно-функционального подхода, ориентированного на развитие представлений о связях между структурой объекта и его функцией в механической колебательной системе.
- Основные положения. Расчетной схемой технического объекта служит механическая колебательная система, совершающая вынужденные малые колебания под воздействием внешних возмущений кинематической или силовой природы. Обобщенные координаты системы совершают установившиеся формы колебаний в предположении, что внешние возмущения имеют моногармоническую форму. Установившиеся колебания обобщенных координат происходят на частоте внешних возмущений. Для фиксированной частоты внешних возмущений движения системы представляются конечной совокупностью амплитуд колебаний обобщенных координат.
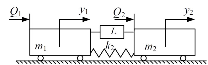
В качестве структурного образования рассматривается диада – система с двумя степенями свободы, включающая в свой состав два массоинерционных элемента, соединенных упругим элементом с учетом возможных дополнительных связей (рис.1), встраиваемых параллельно упругому элементу [15-17].
Рис. 1. Диада. m1, m2 – массоинерционные элементы, k2 – упругий элемент, Q1, Q2 – внешние силовые возмущения, y1, y2 – обобщенные координаты
Динамическое, зависящее от частоты внешнего возмущения, состояние диады определяется двумя амплитудами колебаний обобщенных координат. В общем случае возможны различные варианты диады в зависимости от дополнительных связей, особенности которых определяются учетом сил трения и характеристиками массоинерционных коэффициентов устройств для преобразования движений.
Диада, включенная в механическую колебательную систему, обладает потенциалом оценки, формирования и коррекции динамических состояний включающей системы. Выбор параметров диады может быть реализован таким образом, чтобы диада, рассматриваемая как структурное образование в рамках системы, выполняла определенную функцию.
Задача исследования заключается в разработке методологических основ структурно-функционального подхода, отличающегося тем, что структурному образованию сопоставляется определенная функция в рамках рассматриваемой системы.
- Структурная математическая модель. На основе известных методов расчетной схеме (рис. 1) сопоставляется структурная схема (рис. 2) эквивалентной в динамическом отношении системы автоматического управления [18].
Рис. 2. Структурное образование в виде диады: а) структурная схема; б) структурная схема с исключенной координатой при ; в) – структурная схема с выделением объектом , охваченным контуром обратной связи
Динамические состояния диады могут быть охарактеризованы на основе амплитудно-частотных характеристик передаточных функций системы и передаточных функций межпарциальных связей [19].
Амплитудно-частотные характеристики передаточных функций отображают основные динамические особенности системы в виде частот динамического гашения, обнуляющих амплитуды установившихся колебаний обобщенных координат системы, резонансы и интервалы частот, обеспечивающих синфазные и противофазные формы взаимодействий между парциальными системами и внешними возмущениями (рис. 3). Объединение одиночных воздействий на диаду приводит к формированию сложных динамических состояний в виде режимов динамического гашения, частоты которых зависят от конфигурации внешних воздействий [20].
Рис. 3. Особенности динамических состояний диады: а) амплитудно-частотная характеристики передаточной функции диады без режима динамического гашения колебаний; б) амплитудно-частотная характеристика передаточной функции диады с учетом режима динамического гашения колебаний; в) амплитудно-частотная характеристика передаточной функции межпарциальных связей диады
- Определение характерных точек диады с учетом устройства для преобразования движения. В общем случае диада может включать дополнительные упругие связи, амортизаторы и устройства для преобразования движения, в совокупности рассматриваемые как устройства регулирования динамических состояний [21].
Для диады, совершающей свободные или вынужденные колебания, могут быть определены характерные точки, которые удовлетворяют определенным условиям, в частности, отображают свойства неподвижности в определенной системе координат, или свойства динамической симметрии; характерные точки могут совпадать с центром масс [22].
Способом изменения характерных точек диады является включение звена с передаточной функцией второго дифференцирования Lp2 параллельно упругому элементу (рис. 4). Варьирование параметров способно изменять границы пространственной реализации диады.
Рис. 4. Диада, включающая в состав устройство для преобразования движения L
Изменение массоинерционного коэффициента L устройства для преобразования движения определяет положение неподвижной точки относительно предельных положений массоинерционных элементов диады (рис. 5а), представленных обобщенными координатами с учетом длины упругого элемента [22].
Положение характерной точки диады обладает чувствительностью к изменению коэффициента L, принимающей отрицательные, нулевые и положительные значения в зависимости от массоинерционных элементов диады (рис. 5б).
Рис. 5. Особенности динамических состояний диады в зависимости от массоинерционного параметра L устройства преобразования движения (m1<m2): а) приведение семейства диад к фиксированному положению неподвижной характерной точки; б) график чувствительности положения характерной точки по отношению к параметру L на интервале m1 ∈[0..10], линия (1) m2=1 кг., линия (2) m2=6 кг.
4. Оценка динамических состояний диады на основе энергетических соотношений. Наравне с оценкой динамических состояний с помощью амплитудно-частотных характеристик диады могут быть охарактеризованы с помощью частотных энергетических функций и функций демпфирования [23]. В зависимости от варьирования параметра системы, к примеру, массоинерционного коэффициента устройства преобразования движения L или коэффициента отношения масс диады, с помощью параметризующей функции может быть построена совокупность частотных энергетических функций и функций демпфирования, существенно изменяющихся для различных параметров системы (рис. 6).
Полная совокупность динамических состояний диад в свободных формах движения может быть охарактеризована частотным энергетическими функциями и функциями демпфирования, отображающими особенности учета сил вязкого трения в системе [24]. Частотные энергетические функции, являясь аналогом отношения Рэлея [25], для систем без учета трения отображают условие равенства максимальных значений кинетической и потенциальной энергии, которое позволяет выразить частоту в зависимости от формы колебания элементов механической колебательной системы. Частотная энергетическая функция, рассматриваемая как функция формы колебания системы, в экстремальных точках достигает значений собственных частот, а в критических точках (ноль или бесконечность) – значений парциальных частот.
Особенности частотных энергетических функций позволяют рассматривать собственные колебания, как колебания системы, для которых максимальные значения потенциальной и кинетической энергии равны между собой. В свою очередь, вынужденные колебания системы могут рассматриваться как колебания, для которых максимальные значения потенциальной и кинетической энергии различны. Силы трения могут быть учтены путем рассмотрения модифицированной частотной энергетической функции и функции демпфирования, которые также в экстремальных значениях достигают значений собственных частот и коэффициентов затухания колебаний соответственно.
Рис. 6. Функции для анализа динамических особенностей диады: а – расчетная схема диады; б – параметризующая функция; в – частотная энергетическая функция (вариант 1); г – функция демпфирования (вариант 1); д –частотная энергетическая функция (вариант 2); е – функция демпфирования (вариант 2)
Для анализа энергетических особенностей механическая колебательная система может быть преобразована к системе уравнений относительно рычажных и упругих связей.
- Отображение динамических особенностей диады с помощью упругих и рычажных связей. На основе расчетной схемы диады (рис. 1) с помощью формализма Лагранжа и использования интегрального преобразования Лапласа с учетом нулевых начальных условий может быть построена система линейных уравнений относительно изображений для вариантов кинематических (Табл1, строка 1, столбец I) и силовых возмущений (Табл1, строка 1, столбец II).
Для учета форм колебаний координат системы и связности внешних возмущений могут быть введены коэффициенты α1, β1, γ1, γ2 (табл.1, строка 2) отображающие рычажные связи между обобщенными координатами и силами системы, а также коэффициент β2 (табл.1, строка 2), отображающий динамическую податливость.
В рамках новых обозначений линейные системы в изображениях (табл. 1, строка 1) с учетом системы связей (табл. 1, строка 2) приводятся к системам относительно коэффициентов рычажных связей и коэффициента податливости (табл. 1, строка 3).
Для отображение характерных особенностей рычажных связей, расчетная схема (рис. 1) может быть представлена в эквивалентном в виде с помощью виртуальных рычагов (рис. 7) [26].
В частности, диада с учетом наличия связи с опорными поверхностям в условиях кинематического возмущения может быть представлена в эквивалентном виде (рис. 7а), где связные кинематические возмущения представлены виртуальным рычагом A1B1. Связные кинематические возмущения приводят к движению массоинерционных элементов диады с амплитудами, которые также могут быть представлены с помощью виртуального рычага АВ, обладающим характерной точкой, являющейся неподвижной точкой опоры т.О.
Таблица 1. Аналитические характеристики диады в условиях кинематических и силовых возмущений
| I | II |
1 | ||
2 | , , | , , |
3 | ||
4 | ||
|
Вынужденные движение диады в условиях силовых возмущений аналогично могут быть представлены виртуальным рычагом A2B2 с опорой в т. О2 (рис. 7б).
Рис. 7. Отображение динамических свойств диад с помощью рычажных и упругих связей. а – в условиях кинематических нагружений; б – в условиях силовых нагружений
Представления динамических состояний диад с помощью рычажных связей создает предпосылки для детализированного анализа особенностей энергетических отношений механической колебательной системы.
Разработанная система представлений может быть использована для создания способов и устройств регулирования характеристик вибрационных полей технологических машин на основе учета распределения амплитуд [26-28].
Заключение. Структурные образования имеют существенное значение в формировании динамических состояний сложных технических объектов. В системе технического объекта структурное образование способно выполнять определенные функции: регулировать форму движения рабочего органа; сохранять неудерживающий контакт, регулировать жесткости многокорпусных конструкций, изменять скорости вибротранспортных систем и др.
В качестве структурного образования, потенциально реализующего совокупность функции, выступает диада – механическая колебательная система, образованная двумя массоинерционными элементами с учетом дополнительных вязко-упругих элементов и устройств для преобразования движения.
Диада с учетом включения в состав вязко-упругих элементов и устройств для преобразования движения обладает набором настроечных параметров. Одним из настроечных параметров диады может служить массоинерционный коэффициент устройства для преобразования движения. Особенности диад могут быть отображены с помощью положений характерных точек, удовлетворяющих системе условий. Варьирование настроечных параметров способно изменять положения характерных точек и пространственных габаритов диады.
Система уравнений относительно обобщенных координат и сил может быть преобразована к системе уравнений относительно рычажных и упругих связей. На основе преобразованной системы относительно рычажных и упругих связей могут быть получены энергетические соотношения, определяющие частотную энергетическую функцию и функцию демпфирования. Множество структурных образований в виде диады может быть представлено совокупностью пар частотной энергетической функции и функции демпфирования.
Множество образований в виде диады с различными параметрами может быть представлено совокупностью пар частотных энергетических функций и функций демпфирования, представляющих собой функциональные характеристики системы.
Совокупность пар частотной энергетической функции и функции демпфирования обладает рядом топологических особенностей, которые могут быть использованы в качестве признаков классификации динамических особенностей диад.
Можно полагать, что совокупности с частотными энергетическими функциями и функциями демпфирования позволяют производить анализ энергетических соотношений свободных и вынужденных колебаний на новом уровне детализации.
Совокупность разработанных положений может быть рассмотрена как основа научно-методологической концепции структурно-функционального подхода, в рамках которого диада выступает в роли структурного образования, обладающего потенциалом реализации широкого набора функций в рамках системы за счет варьирования набора настроечных параметров, а также с помощью частоты и структуры внешних возмущений силовой или кинематической природы.
About the authors
Andrey V. Eliseev
Irkutsk state transport university
Author for correspondence.
Email: eavsh@ya.ru
ORCID iD: 0000-0003-0222-2507
SPIN-code: 8781-1123
candidate of technical sciences, associate professor of the department of mathematics
Russian Federation, IrkutskArtyom S. Mironov
Irkutsk state transport university
Email: art.s.mironov@mail.ru
ORCID iD: 0000-0002-0921-0915
SPIN-code: 6733-5363
Applicant
Russian Federation, IrkutskReferences
- Riess Sebastian, Kaal William, Herath Kristian. Frequency-Adaptable tuned mass damper using metal cushions. Vibration, 2021, no. 4, pp. 77-90, doi: 10.3390/vibration4010007
- Vellingiri Vishwa, Sadasivam Udhayakumar Effect of vibrator parameters and physical characteristics of parts on conveying velocity. Strojniški vestnik - Journal of mechanical engineering, 2023, no 69, pp. 352-363, doi: 10.5545/sv-jme.2022.510.
- Kletschkowski T. Theoretical and non-dimensional investigations into vibration control using viscoelastic and endochronic elements. Vibration, 2023, no. 6(4):1030-1047, doi: 10.3390/vibration6040060
- Tophoj Laust, Grathwol Nikolaj, Hansen Svend. Effective mass of tuned mass dampers. Vibration, 2018, no 1, pp. 192-206, doi: 10.3390/vibration1010014.
- Korendiy V., Kachur O., Predko R. et al. Generating rectilinear, elliptical, and circular oscillations of a single-mass vibratory system equipped with an enhanced twin crank-type exciter. Vibroengineering Procedia, 2023, no. 51, pp. 8-14, doi: 10.21595/vp.2023.23657.
- Krot Pavlo, Hamid Shiri, Przemysław Dąbek, Radosław Zimroz Diagnostics of bolted joints in vibrating screens based on a multi-body dynamical model. Materials, 2023, 16, no. 17: 5794, doi: 10.3390/ma16175794.
- Moueddeb Maryam, Louf François, Boucard Pierre-Alain, et al. An efficient numerical model to predict the mechanical response of a railway track in the low-frequency range. Vibration, 2022, no 5, pp 326-343, doi: 10.3390/vibration5020019.
- Sehner Michael, Nava Luis, Seidl-Nigsch Markus, Loy Harald. Vibration mitigation: under-ballast mats in heavy-haul applications. Practice periodical on structural design and construction, 2023, no. 28, 05023004, doi: 10.1061/PPSCFX.SCENG-1258.
- Zhao Zhenhang, Gao Ying, Li Chenghui Research on the vibration characteristics of a track’s structure considering the viscoelastic properties of recycled composite sleepers. Applied sciences, 2020, no. 11, 150 p., doi: 10.3390/app11010150.
- Zou Yu, Wen Yongpeng, Sun Qian Study on the urban rail transit sleeper spacing considering vehicle system. MATEC Web of Conferences, 2019, 296, 01008, doi: 10.1051/matecconf/201929601008.
- Yoshino Shun, Abe Kazuhisa, Koro Kazuhiro An analytic solution of mathematical expectation for bogie-track interaction problems. Mechanical engineering journal, 2023, no. 10, doi: 10.1299/mej.22-00300.
- Dumitriu Madalina, Apostol Ioana Influence of interference between vertical and roll vibrations on the dynamic behaviour of the railway bogie. Vibration, 2022, no. 5, pp. 659-675, doi: 10.3390/vibration5040039.
- Chu Song Yang Study on dynamic interaction of railway pantograph–catenary including reattachment momentum impact. Vibration, 2020, no. 3, pp. 18-33, doi: 10.3390/vibration3010003.
- Korendiy Vitaliy, Volodymyr Gursky, Oleksandr Kachur, Petro Dmyterko, Oleh Kotsiumbas, Oleksandr Havrylchenko Mathematical model and motion analysis of a wheeled vibro-impact locomotion system. Vibroengineering PROCEDIA, April 21, 2022, 77–83, doi: 10.21595/vp.2022.22422.
- Eliseev A.V. Diady v mekhanicheskikh sistemakh: osobennosti dinamicheskikh svoistv. Chast' I [Dyads in mechanical systems: features of dynamic properties. Part I]. Vestnik Irkutskogo gosudarstvennogo tekhnicheskogo universiteta [Bulletin of Irkutsk state technical university], 2017, vol. 21, no. 7(126), pp. 26-38.
- Eliseev A.V. Diady v mekhanicheskikh sistemakh: osobennosti dinamicheskikh svoistv. Chast' II [Dyads in mechanical systems: features of dynamic properties. Part II]. Vestnik Irkutskogo gosudarstvennogo tekhnicheskogo universiteta [Bulletin of Irkutsk state technical university], 2017, vol. 21, no. 8, pp. 22-37.
- Eliseev S.V., Orlenko A.I., Nguyen D.H. Ustroistva dlya preobrazovaniya dvizheniya v strukture diady mekhanicheskoi kolebatel'oi sistemy [Devices for converting motion in the dyad structure of a mechanical oscillatory system]. Vestnik Donskogo gosudarstvennogo tekhnicheskogo universiteta [Bulletin of the Don state technical university], 2017, Level 17, no. 3 (90), pp. 46-59.
- Eliseev S.V., Eliseev A.V. Theory of oscillations. structural mathematical modeling in problems of dynamics of technical objects. Series: studies in systems, decision and control. Springer international publishing, Cham, 2020, vol.252, 521 p.
- Eliseev A.V. Structural mathematical modeling applications in technological machines and transportation vehicles. Hershey, PA: IGI Global, 2023, doi: 10.4018/978-1-6684-7237-8
- Khomenko A.P., Eliseev S.V. Strukturnye obrazovaniya v mekhanicheskikh kolebatel'nykh sistemakh: diada kak forma vzaimodeistviya elementov [Structural formations in mechanical oscillatory systems: dyad as a form of interaction of elements]. Sovremennyye tekhnologii. Sistemnyy analiz. Modelirovaniye [Modern technologies. System analysis. Modeling], 2017, no. 2 (54), pp. 8-14.
- Eliseev S.V., Orlenko A.I., Eliseev A.V. Strukturnye obrazovaniya v mekhanicheskikh kolebatel'nykh sistemakh: diady, ikh svoistva, vozmozhnost izmeneniya dinamicheskikh sostoyanii [Structural formations in mechanical oscillatory systems: dyads, their properties, the possibility of changing dynamic states]. Transport Urala [Transport of the Urals], 2017, no. 3 (54), pp. 56-63.
- Eliseev A.V., Eliseev S.V. Osobennosti dinamicheskikh svoistv diady v podkhodakh s pozitsii mezomekhaniki [Features of dynamic properties of the dyad in approaches from the standpoint of mesomechanics]. Sovremennyye tekhnologii. Sistemnyy analiz. Modelirovaniye [Modern technologies. System analysis. Modeling], 2019, no. 2 (62), pp. 23-33.
- Eliseev A.V. Chastotnaya funktsiya i funktsiya dempfirovaniya v otsenke dinamicheskikh protsessov v mekhanicheskikh kolebatel'nykh sistemakh s symmetriei [Frequency function and damping function in the assessment of dynamic processes in mechanical oscillatory systems with symmetry]. Advanced engineering research (Rostov-on-Don), 2020, vol. 20, no. 4, pp. 360-369.
- Eliseev A.V. Svyaznost' dvizhenii v sistemakh s dissipatsiei energii: sistemnye podkhody [Connectivity of movements in systems with energy dissipation: systemic approaches]. Informatsionnyye i matematicheskiye tekhnologii v nauke i upravlenii [Information and mathematical technologies in science and management], 2020, no. 3(19), pp. 43-56.
- Rayleigh D.V. Teoriya zvuka. T. 1 [Theory of Sound. Vol. 1]. Moscow, Leningrad, Gostekhteoretizdat, 1940, 500 p.
- Eliseev A.V., Vyong K.C. Nekotorye vozmozhnost upravleniya odnomernym vibratsionnym polem tekhnologicheskoi mashiny [Some possibilities of controlling the one-dimensional vibrational field of a technological machine]. Sovremennyye tekhnologii. Sistemnyy analiz. Modelirovaniye [Modern technologies. System analysis. Modeling], 2016, no. 1(49), pp. 33-41.
- Eliseev A.V., Mamaev L.A., Sitov I.S. Nekotorye podkhody k obosnovaniyu skhemy inertsionnogo vozbuzhdeniya v tekhnologicheskikh vibratsionnykh mashinakh [Some approaches to substantiating the scheme of inertial excitation in technological vibrating machines]. Sistemy. Metody. Tekhnologii [The system. Methods. Technologies], 2015, no. 4 (28), pp. 15-24.
- Eliseev A.V., Kuznetsov N.K., Nikolaev A.V. Kharakternye osobennosti raspredeleniya amplitud v svobodnykh kolebaniyakh mekhanicheskikh sistem: vvedenie dopolnitel'nykh svyazei, strukturnye obrazovaniya [Characteristic features of amplitude distribution in free vibrations of mechanical systems: introduction of additional bonds, structural formations]. Mashinostroyeniye: innovatsionnyye aspekty razvitiya: Materialy mezhdunarodnoy nauchno-prakticheskoy konferentsii. – Sankt-Peterburg: SPbF NITS MS [Mechanical engineering: innovative aspects of development: Proceedings of the International Scientific and Practical conference, St. Petersburg, SPbF SIC MS], 2019, no. 2, 237 p.
Supplementary files







