Micro-hydroelectric power station with a hydraulic unit regulation along a hydrogenerator anchor circuit
- Authors: Lukutin B.V.1, Shandarova E.B.1, Popov M.M.1
-
Affiliations:
- National Research Tomsk Polytechnic University
- Issue: Vol 335, No 5 (2024)
- Pages: 158-171
- Section: Articles
- URL: https://medbiosci.ru/2500-1019/article/view/263281
- DOI: https://doi.org/10.18799/24131830/2024/5/4570
- ID: 263281
Cite item
Full Text
Abstract
Relevance. The article provides a comparative analysis of micro-hydroelectric power stations with a hydraulic unit regulation along a hydrogenerator anchor circuit according to technical and economic efficiency. The authors substantiate the possibility of using intelligent control of the energy balance of inverter micro-hydroelectric power stations for increasing the amount of electricity generated without increase in the installed capacity of the hydraulic unit. This will improve their technical and economic characteristics compared with traditional micro-hydroelectric power plants of the ballast type. This approach allows using intelligent control systems that can regulate power generation depending on the peaks of electri-city consumption. For this purpose, inverter micro-hydroelectric power stations are used. They allow more efficient management of energy consumption and accumulation of electricity in batteries. The developed control algorithms make it possible to optimize the operation of micro-hydroelectric power stations, ensuring maximum resource efficiency and reducing the cost of electric energy. Application of these technologies may significantly improve economic indicators of micro-hydroelectric power stations and make them more competitive in the electricity market. The algorithms control the hydraulic unit operation, ensure supply of electric power to consumers and effective use of energy storage batteries depending on electric needs.
Aim. Comparative technical and economic analysis of a micro-hydroelectric power station with regulation of the parameters of the generated voltage along the anchor circuit of the hydrogenerator driven by an unregulated hydraulic turbine.
Object. Micro-hydroelectric power stations of diversion type with power converters and electricity storage devices.
Methods. Computer modeling.
Results. The authors have proposed the classification of diversion micro-hydroelectric power stations with hydraulic unit control via the hydrogenerator anchor circuit. The paper demonstrates the technical and economic possibilities of various methods of their construction. The most promising technical solutions for inverter micro-hydroelectric power stations are determined, their energy balances and power equipment control algorithms are optimized.
Full Text
Введение
Рост цен на углеводородное топливо и возрастающие экологические проблемы на фоне роста населения планеты с соответствующим увеличением энергетических потребностей определили в последние десятилетия опережающее развитие возобновляемой энергетики. Энергия потоков воды занимает весьма существенное место по запасам и масштабам использования. Этому способствует высокая энергетическая плотность потока воды и относительная стабильность его параметров в сравнении с энергетическими характеристиками других возобновляемых энергоресурсов, например, ветра или солнечного излучения. Кроме того, использование различных гидротехнических сооружений позволяет управлять рабочим потоком воды, поступающим на гидротурбину, что положительно сказывается на технико-экономических характеристиках гидроагрегата [15]. В результате электроэнергия гидроэлектростанций обычно дешевле, чем от других энергоисточников.
Конструктивные, технические и экономические характеристики гидроэлектростанций существенно различаются в зависимости от их мощности. В данной работе рассматриваются микрогидроэлектростанции (мощность до 100 кВт) наиболее распространённой конструкции деривационного типа [6]. Такие микро-ГЭС обеспечивают стабилизацию рабочего потока воды на входе гидротурбины за счёт напорного трубопровода и позволяют, при наличии подходящего водотока, создавать автономные системы электроснабжения для широкого круга потребителей: бытовых, социальных, небольших производственных и других.
Особенностью деривационных микро-ГЭС является отсутствие возможностей аккумулировать запасы воды, что определяет зависимость их функционирования от водных режимов водотока, которые могут существенно изменяться по сезонам года. В частности, типичные характеристики водности малых рек Алтая можно показать на примере реки Маймы. Речная сеть Алтайского края включает 17085 рек общей протяженностью 51004 км, большая часть которых относится к малым рекам и ручьям. Многие реки берут начало высоко в горах и питаются от ледников и снежников, характеризуются быстрым течением, порожистым руслом в узких долинах. Майма река на севере Республики Алтай, правый приток Катуни. Река берёт своё начало на хребте Иолго рядом с безымянной вершиной (1144 м). Далее Майма проходит в северо-западном направлении, впадая в реку Катунь. Длина реки составляет 57 км, превышение истока над устьем 800 м, средний уклон русла 1,4 %.
По типу водного режима р. Майма относится к рекам с весенним половодьем и летними паводками. Около 45 % стока приходится на весну, 30 % на лето. Средний многолетний гидрограф стока и средний многолетний уровень воды р. Маймы приведён на рис. 1 [7]. По рисунку видно, что водность реки весной более чем на порядок превышает зимнюю.
Рис. 1. Средний многолетний гидрограф стока и средний многолетний уровень воды р. Маймы с 1940 по 2016 г. по гидропосту с. Майма
Fig. 1. Average long-term flow hydrograph and average long-term water level of the Maima river from 1940 to 2016 according to the hydropost of Maima village
Учитывая, что для деривационных микро-ГЭС рекомендуется использовать не более 10 % минимального стока воды, получаем, что для рассматриваемой не самой малой реки может быть использован проектный расход воды не более 0,3 м3/с. Следовательно, повышение энергоэффективности микро-ГЭС, в том числе и за счёт рационального использования энергетического потенциала водотока, является актуальной задачей.
Исторически первые гидроэлектростанции относились к классу микро-ГЭС и их возникновение связано с появлением промышленных электромашинных генераторов. В СССР микрогидроэнергетика в сельском хозяйстве получила распространение в тридцатые годы прошлого века. Первая отечественная серия автоматизированных микро-ГЭС из 22 типов была спроектирована и принята к производству на Ленинградском заводе «Электросила». Мощность гидроагрегатов составляла от 0,7 до 55,2 кВт. Микро-ГЭС имели автоматические регуляторы частоты вращения на базе масляного насоса, которые управляли углом поворота лопастей турбины, и угольные регуляторы возбуждения электромашинных генераторов [8].
Эта серия микро-ГЭС впервые имела полный набор автоматических устройств, обеспечивающих стабилизацию параметров генерируемой электроэнергии. Однако уровень развития техники того времени не позволил обеспечить приемлемый уровень эксплуатационных и производственно-технологических характеристик станций. В результате для серийного производства пришлось существенно упростить конструкцию микро-ГЭС, прежде всего использованием нерегулируемых гидротурбин и совершенствованием электрической части станций.
Указанные направления совершенствования микрогидроэлектростанций являются приоритетными и в настоящее время, особенно в связи с прогрессом в области силовой преобразовательной техники, систем аккумулирования электроэнергии и информационных технологий. Упрощение гидротехнической части гидроагрегата существенно повышает требования к устройствам генерирования электроэнергии и стабилизации её параметров. Соответственно, задачи исследования режимов работы электротехнических комплексов генерирования и стабилизации параметров электроэнергии микро-ГЭС с целью совершенствования их технико-экономических характеристик продолжают оставаться актуальными [9].
Следует заметить, что применение нерегулируемых турбин в микро-ГЭС понимается как исключение из их конструкции устройств автоматического регулирования угла поворота лопастей или рабочего потока воды направляющим аппаратом. Однако равенство текущих мощностей гидротурбины и электромашинного генератора определяет зависимость энергетических характеристик гидроагрегата как от мощности рабочего потока воды гидротурбины, так и от мощности, потребляемой электрическими нагрузками гидрогенератора. Таким образом, нерегулируемой гидротурбиной можно управлять с помощью воздействия на тормозной момент гидрогенератора регулированием его электрической мощности. Математически движение системы «гидротурбинагидрогенератор» описывается уравнением:
MtMg=J(dω/dt),
где Mt механический момент вращения гидротурбины; Mg момент сопротивления генератора, определяемый мощностью электрической нагрузки; J момент инерции вращающихся частей; ω частота вращения гидроагрегата; t время.
Регулируя механический момент сопротивления гидрогенератора, можно стабилизировать частоту вращения гидроагрегата и, соответственно, частоту выходного напряжения микро-ГЭС. Регулировать электрическую мощность гидрогенератора можно с помощью дополнительных управляемых нагрузок, позволяющих влиять на магнитный поток реакции якоря и тормозной момент, что позволяет стабилизировать генерируемое напряжение гидроагрегата по величине и частоте.
Принцип управления гидроагрегатом с помощью регулируемых нагрузок автобалластное регулирование получил широкое распространение и послужил основой для создания промышленных серий микро-ГЭС отечественными и зарубежными производителями. Дальнейшее развитие конструкций микро-ГЭС связано с использованием силовой преобразовательной техники и накопителей электрической энергии [10].
Целью данной статьи является изучение возможностей и условий достижения экономической целесообразности использования микро-ГЭС деривационного типа, в том числе с инверторами и накопителями электрической энергии, с учетом параметров графиков электропотребления, водного режима водотока и рельефа местности в районе установки микро-ГЭС по сравнению с характеристиками промышленной серии микро-ГЭС фирмы «ИНСЭТ» [11].
Классификация систем генерирования и стабилизации параметров электроэнергии микрогидроэлектростанций деривационного типа по цепи якоря гидрогенератора приведена на рис. 2.
Рис. 2. Классификация систем генерирования и стабилизации напряжения микро-ГЭС по цепи якоря гидрогенератора
Fig. 2. Classification of microelectric power station voltage generation and stabilization systems
Принципиально, для создания управляющего тормозного момента гидрогенератора может использоваться отдельный балластный генератор. В этом случае гидроагрегат состоит из гидротурбины, вал которой приводит во вращение два управляемых гидрогенератора одинаковой мощности: основной для электропитания нагрузок микро-ГЭС, и балластный, нагруженный на балластные сопротивления, для регулирования суммарного тормозного момента гидроагрегата. Структурная схема такой микро-ГЭС приведена на рис. 3.
Рис. 3. Генерирующая система с балластным генератором
Fig. 3. Generating system with a ballast generator
Преимущества трёхмашинной конструкции микро-ГЭС заключаются в снижении мощности систем управления балластом до мощности системы возбуждения балластного генератора. Рассеивание необходимой мощности на балластной нагрузке обеспечивается формированием соответствующего выходного напряжения балластного генератора по цепи его возбуждения. Нагрузочный генератор работает только на электрические нагрузки потребителя, что позволяет осуществлять независимую регулировку величины его выходного напряжения по каналу возбуждения. Частота напряжения стабилизируется по независимому каналу регулирования мощности балласта по цепи возбуждения балластного генератора.
Недостатком трёхмашинной микро-ГЭС являются конструктивные ограничения построения такого гидроагрегата. Кроме того, на динамические характеристики микро-ГЭС влияют постоянные времени обмоток возбуждения генераторов. Эти обстоятельства ограничивают целесообразность применения таких энергоисточников специальными энергосистемами.
Наиболее распространены двухмашинные автобалластные микро-ГЭС, в которых один гидрогенератор параллельно работает на полезную и управляющую балластную нагрузки. В России типичным представителем такого типа микро-ГЭС является серийная продукция фирмы «ИНСЭТ». Структурная схема такой микро-ГЭС приведена на рис. 4.
Рис. 4. Микро-ГЭС со стабилизацией выходного напряжения по цепи якоря гидрогенератора
Fig. 4. Microelectric power station with stabilization of the output voltage along a hydrogenerator anchor circuit
Принцип балластной стабилизации величины и частоты выходного напряжения нерегулируемого гидроагрегата с напорным трубопроводом заключается в поддержании на номинальном уровне активной и реактивной составляющих суммарной мощности электрических нагрузок: потребления и балласта. Осуществляет эту функцию регулятор балласта, который может иметь как разомкнутую, так и замкнутую структуры. Разомкнутая автобалластная система управляется током нагрузки, замкнутая может работать по отклонению от номинала величины или частоты напряжения на нагрузке. Достоинствами рассматриваемой генерирующей системы являются относительная простота и дешевизна энергетического оборудования, обеспечивающего хорошие динамические характеристики станции и приемлемое качество электроэнергии.
Для деривационных микро-ГЭС с напорным трубопроводом и нерегулируемым гидроагрегатом возможно обеспечение приемлемого качества генерируемого напряжения с помощью балластного регулирования. В источнике [12] показано, что автобалластные микро-ГЭС с одноканальной токовой системой стабилизации гидроагрегата могут обеспечить уровень стабилизации напряжения по величине порядка U=Uном ±912 %, по частоте ω=ωном ±1,85 %. Такие показатели достигаются при работе на пассивную нагрузку с коэффициентом мощности в диапазоне cosϕ=0,81,0 и стабильных параметрах рабочего потока воды. Лучшего качества напряжения добиться сложно, что определяется трудностями стабилизации активно-индуктивного результирующего сопротивления полезной и балластной нагрузок, которые изменяются в течение суток по величине и характеру. Для повышения качества напряжения автобалластных микро-ГЭС необходимо использовать более сложные регуляторы балласта, вводить дополнительные каналы регулирования и, соответственно, использовать управляемые электрические машины синхронного типа с электромагнитным возбуждением. Таким образом, повышение качества выходного напряжения станции достигается её усложнением и удорожанием, что снижает её потребительские характеристики.
Радикальным способом повысить качество выходного напряжения автобалластной микро-ГЭС, без усложнения системы стабилизации режима работы гидроагрегата, является использование в её составе автономного инвертора. Структурная схема такой станции приведена на рис. 5. С помощью автономного инвертора (АИ) можно обеспечить нагрузку (Н) качественной электроэнергией. Качество выходного напряжения современных инверторов удовлетворяет нормативным значениям. Контроль режима работы гидроагрегата осуществляется автобалластной системой, обеспечивающей ограничение диапазона изменения входного напряжения инвертора, что несколько снижает требования к входным параметрам инверторного преобразователя. Кроме того, инверторная система позволяет использовать регуляторы балласта с технологией поиска точки максимальной мощности (МРРТ-технология) энергетических характеристик гидротурбины, соответствующих разным значениям рабочего потока воды на входе турбины за счёт погрешностей при строительстве напорного трубопровода и потерь напора на его гидравлическом сопротивлении, а также для экономии расхода воды в периоды минимальных стоков реки. МРРТ-регулятор балласта определяет диапазон изменения частоты вращения гидроагрегата, что предъявляет к нему дополнительные требования по механической прочности.
Рис. 5. Структурная схема микро-ГЭС автобалластного типа с инвертором
Fig. 5. Block diagram of a microelectric power station of an autoballast type with an inverter
Принцип действия регулятора балласта с использованием МРРТ-технологии заключается в управлении балластной мощностью с целевой функцией вывода гидроагрегата на максимальную мощность при доступных энергетических параметрах рабочего потока воды на его входе.
Алгоритм функционирования балластной системы с МРРТ-технологией применительно к оборотным характеристикам гидротурбины Р=f(n) при фиксированном открытии направляющего аппарата основывается на управлении суммарной мощностью гидроагрегата с помощью регулирования величины балластной нагрузки. Критерием достижения работы гидроагрегата с генерацией, близкой к максимуму, для доступной энергии рабочего потока воды гидротурбины может использоваться отношение приращения мощности к приращению частоты вращения: dP/dn, величина которого в точке максимума Р равна нулю, или просто величина приращения dn при dP=const.
Последовательность шагов реализации алгоритма следующая:
1. Производятся измерение текущих значений мощности и частоты вращения гидрогенератора Рггi, nггi для оборотной характеристики гидротурбины с неполными данными о характеристиках её рабочего режима.
2. К суммарной мощности нагрузки гидрогенератора добавляется приращение мощности балласта Рггi+1=Рггi+dPб.
3. Определяется частота вращения гидроагрегата nггi+1 и её приращение dnггi+1=nггinггi+1.
4. Проверяется выполнение условия превышения приращения частоты вращения над заданной фиксированной величиной dnггmax, свидетельствующей о приближении к максимуму оборотной характеристики гидротурбины dnггi+1>dnггmax.
5. При выполнении условия п. 4 процесс приращения мощности балластной нагрузки прекращается и микро-ГЭС переходит в установившийся режим работы на скорректированную нагрузку максимальной мощности для доступных энергетических параметров рабочего потока воды. Если условие не выполняется, процесс приближения к точке максимальной мощности гидроагрегата продолжается.
Для аппаратной реализации предложенного алгоритма необходимо определить время переходного процесса при набросе балласта, т. е. время, при котором наступит новый установившийся режим, после которого можно переходить к следующему шагу алгоритма. Также нужно выбрать приращение мощности балласта исходя из условий возможности практической реализации и приемлемой точности нахождения точки максимальной мощности на оборотной характеристике гидротурбины. Моделирование процесса наброса балластной нагрузки инверторной микро-ГЭС проводилось в системе MATLAB Simulink.
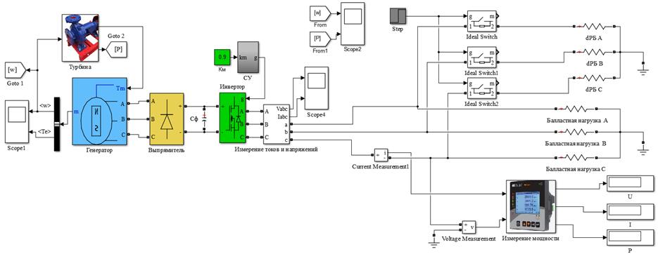
Схема имитационной модели автономной системы электроснабжения с инверторной микро-ГЭС, работающей на активную балластную нагрузку с заданным коэффициентом модуляции ШИМ-инвертора, приведена на рис. 6 [13].
Рис. 6. Имитационная модель системы электроснабжения с инверторной микро-ГЭС
Fig. 6. Simulation model of an electric power supply system with an inverter microelectric power station
В модели использованы стандартные моделирующие блоки: синхронный генератор с постоянными магнитами, трёхфазный мостовой выпрямитель, трехфазный автономный инвертор напряжения (АИН) с широтно-импульсной модуляцией (ШИМ). Система управления (СУ) при заданном коэффициенте модуляции формирует эталонные синусоидальные напряжения фаз с предмодуляцией третьей гармоникой. Сформированные сигналы задания подаются на стандартный элемент библиотеки PWM Generator, формирующий сигналы управления силовыми ключами инвертора с несущей частотой 5 кГц.
Номинальная активная мощность магнитоэлектрического синхронного генератора принималось равной 30 кВт, полная 37,5 кВт. Активная мощность балласта каждой фазы в процессе моделирования изменялась от 1 до 12 кВт, при этом шаг приращения мощности балласта dPб выбран равным 10 % от номинальной активной мощности генератора Pнг.
Характеристика нерегулируемой пропеллерной гидротурбины с напорным трубопроводом представлена аппроксимирующим полиномом в относительных единицах (о.е.) относительно максимума мощности гидроагрегата:
На рис. 7 представлены результаты моделирования в виде зависимости скорости вращения гидроагрегата от изменения мощности балластной нагрузки микро-ГЭС. До момента времени, равного 0,55 с, гидрогенератор работал на активный балласт мощностью, равной 80 % от Pнгг, затем в моменты времени 0,55 и 1 с мощность балласта увеличивалась на 0,1Pнгг.
Рис. 7. Переходный процесс изменения скорости вращения при набросе нагрузки инверторной микро-ГЭС
Fig. 7. Transient process of changing the angular rotation speed when loading an inverter microelectric power station
Как видно из графика, время переходного процесса при номинальном моменте инерции гидроагрегата мощностью 30 кВт не превышает 0,26 с. При уменьшении момента инерции на 50 %, что соответствует гидроагрегату меньшей мощности, время переходного процесса уменьшается до 0,15 с, при увеличении на 50 % увеличивается до 0,35 с.
На рис. 8 представлен результат работы предложенного алгоритма поиска точки максимальной мощности оборотной характеристики гидроагрегата в виде аппроксимированной зависимости мощности гидроагрегата от скорости вращения при последовательном изменении мощности балластной нагрузки от 1,2 до 0,1 Pнгг с шагом 0,1Pнгг.
Рис. 8. Зависимость мощности гидрогенератора от угловой скорости вращения
Fig. 8. Dependence of the angular rotation speed of the hydrogenerator on active load power
Недостатком автобалластных систем является рассеивание в виде тепла управляющей электрической мощности на балластных резисторах, что снижает электрический коэффициент полезного использования установленной мощности гидроагрегата.
Инвертор в составе микро-ГЭС на максимальную мощность нагрузки увеличивает стоимость оборудования станции, но обеспечивает высокое качество генерируемой электроэнергии [14, 15]. Включение в состав инверторной микро-ГЭС накопителя электроэнергии позволяет улучшить её технические и экономические характеристики за счёт покрытия пиковых нагрузок энергией, запасённой в аккумуляторах.
Структурная схема инверторной микро-ГЭС с аккумуляторными накопителями электроэнергии и автобалластной системой показана на рис. 9.
Рис. 9. Структурная схема инверторной микро-ГЭС с автобалластной системой регулирования гидроагрегата и аккумуляторным накопителем электроэнергии
Fig. 9. Block diagram of the inverter microelectric power station with an autoblastic control system of a hydraulic unit and an electric power accumulator
Технико-экономические характеристики рассматриваемой микро-ГЭС могут быть улучшены по сравнению с базовым вариантом автобалластной микро-ГЭС с помощью силовых преобразовательных устройств инверторов и аккумуляторных накопителей электрической энергии. Инверторная микро-ГЭС позволяет управлять энергетическим балансом автономного энергетического комплекса, стабилизируя мощность гидрогенерации на номинальном уровне в соответствии с установленной мощностью гидроагрегата. Стабилизация достигается корректировкой мощности гидрогенератора добавлением к текущей мощности нагрузки мощности заряда аккумуляторов и необходимой мощности балласта:
при условии Ргг=const, где PН, РГГ, PБ, РАБЗ, РАБР соответственно, мощность нагрузки, мощность гидрогенерации, мощность балласта, мощности заряда или разряда аккумуляторной батареи. Аккумуляторы должны запасать электроэнергию гидрогенератора в часы, когда гидрогенерация позволяет обеспечивать электропотребление нагрузки и заряд оптимальной мощностью аккумуляторов и отдавать её потребителю в часы пиковой нагрузки, дополняя номинальный уровень генерации до пиковой нагрузки [16].
Это позволяет осуществлять электроснабжение потребителей, мощность которых превышает установленную мощность гидроагрегата микро-ГЭС без его перегрузки. По сравнению с базовой станцией с балластным регулированием, максимальная мощность нагрузки которой не может превышать номинальную мощность гидроагрегата, инверторная микро-ГЭС с системой аккумулирования электроэнергии может улучшить технико-экономические характеристики базовой микро-ГЭС за счёт аккумуляторов, позволяющих покрывать пиковые нагрузки большей мощности.
Алгоритм расчётов рабочих режимов системы электропитания представлен на рис. 10. Исходными данными для алгоритма являются номинальная мощность гидрогенератора Ргг и текущая почасовая мощность электрических нагрузок на начальный момент времени в соответствии с суточным графиком электропотребления Рн. Начальный момент времени может выбираться произвольно. Исходное состояние батареи аккумуляторов определяется величиной её заряда Саб, которая может задаваться произвольно. Параметры, ограничивающие режимы работы аккумуляторной батареи: оптимальная мощность заряда Рзм, максимальный Сmax и минимальный Сmin уровень заряда аккумуляторной батареи в соответствии с рекомендациями для конкретных типов аккумуляторов.
Рис. 10. Логическая структура алгоритма функционирования инверторной микро-ГЭС
Fig. 10. Logical structure of the algorithm for the inverter microelectric power station operation
К целевым функциям алгоритма относятся: определение максимально возможного превышения энергоотдачи рассматриваемой инверторной микро-ГЭС относительно базовой микро-ГЭС автобалластного типа на примере нагрузки с суточным графиком, соответствующим сельскому бытовому потребителю; минимизация ёмкости аккумуляторного накопителя электроэнергии; обеспечение приоритетного использования в качестве балластной нагрузки гидроагрегата зарядной мощности аккумуляторов.
Возмущающим воздействием, определяющим управляющие воздействия алгоритма, является суточный график электропотребления объекта электрификации.
Управляющими параметрами алгоритма являются управляемые балласты электрохимического и резистивного типов.
Режимы функционирования алгоритма определяются соотношением номинальной мощности гидрогенератора и текущей в соответствии с графиком электрических нагрузок для рассматриваемого часа суток, а также состоянием заряда аккумуляторов.
Если текущая мощность нагрузки меньше, чем уставка гидрогенератора: Рн<Ргг, то необходимая мощность поступает в нагрузку, а разница мощностей Риз, если она не превышает предельную мощность заряда аккумуляторов Риз<Рзм и состояние аккумуляторов Саб<Сmax, позволяет принять зарядную мощность, то мощность направляется на заряд батареи аккумуляторов. Зарядная мощность аккумуляторов также выполняет роль балластной нагрузки, стабилизируя режим работы гидрогенератора на уровне мощности Ргг=Рн+Рабз. Если аккумуляторы не в состоянии принять излишнюю мощность генератора, то часть её, превышающая зарядную, отправляется в тепловой балласт Рб, обеспечивающий вместе с зарядной мощностью аккумуляторов стабилизацию тормозного момента генератора, частоты вращения и генерируемой мощности гидроагрегата: Ргг=Рн+Рабз+Рб.
Если текущая мощность нагрузки превышает номинальную стабилизируемую мощность гидрогенератора, то генератор продолжает работать в номинальном режиме на мощности РГГ, балласт отключается (если он был в работе), а контроллер зарядаразряда аккумуляторной батареи, если её заряд больше минимально допустимого, переводит её в режим разряда, дополняя номинальную мощность гидрогенерации РГГ разрядной мощностью аккумуляторов РАБР до необходимой для покрытия пиковой нагрузки РН. Режим работы гидрогенератора при этом остаётся стабильным, определяемым мощностью генератора РГГ=РНРАБР [17].
Если уровень заряда аккумуляторов снижается до уровня меньше допустимого, то происходит отключение нагрузки и генерируемая мощность поступает на заряд аккумуляторов и балластную нагрузку.
Последовательный анализ состояния инверторной микро-ГЭС в соответствии с суточным графиком нагрузки позволяет оптимизировать её состав и режимы работы энергетического оборудования.
Экономическая целесообразность построения рассматриваемой микро-ГЭС достигается если увеличение её производительности приведёт к снижению себестоимости генерируемой электроэнергии относительно базовой промышленной микро-ГЭС, несмотря на увеличение стоимости её энергетического оборудования за счёт дополнительных затраты на инвертор и батарею аккумуляторов.
Реализация предлагаемого алгоритма функционирования инверторной микро-ГЭС с аккумуляторным накопителем и балластной системой управления гидроагрегатом с целью исследования возможностей повышения коэффициента использования установленной мощности базового генерирующего оборудования целесообразна в виде компьютерной модели. Численный эксперимент проведён с использованием характеристик промышленного образца микро-ГЭС ПР-10 «МНТО ИНСЭТ» с установленной мощностью 10 кВт [18].
Компьютерная модель формируется как последовательность рабочих режимов автономной системы электроснабжения в течение характерных суток с интервалом дискретизации один час. Энергетические характеристики гидроагрегата выбранной микро-ГЭС в номинальном режиме приведены в табл. 1, где обозначены Н напор воды (м), n частота вращения гидроагрегата (об/мин), Pагр номинальная мощность генератора (кВт), Pт номинальная мощность турбины (кВт), Q расход воды (м3/с), ηт коэффициент полезного действия турбины, ηагр коэффициент полезного действия генератора.
Таблица 1. Характеристики гидроагрегата ПР-10 АОЗТ МНТО ИНСЭТ
Table 1. Characteristics of the PR-10 AOZT MNTO INSET hydraulic unit
n=1500 об/мин/rpm | ||||||
Н | n | Q | Pт | Pагр | ηт | ηагр |
10 | 1545 | 0,142 | 11,7 | 10,5 | 0,81 | 0,9 |
9 | 1540 | 0,139 | 9,8 | 8,8 | 0,80 | 0,9 |
8 | 1535 | 0,138 | 8,7 | 7,9 | 0,81 | 0,9 |
7 | 1530 | 0,136 | 7,6 | 6,8 | 0,81 | 0,9 |
6 | 1525 | 0,133 | 6,2 | 5,5 | 0,79 | 0,9 |
5 | 1520 | 0,130 | 4,6 | 4,1 | 0,72 | 0,9 |
Важным элементом микро-ГЭС является напорный трубопровод наиболее дорогой элементом энергоустановки. Это обстоятельство определяет необходимость его расчёта с учётом потери напора воды для микро-ГЭС за счёт гидравлического трения.
Величина гидравлических потерь в напорном трубопроводе Hп [м] определяется по формуле ДарсиВейсбаха
где l длина напорного трубопровода [м]; λ коэффициент гидравлического трения; d внутренний диаметр напорного трубопровода [м]; V скорость потока воды в трубопроводе [м/с]:
Q расход воды м3/с; λ коэффициент гидравлического трения определяется по формуле Шифрисона:
где k абсолютная шероховатость трубы [мм]. Формула Шифрисона справедлива при условии: Re>500*(d/k), где Re число Рейнольдса, при 20 °С кинематическая вязкость воды ν=1,004‧106, м2/c:
Стоимость стального напорного трубопровода для выбранной базовой микро-ГЭС при различных напорах с учётом гидравлических потерь и уклонов русла водотока показана на рис. 11.
Рис. 11. Диаграмма стоимости напорного трубопровода в зависимости от величины напора и уклона русла водотока
Fig. 11. Diagram of a pressure pipeline cost depending on pressure and slope of a watercourse bed
Результаты моделирования суточных энергетических балансов автономной системы электроснабжения с рассматриваемой инверторной микро-ГЭС в графическом виде приведены на рис. 12. На данном графике видны почасовые изменения суточного энергетического баланса, включающего энергию нагрузки, энергию заряда и разряда аккумуляторных батарей, энергию, преобразуемую в тепло на резистивном балласте и энергию гидрогенерации.
Рис. 12. Диаграмма энергетического баланса автономной системы электроснабжения с инверторной микро-ГЭС, накопителем и балластом
Fig. 12. Diagram of energy balance of an autonomous power supply system with an inverter microelectric power station, storage and ballast
Исходя из представленных данных, энергетический баланс системы электроснабжения с рассматриваемой микро-ГЭС удовлетворяет потребностям объекта в электроэнергии в течение суток. За счет аккумуляторного накопителя электроэнергии система позволяет обеспечить двукратную пиковую нагрузку потребителя относительно установленной мощности гидроагрегата при принятом допустимом разряде аккумуляторов в 30 %. При этом гидроагрегат постоянно работает в своём номинальном режиме.
Сравнительные основные технико-экономические характеристики разных типов балластных микро-ГЭС, питающих типового сельского потребителя, приведены в табл. 2.
Таблица 2. Сравнительный технико-экономический анализ разных конфигураций микро-ГЭС на основе базового комплекта Микро-ГЭС ПР-10 АОЗТ «МНТО ИНСЭТ»
Table 2. Comparative technical and economic analysis of different configurations of micro-hydroelectric power stations based on the basic set of Micro-hydroelectric power plants PR-10 AOZT "MNTO INSET"
Показатели Indicators | микро-ГЭС/microelectric power station | |||
с балластной нагрузкой with ballast load | с балластной нагрузкой и инвертором with ballast load and inverter | с балластной нагрузкой, инвертором и накопителем энергии with ballast load, inverter and energy storage device | ||
Полные затраты, всего, р. Total costs, rub. | 850000 | 1147000 (297000 стоимость инвертора) Inverter cost | 3940280 (1943280 стоимость АКБ) Battery cost | |
Стоимость стального трубопровода р. Steel pipeline cost, rub. | 4817000 | |||
КИУМ по электроэнергии Installed capacity utilization factor of electricity | 0,46 | 0,46 | 0,98 | |
Показатели качества электроэнергии Electricity quality indicators | Отраслевой стандарт Industry standard | ГОСТ 32144-2013 SS 32144-2013 | ГОСТ 32144-2013 SS 32144-2013 | |
Пиковая мощность нагрузки, кВт Peak load power, kW | 10 | 10 | 20 | |
Исходными данными для табл. 2 выбраны: стоимость оборудования Микро-ГЭС-10ПР составляет 850 тыс. р., стоимость стального напорного трубопровода диаметром 300 мм и длиной 114 м для обеспечения напора 10 м для местности с уклоном русла водотока в 5 градусов равна 4 млн 817 тыс. р. [19].
В качестве силового модуля трехфазный инвертор «Импульс форвард 3310» мощностью 10 кВт и стоимостью 297000 р. [20].
При выборе аккумуляторов для накопительного устройства учитывалась возможность их быстрой зарядки с использованием больших токов, а также стойкость в циклическом режиме с учётом ограничений на глубину разряда. Стоимость одного блока аккумулятора составляет 16194 р. [21].
Литий-железо-фосфатные аккумуляторы (LiFePO4) в значительной степени отвечают этим требованиям [22]. Степень разрешенного разряда LiFePO4 может изменяться в зависимости от бренда и конкретного типа аккумулятора. Однако для продления ресурса аккумуляторов рекомендуется ограничивать разряд на уровне 30 % от номинальной ёмкости LiFePO4 батареи [23, 24].
Заключение
Микрогидроэлектростанции с нерегулируемыми гидротурбинами и управлением по цепи якоря гидрогенератора имеют в настоящее время наибольшее распространение. Их модификации: автобалластного типа, автобалластные с инвертором, автобалластные с инвертором и накопителем электроэнергии, обладают различными ценовыми и эксплуатационными характеристики и могут гарантированно обеспечить потребителя электроэнергией различного качества.
Инверторные микро-ГЭС, кроме генерирования высококачественной электроэнергии, позволяют рационально использовать энергетический потенциал водотока за счёт применения технологии поиска точки максимальной мощности оборотной характеристики гидроагрегата.
Для поиска точки максимальной мощности гидроагрегата определена дискретизация балласта для шагов сканирования его оборотной характеристики. Шаг по мощности может составлять величину в пределах 10 %, а временной интервал в зависимости от установленной мощности гидроагрегата от 0,15 до 0,35 с.
Инверторные микро-ГЭС с аккумуляторным накопителем электроэнергии позволяют увеличить электрический коэффициент использования установленной мощности базового гидроагрегата практически до единицы за счёт использования зарядной мощности аккумуляторов в качестве электрохимического балласта в отличие от резистивных балластов, безвозвратно преобразующих балластную мощность в тепло.
About the authors
Boris V. Lukutin
National Research Tomsk Polytechnic University
Email: lukutin48@mail.ru
ORCID iD: 0000-0002-2049-6635
Dr. Sc., Professor, National Research
Russian Federation, 30, Lenin avenue, Tomsk, 634050Elena B. Shandarova
National Research Tomsk Polytechnic University
Email: shandarovaelena@mail.ru
ORCID iD: 0000-0001-7473-2771
Cand. Sc., Associate Professor
Russian Federation, 30, Lenin avenue, Tomsk, 634050Mikhail M. Popov
National Research Tomsk Polytechnic University
Author for correspondence.
Email: mix_mix13@tpu.ru
ORCID iD: 0009-0006-4272-026X
Senior Lecturer
Russian Federation, 30, Lenin avenue, Tomsk, 634050References
- Laghari J.A., Mokhlis H., Bakar A.H.A., Mohammad H. A comprehensive overview of new designs in the hydraulic, electrical equipments and controllers of mini hydro power plants making it cost effective technology. Renewable and Sustainable Energy Reviews, 2013, vol. 20, pp. 279–293.
- Harchenko V.V., Gusarov V.A., Adomavichyus V.B., Valickas I.Yu. Selection of generation sources for use in microgrids based on RES. Scientific Bulletin of the National University of Bioresources and Nature Management of Ukraine, 2016, no. 240, pp. 31–43. (In Russ.)
- Mudaheranwa E., Berkem Sonder H., Ye-Obong Udoakah, Cipcigan L., Ugalde-Loo C.E. Participation of load aggregator in grid frequency stabilization with consideration of renewable energy resources integration. Energy Reports, 2023, vol. 9, pp. 3967–3988.
- Syafii, Heru Dibyo Laksono, Novizon, Rahmad Fahreza. Optimal sizing of micro hydropower to improve hybrid renewable power system. 7th International Conference on Electrical Engineering, Computer Sciences and Informatics (EECSI). Yogyakarta, Indonesia, 2020. pp. 95–99.
- Sabita Tripathy, Manoj Kumar Debnath, Sanjeeb Kumar Kar. Optimal design of PI/PD dual mode controller based on quasi opposition-based learning for power system frequency control. E-Prime – Advances in Electrical Engineering, Electronics and Energy, 2023, no. 4, pp. 100–135.
- Popov M.M. Improving the technical and economic efficiency of microelectric power plants of a derivational type. Ufa, Limited Liability Company "Scientific Publishing Center "Bulletin of Science", 2023. 66 p. (In Russ.)
- Zuev V.V., Korotkova E.M., Uymanova V.A., Kurakov S.A. Comparative analysis of hydrometeorological observations of Roshydromet and the autonomous measuring complex "Maima" in the Maima River basin (Gorny Altai). Water management of Russia, 2018, no. 5, pp. 65–74. (In Russ.)
- Borkowski D., Wegiel T. Small hydropower plant with integrated turbine-generators working at variable speed IEEE. Transactions on Energy Conversion, 2013, vol. 28, no. 2, pp. 452–459.
- Kurilin S.P., Denisov V.N. Features of the design and design of synchronous generators for micro hydroelectric power plants. MEI bulletin, 2019, no. 4, pp. 78–84. (In Russ.)
- Lukutin B.V., Shandarova E.B. Phase adjustable auto ballast systems for stabilization of output parameters of micro hydro power plants. Bulletin of the Tomsk Polytechnic University, 2011, vol. 318, no. 4, pp. 113–118. (In Russ.)
- Blyashko Ya.I. Experience of MSO INSET on the creation and operation of equipment for micro and small hydroelectric power plants. Small power engineering, 2004, no. 1, pp. 26–29. (In Russ.)
- Lukutin B.V., Obuhov S.G., Shandarova E.B. Autonomous power supply from Microhydro power plants. Tomsk, STT, 2001. 120 p. (In Russ.)
- Lukutin B.V., Shandarova E.B., Popov M.M. Modes of operation of a microhydroelectric power plant with output voltage stabilization using inverter control Bulletin of the Tomsk Polytechnic University. Geo Assets Engineering, 2023, vol. 334, no. 8, pp. 51–58. (In Russ.)
- Efimova O.N., Uteulina Zh.B. Multifunctional inverter with a voltage source for the integration of renewable energy sources and ensuring the quality of electricity. The Scientific Heritage, 2023, no. 115, pp. 40–56. (In Russ.)
- Machrus Ali, Muhammad Ruswandi Djalal, Muhammad Fakhrurozi, Kadaryono, Budiman, Dwi Ajiatmo. Optimal design capacitive energy storage (ces) for load frequency control in micro hydro power plant using flower pollination algorithm. Electrical Power, Electronics, Communications, Controls and Informatics Seminar (EECCIS). Batu, Indonesia, 2018. pp. 21–26.
- Obukhov S.G., Plotnikov I.A., Sarsikeev E.J. Buffer system of electricity storage for renewable energy. Alternative energy and ecology, 2012, no. 9 (113), pp. 137–141. (In Russ.)
- Lukutin B.V., Popov M.M. Improving the technical and economic efficiency of an inverter microhydroelectric power plant of a derivational type. Omsk Scientific Bulletin, 2023, no. 3 (187), pp. 68–76. (In Russ.)
- The range of equipment produced by MNTO INSET. MNTO INSET. (In Russ.) Available at: https://ersd.narod.ru/gidro6.htm (accessed 15 January 2024).
- Rolled metal, metal and steel. Metal and steel. (In Russ.) Available at: https://metallas.ru (accessed 15 January 2024).
- Industrial uninterruptible power supplies. (In Russ.) Available at: https://www.bespereboynik.ru (accessed 15 January 2024).
- Lithium batteries LFP4. LFP (In Russ.) Available at: https://lfp4.ru (accessed 15 January 2024).
- Safwat I.M., Li W., Wu X. A novel methodology for estimating state-of-charge of li-ion batteries using advanced parameters estimation. Energies, 2017, no. 11 (10), pp. 1751–1767.
- Nitta N., Wu F., Jung T., Yushin G. Li-ion battery materials present and future. Materials today, 2015, no. 18 (5), pp. 252–264.
- Wei Z., Leng F., He Z., Zhang W., Li K. Online state of charge and state of health estimation for a lithium-ion battery based on a data–model fusion method. Energies, 2018, no. 7 (11). pp. 1810–1826.
Supplementary files













