Osinskaya subformation of the Usolsky formation of the Lower Cambrian of the central and southern parts of the Nepa-Botuoba anteclise: structure, formation conditions and biostratigraphical characteristics
- Authors: Tokarev D.A1,2, Plusnin A.V.3, Terleev A.A.1, Staroselets D.A.3, Nikulin E.V.3, Afonin I.V.4, Agasheva E.A.4
-
Affiliations:
- Trofimuk Institute of Petroleum Geology and Geophysics, Siberian Branch Russian Academy of Sciences
- Novosibirsk State University
- University of Tyumen
- Tomsk State University
- Issue: Vol 335, No 3 (2024)
- Pages: 176-191
- Section: Articles
- URL: https://medbiosci.ru/2500-1019/article/view/267405
- DOI: https://doi.org/10.18799/24131830/2024/3/4275
- ID: 267405
Cite item
Full Text
Abstract
Relevance. Geological prospecting carried out recently throughout the Lena-Tunguska oil-and-gas province makes studies of carbonates of the Osinskaya subformation particularly relevant, as they make it possible to establish the patterns of hydrocarbon trap formation.
Aim. To present the results of the lithological and facial, biostratigraphic and petrophysical studies of the Osinskaya subformation in the southern and central part of the Nepa-Botuoba anteclise.
Objects. Carbonate rocks of the middle Osinskaya subformation of the Usolskiy Formation of the Lower Cambrian Tommotian Stage, studied from well cores.
Methods. GIS complex, detailed lithological and sedimentological description of the core, sequential stratigraphic analysis, petrographic analysis of 300 samples and examination of paleontological remains taken from the core; analysis.
Results. Based on these studies, three sedimentation zones were identified, traced, and described for the first time: deep-water, marginal, and shallow-water. The deep-water zone is characterized by uncompensated sedimentation, the presence of single reefs, and confinement to depressions and troughs. It was flanked by an edge zone of carbonate platform associated with elevated thicknesses of the subformation and distribution of reefs over the area. It was followed by a shallow-water zone, represented by medium and reduced thicknesses of the Osinskaya subformation, its sediments are composed of carbonate grained and clayey rocks with small single reefs. The localized marginal zone of the extended carbonate platform agrees with the previously identified Chambinsko-Altybsko-Mirninskaya and Verkhnetokhomsko-Katsko-Pilyudinskaya zones of distribution of reef-like organogenic structures. On the basis of the studied wells, the structure of three formations according to the lithologic-facial profile was described. The paper introduces the authors’ variant of conducting the boundaries of the members. It was revealed that in the deep-water zone the prospects of searching for reservoir rocks are associated with single carbonate structures, in the marginal zone with area bioherms, and in the shallow-water zone with detrital deposits and shallow bioherms. The paleontological finds are shown to be confined to the selected sedimentation zones and beds. It was determined that algae diagnosed in the boudstones (autochthonous) were involved in the formation of the second and third strata, the edge zone of the carbonate platform. Archaeocyaths were diagnosed in detrital carbonate rocks of the second pack (allochthonous) in well no. 7 and autochthonous in boudstones of well no. 2X. Cribriciates were diagnosed in the boudstones of the third member (autochthonous). Archaeocyaths, cribriciates, namacalatusses, and calcareous algae studied from the cores of wells West Yaractinian no. 45, 361, Bolshetyrskaya no. 7, 3X, 2X, 4X, 5X, 6X were major edificators of Early Cambrian organogenic structures (biostromes, bioherms, bioherms massifs, reef formations).
Full Text
Введение
Венд-кембрийский карбонатный комплекс юга Восточной Сибири в последнее время представляет собой объект пристального внимания геологов-нефтяников, так как является одним из основных нефтегазопродуктивных горизонтов Лено-Тунгусской провинции. Наибольшие перспективы в Иркутской области связывают с осинским продуктивным горизонтом. Уже доказана его продуктивность на таких месторождениях, как Марковское, Талаканское, Ичединское, Северо-Даниловское и др. [1]. В настоящий период в пределах всей Лено-Тунгусской нефтегазоносной провинции ведутся активные геологоразведочные работы, что делает исследования карбонатов осинской подсвиты особенно актуальными, поскольку результаты подобных изучений позволят установить закономерности образования ловушек углеводородов. Работа является продолжением цикла публикаций, посвящённых строению осинской карбонатной эпиконтинентальной платформы [2–5]. В настоящем исследовании авторы публикуют результаты комплексного литолого-биостратиграфического исследования различных типов разреза осинской подсвиты.
Объект и методы исследования
Основой для работы послужили результаты литолого-фациального и секвенс-стратиграфического анализа керна карбонатных пород осинской подсвиты, вскрытых скважинами Западно-Ярактинскими № 45 и 361, № 7 Большетирской, а также № 1Х, 2Х, 3Х, 4Х, 5Х и 6X. Территориально скважины располагаются на севере Иркутской области, в междуречье р. Лены и Нижней Тунгуски (рис. 1, а, b).
Общий метраж изученного керна составил более 900 м. Помимо этого изучался комплекс ГИС, включавший гамма- (ГК) и нейтронный-гамма (НГК) каротажи. Проведено петрографическое изучение шлифов в количестве 600 шт. При построении концептуальной фациальной схемы (рис. 1, с) использовались данные ГИС 875 скважин, а также данные сейсморазведочных работ 2D МОГТ. При литолого-фациальных, секвенс-стратиграфических и петрографических исследованиях применялась литература, перечисленная в работах [5–15], а также источники, посвящённые моделированию карбонатных систем [16–18].
Рис. 1. Район исследования (a) и местоположение изученных скважин на схеме тектонического районирования (b) и концептуальной фациальной схеме осинского шельфа (c). Условные обозначения к рисункам (a) и (b): 1 – граница Сибирской платформы; 2 – граница Непско-Ботуобинской антеклизы; 3 – номера изученных скважин. Условные обозначения к рисунку (с): 1 – зона мелководной седиментации; 2 – площадная рифовая система, окаймляющая крупные прогибы и впадины; 3 – относительно глубоководная зона; 4 – гидросеть; 5 – города; 6 – точки изученных скважин. Знаком вопроса отмечены участки с недостаточными скважинными данными (Вопросами обозначены области, не представленные скважинными данными)
Fig. 1. Study area (a) and location of the studied wells in the tectonic zoning scheme (b) and conceptual facies scheme of the Osinsky shelf (c). Symbols for figures (a) and (b): 1 – boundary of the Siberian platform; 2 – boundary of the Nepa-Botuoba anteclise; 3 – numbers of studied wells. Symbols for figure (c): 1 – zone of shallow water sedimentation; 2 – area reef system, bordering large troughs and depressions; 3 – deep water zone; 4 – hydraulic network; 5 – cities; 6 – points of the studied wells. A question marks areas with insufficient well data (Questions indicate areas not represented by borehole data)
Краткие сведения о геологическом строении
Объект изучения – карбонатные породы средней (осинской) подсвиты усольской свиты томмотского яруса нижнего кембрия. Осинская подсвита выделена М.А. Жарковым и В.В. Хоментовским [19, 20]. Стратотип находится в Иркутской области, в скважинах вблизи г. Усолье-Сибирское. Изучаемые разрезы скважин Непско-Ботуобинской антеклизы (НБА) соответствуют Непской зоне Ангаро-Непского фациального района, Иркутско-Байкитской области, и Ботуобинскому фациальному району, Ботуобинско-Олекминской фациальной области, которые входят в Турухано-Иркутско-Олекминский регион [21].
Непская фациальная зона, с типовым разрезом скв. Ярактинская-27, охватывает юг и центр НБА. Усольская свита делится на три подсвиты. Нижняя – галогенно-доломитовая, в интервале от подошвы свиты до подошвы осинской подсвиты. Среднеусольская (осинская) подсвита сложена карбонатными и сульфатно-карбонатными породами. Промышленные притоки углеводородов в осинской подсвите выделяются в одноимённый продуктивный горизонт. Верхнеусольская подсвита сложена карбонатно-галогенными породами. Осинская рифовая система окаймляет частично НБА по внешнему краю и на исследуемом участке прослеживается с севера на юг от Среднеботуобинского месторождения к Талаканскому и далее субпараллельно границе с Предпатомским прогибом. На севере она проходит субширотно по юго-восточному борту Тунгусской синеклизы. Содержание пород-коллекторов уменьшается по мере удаления от рифовой зоны от 50 до 5 % от мощности разреза, как в сторону развития глинисто-карбонатной подформации склона, так и в сторону лагунных и приливно-отливных отложений [22].
Литолого-фациальное строение
Основными типами пород, формирующими изучаемые отложения, являются в различной степени доломитизированные известняки, глинистые известняки и доломиты, а также сульфатизированные доломиты, переходящие в ангидриты.
В изученных разрезах осинского горизонта выделены типы пород, закономерно сменяющие друг друга по разрезу снизу вверх и соответствующие различным фациальным обстановкам мелководного шельфа. Детальное описание авторами рассмотрено в работах [1, 2]. Далее кратко перечислим их: 1. Доломитовый плоско-галечный конгломерат (флоатстоун); 2. Доломиты известковистые до известняков доломитистых (Породы), кристаллические, реликтово-мелкообломочные (грейнстоун); 3. Породы с несохранившейся первичной структурой; 4. Породы микритовые со структурой мадстоун; 5. Породы микрофитолитовые со структурой пакстоун; 6. Породы микрофитолитовые со структурой грейнстоун; 7. Породы реликтово-мелкообломочные со структурой грейнстоун и рудстоун; 8. Породы реликтово-микробиальные со структурой баундстоун; 9. Породы органогенно-микробиальные (цианобактериально-водорослевые), включая пластовые строматолиты или биоламиниты, со структурой баундстон; 10. Карстовая щебенчато-глыбовая брекчия известняков доломитистых, галитистых и микробиальных; 11. Породы микробиально-водорослевые со структурой баундстоун; 12. Породы строматолитовые со структурой байндстоун.
Выделенные выше литотипы были объединены в несколько групп по структурным признакам: глинистые, породы со структурой мадстоун (ЛТ-4); зернистые: пакстоун, грейнстоун и рудстоун (5, 6, 2, 7); обломочные, со структурой флоатстоун (1, 10); органогенные, баунстоун (8, 9, 11, 12).
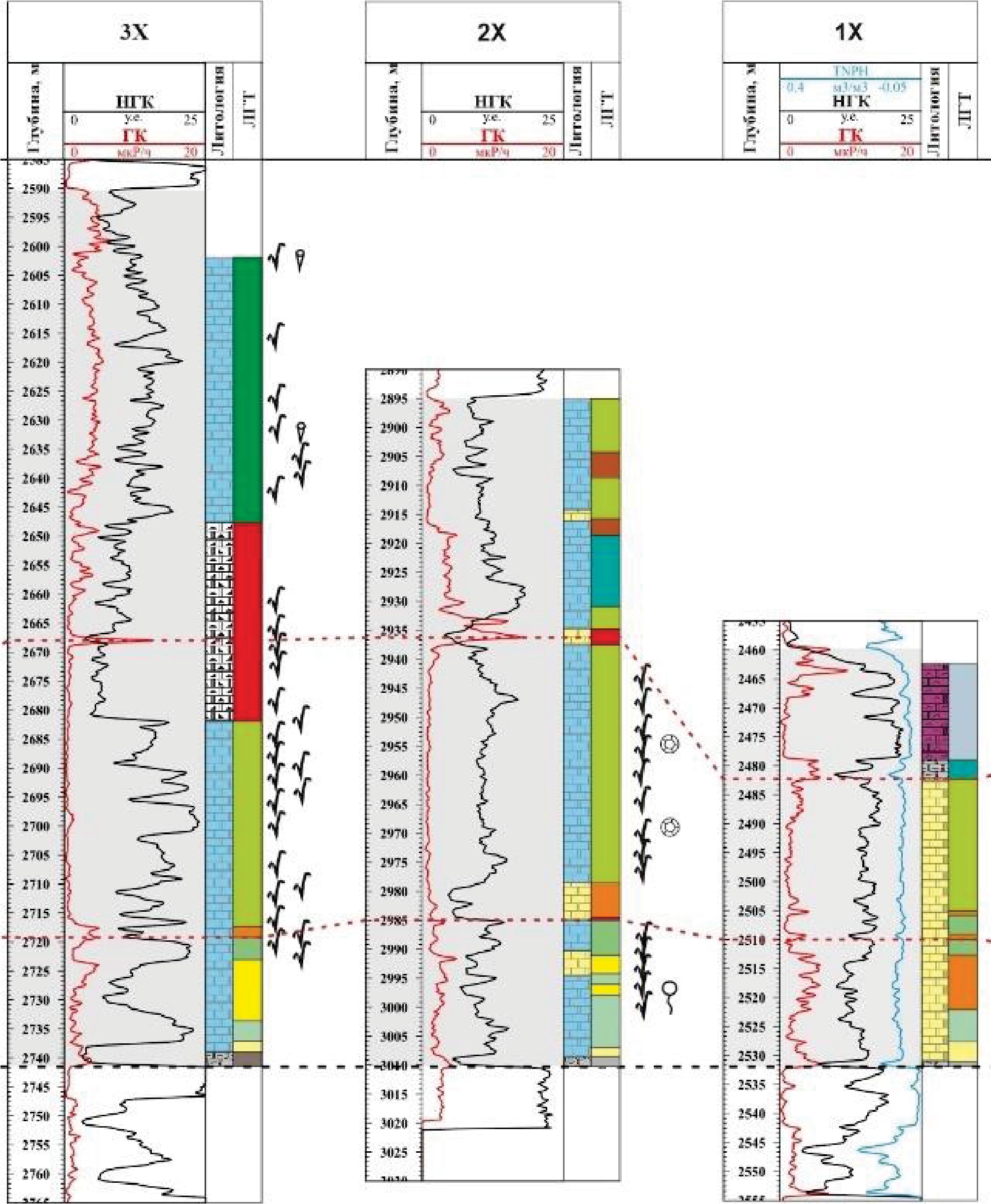
Формирование отложений происходило в условиях сублиторали, литорали и супралиторали. На (рис. 2–4) показана схема корреляции изученных скважин с распределением выделенных типов пород и обстановок осадконакопления (рис. 5).
Рис. 2. Схема корреляции изученных скважин (начало)
Fig. 2. Well survey correlation scheme (beginning)
Рис. 3. Схема корреляции изученных скважин (продолжение)
Fig. 3. Well survey correlation scheme (continuation)
Рис. 4. Схема корреляции изученных скважин (окончание)
Fig. 4. Well survey correlation scheme (ending)
Рис. 5. Условные обозначения к рис. 2–4. Линии и границы: 1 – линия выравнивания, подошва осинской подсвиты; 2 – достоверные границы пачек внутри осинской подсвиты; 3 – предполагаемые границы пачек. Номер пачки (4). Литология: 1 – известняки доломитистые и доломитовые; 2 – доломиты известковистые и известковые; 3 – доломиты глинистые; 4 – карбонатные брекчии; 5 – ангидриты доломитистые и ангидриты. Типы пород: 1 – доломитовый плоско-галечный конгломерат; 2 – доломиты известковистые до известняков доломитистых, кристаллические, реликтово мелкообломочные (грейнстоун); 3 – породы с несохранившейся первичной структурой; 4 – породы микритовые со структурой мадстоун; 5 – породы микрофитолитовые со структурой пактсоун; 6 – породы микрофитолитовые со структурой грейнстоун; 7 – породы реликтово-мелкообломочные со структурой грейнстоун; 8 – породы реликтово-микробиальные со структурой баундстоун; 9 – породы органогенно-микробиальные (цианобактериально-водорослевые), включая пластовые строматолиты или биоламиниты, со структурой баундстон; 10 – карстовая щебенчато-глыбовая брекчия известняков доломитистых, галитистых и микробиальных; 11 – породы микробиально-водорослевые со структурой баундстоун; 12 – породы строматолитовые со структурой байндстоун. Распределения типов пород по обстановкам осадконакопления: 1 – субаэральный перерыв (супралитораль); 2 – себха на супралиторали; 3 – верхняя литораль; 4 – нижняя литораль; 5 – верхняя сублитораль; 6 – нижняя сублитораль. Палеонтологические находки: 1 – известковые водоросли; 2 – археоциаты; 3 – мелкораковинная фауна; 4 – крибрициаты; 5 – проблематика
Fig. 5. Symbols for Fig. 2–4. Lines and boundaries: 1 – alignment line, the sole of the Osinskaya subformation; 2 – reliable boundaries of bundles inside the Osinskaya subformation; 3 – assumed boundaries of bundles. Pack number (4). Lithology: 1 – dolomitic and dolomitic limestones; 2 – calcareous and calcareous dolomites; 3 – clay dolomites; 4 – carbonate breccias; 5 – dolomitic anhydrites and anhydrites. Types of rocks: 1 – dolomite flat-pebble conglomerate; 2 – dolomites calcareous to dolomitic limestones, crystalline, relict small-block (grainstone); 3 – rocks with non-preserved primary structure; 4 – micrite rocks with madstone structure; 5 – microphytolite rocks with paktsoun structure; 6 – microphytolite rocks with grainstone structure; 7 – relict-small-block rocks with grainstone structure; 8 – relict-microbial rocks with boundstone structure; 9 – organogenic-microbial rocks (cyanobacterial-algae), including stratified stromatolites or biolaminites, with a boundstone structure; 10 – karst crushed-block breccia of dolomitic, halitic and microbial limestones; 11 – microbial-algal rocks with a boundstone structure; 12 – stromatolite rocks with a bindstone structure. Distribution of rock types by sedimentation conditions: 1 – subaeral break (supralitoral); 2 – sebha on the supralitoral; 3 –upper littoral; 4 – lower littoral; 5 – upper sublitoral; 6 – lower sublitoral. Paleontological finds: 1 – calcareous algae; 2 – archaeocyates; 3 – small-scale fauna; 4 – cribritiates; 5 – problematics
Зональность осинского шельфа
Анализ карт толщин, материалов сейсморазведки, ГИС и керна на большой площади юга и центра НБА позволил выделить и дифференцировать три зоны (макрофации), характеризующиеся определенным набором признаков.
Относительно глубоководная зона характеризовалась некомпенсированным осадконакоплением. Соответствует глубинам сублиторали в пределах шельфа. Локализовалась, по-видимому, в депрессионных впадинах и прогибах на мелководном шельфе (рис. 1, с). Литологически разрез представлен карбонатными глинистыми породами с прослоями зернистых и обломочных пород. От центральной части глубоководных зон к их периферии могут появляться одиночные биогермы. Биогермы представлены в основном конусовидными высокими, но небольшими по площади, органогенными постройками типа башен (пиннаклы по английской терминологии). Мощность до 100 м. Разрез краевой части такого пиннакла изучен в скв. 5Х на юго-западе Непского свода (рис. 4).
Краевая зона карбонатной платформы характеризуется повышенными толщинами, изрезанностью, неоднородностью, увеличивающимися в сторону глубоководной зоны, которую она окаймляет, и простирается в субмеридиональном направлении через Большетирское, Ичединское месторождения до свода НБА, где далее разворачивается в субширотном направлении и простирается на 130 км, заканчиваясь на Талаканском месторождении (рис. 1, с). Ширина зоны в поперечнике может достигать 4,5–11 км.
Во фронтальной части краевой зоны располагаются шлейфовые образования (склоновая часть краевой зоны). Примером служит скважина Западно-Ярактинская 361, описанная в работе [2]. Отложения представлены карбонатными зернистыми (преимущественно грейнстоун, рудстоун) и обломочными (флоатстоун) разностями с прослоями карбонатно-глинистых (мадстоун, вакстоун) пород. Мощность отложений в изученной скважине составляет 38 м.
Разрезы органогенных построек краевой зоны карбонатной платформы имеют сложное строение и неравномерную структуры. Преобладают органогенные породы. Они изучены в скважинах Западно-Ярактинская 45 [2], Большетирская 7 [1], а также 1X, 2Х, ЗХ, 4Х. Мощность отложений колеблется в диапазоне от 70 до 115 м, закономерно сокращаясь в сторону мелководья (рис. 2, 3).
Мелководная зона характеризуется средними и уменьшенными мощностями осинской подсвиты, карбонатным зернистым и глинистым составом отложений с маломощными одиночными биогермами изометричной и неправильной формы типа пэтч-риф. Мощность отложений колеблется в диапазоне 55–75 м. Разрез мелководной зоны изучен в скв. 6Х (рис. 4).
Строение и условия формирования
Осинская подсвита имеет трехчленное строение и разделяется исследователями на три пачки, или секвенса [1]. Далее по тексту авторы рассмотрят особенности строения каждой из пачек в зависимости от зоны шельфа.
Нижняя пачка (1) представлена известняками, реже доломитами (зернистыми, органогенными и обломочными) с прослоями карбонатно-глинистых и сульфатно-карбонатных пород. Накопление отложений происходило в условиях приливно-отливной равнины открытого мелководного шельфа. По керну диагностированы фации литорали и верхней (мелководной) сублиторали. Мощность пачки изменяется от первых метров до первых десятков метров. Вариации мощностей обусловлены унаследованным от предыдущего этапа рельефом дна и гидродинамическим режимом. Согласно схеме корреляции, показанной на (рис. 2–4), видно, что мощность отложений пачки в скважинах, попавших в зону краевой части карбонатной платформы, выше, чем в других скважинах. При этом дифференциация зон оскопления еще не произошла.
Средняя пачка (2) представлена карбонатно-глинистыми и глинисто-карбонатными породами в глубоководной зоне, карбонатными (зернистыми, органогенными и обломочными) породами в краевой зоне и карбонатными (органогенными и зернистыми) в мелководной зоне. Накопление отложений связано со вторым этапом осадконакопления. В это время общая трансгрессия достигла максимума и способствовала активной дифференциации отложений шельфа в период седиментации осинского горизонта. Далее по тексту рассмотрим особенности строения пачки в различных зонах.
Глубоководная зона с одиночными биогермами. В разрезе одиночного биогерма преобладают органогенные и органогенно-обломочные доломиты и известняки слоистые и пятнистые водорослевые, микрофитолитовые, сгустково-комковатые. Мощность отложений значительно меньше, чем в зоне краевой части карбонатной платформы, так как скважина вскрыла краевую часть.
Краевая зона карбонатной платформы. В разрезе склоновой части доминируют обломочные и органогенные доломиты. Разрезы органогенных построек представлены главным образом доломитами и известняками органогенными водорослевыми и микробиальными (баундстоунами), образующими каркасные постройки краевой зоны мощностью порядка 40–60 м. В скважинах Западно-Ярактинская 45, Большетирская 7, ЗХ и 2Х, как показано на рис. 2, в верхней части хорошо выражена и прослеживается по ГИС зона карста между 2 и 3 пачками мощностью до 20 м.
Мелководная зона в разрезе скважины 6Х представлена доломитами зернистыми (преимущественно пакстоун) с прослоями баундстоунов. Формирование отложений происходило в приливно-отливных и супралиторальных условиях. Разделение на пачки в донном разрезе дискуссионно.
Верхняя пачка (3) представлена карбонатными и карбонатно-глинистыми обломочными, органогенными, зернистыми породами, а также сульфатами. Накопление отложений связано с высоким и стабильным уровнем моря. Далее по тексту рассмотрим особенности строения пачки в различных зонах.
Глубоководная зона. В разрезе преобладают глинисто-карбонатные породы.
Краевая зона карбонатной платформы. В разрезе склоновой части доминируют доломиты обломочные. Разрезы органогенных построек представлены главным образом известняками, реже доломитами органогенными, образующими постройки мощностью порядка 30–50 м. Изменение в строении наблюдается в скважинах 2X и 1X. В 2Х наблюдается переход на более мелководные отложения (переходный подтип). В переходном подтипе наблюдается наличие прослоев грейнстоунов от слабоволнистых до косослоистых и пачка пластовых строматолитов с повышенными значениями гамма-каротажа. В скважине IX наблюдаются пластовые ангидриты, по-видимому, сформировавшиеся в изолированных условиях забарьерной лагуны.
Мелководная зона представлена карбонатнымизернистыми породами с прослоями глинисто-карбонатных и ангидритов. Обстановки схожи со второй пачкой.
Биостратиграфическая характеристика
При микроскопическом изучении палеонтологических остатков керна скважин осинской подсвиты усольской свиты раннего кембрия центральной и южной части НБА (скважины: Западно-Ярактинская № 45, 361, Большетирская № 7X, 3X, 2Х, 4X, 5X, 6X) отчетливо выделяются комплексы органических остатков (известковые водоросли, археоциаты, крибрициаты, мелкораковинная фауна) (рис. 6, 7). Проведенный палеонтологический и биостратиграфический анализ подтверждает раннекембрийский возраст вмещающих отложений.
Рис. 6. Фототаблица палеонтологических находок из осинской подсвиты. Фиг. 1. Archaeocyatha. шл. № 132645 гл. 2955,52 м; Фиг. 2. Archaeocyatha. шл. № 132662 гл. 2969,57 м; Фиг. 3. Namacalathus sp. шл. № 132701 гл. 2997,68 м; Фиг. 4. Namacalathus sp. шл. № 132701 гл. 2997,68 м; Фиг. 5. Renalcis polymorphus. шл. № 132645 гл. 2955,52 м; Фиг. 6. Bija sp, Korilophyton sp. шл. № 132645 гл. 2955,52 м; Фиг. 7. Renalcis granosus. шл. № 129414 гл. 2113,80 м; Фиг. 8. Archaesphaera cambrica. шл. № 89 гл. 1787,63 м; Фиг. 9. Renalcis seriata, Renalcis granosus. шл. № 105698 гл. 23786,19 м; Фиг. 10. Renalcis levis. шл. № 105703 гл. 2379,33 м; Фиг. 11. Chabakovia sp. шл. № 129414 гл. 2113,80 м; Фиг. 12. Ramifir sp. шл. № 105703 гл. 2379,33 м; Фиг. 13. Archaeocyatha. шл. № 132664 гл. 2970,50 м; Фиг. 14. Renalcis seriata. шл. № 132685 гл. 2991,33 м; Фиг. 15. Korilophyton sp. шл. № 132662 гл.
Fig. 6. Photo table of paleontological finds from the Osinskaya subformation. Fig. 1. Archaeocyatha. schl. no. 132645 chl. 2955.52 m; Fig. 2. Archaeocyatha. schl. no. 132662 hl. 2969.57 m; Fig. 3. Namacalathus sp. shl. no. 132701 hl. 2997.68 m; Fig. 4. Namacalathus sp. fl. no. 132701 hl. 2997.68 m; Fig. 5. Renalcis polymorphus. fl. no. 132645 hl. 2955.52 m; Fig. 6. Bija sp., Korilophyton sp. sl. no. 132645 hl. 2955.52 m; Fig. 7. Renalcis granosus. fl. no. 129414 hl. 2113.80 m; Fig. 8. Archaesphaera cambrica. fl. no. 89 hl. 1787.63 m; Fig. 9. Renalcis seriata, Renalcis granosus. fl. no. 105698 hl. 23786.19 m; Fig. 10. Renalcis levis. fl. no. 105703 hl. 2379.33 m; Fig. 11. Chabakovia sp. fl. no. 129414 hl. 2113.80 m; Fig. 12. Ramifir sp. fl. no. 105703 hl. 2379.33 m; Fig. 13. Archaeocyatha. fl. no. 132664 hl. 2970.50 m; Fig. 14. Renalcis seriata. fl. no. 132685 hl. 2991.33 m; Fig. 15. Korilophyton sp. fl. no. 132662 hl.
Рис. 7. Фототаблица палеонтологических находок из осинской подсвиты. Фиг. 1. Dubius uncatus. шл. № 140692 гл. 2602,69 м; Фиг. 2. Ramifir angulosus. шл. № 140724 гл. 2633,39 м; Фиг. 3. Botomaella sp. шл. № 140716 гл. 2626,54 м; Фиг. 4. Epiphyton scapulum. шл. № 140800 гл. 2684,48 м; Фиг. 5. Archaeocyatha. шл. № 140806 гл. 2688,80 м; Фиг. 6. Renalcis seriata. шл. № 140808 гл. 2690,65 м; Фиг. 7. Renalcis seriata. шл. № 140830 гл. 2712,42 м; Фиг. 8. Renalcis polymorphus. шл. № 140830 гл. 2712,42 м; Фиг. 9. Renalcis granosus. шл. № 140808 гл. 2690,65 м; Фиг. 10. Korilophyton inopinatum. шл. № 140802 гл. 2686,05 м; Фиг. 11. Renalcis levis. шл. № 140763 гл. 2661,59 м; Фиг. 12. Namacalathus sp. шл. № 118398 гл. 2567,65 м; Фиг. 13. Namacalathus. шл. № 110540 гл. 2488.72 м; Фиг. 14. Tubophyllum viktorii. шл. № 140814 гл. 2696,52 м. Фиг. 1–11, 14 – 3Х. Фиг. 12 – Западно-Ярактинская 361; 13 – Западно-Ярактинская 45
Fig. 7. Photo table of paleontological finds from the Osinskaya subformation. Fig. 1. Dubius uncatus. shl. no. 140692 hl. 2602.69 m; Fig. 2. Ramifir angulosus. fl. no. 140724 hl. 2633.39 m; Fig. 3. Botomaella sp. fl. no. 140716 hl. 2626.54 m; Fig. 4. Epiphyton scapulum. fl. no. 140800 hl. 2684.48 m; Fig. 5. Archaeocyatha. fl. no. 140806 hl. 2688.80 m; Fig. 6. Renalcis seriata. fl. no. 140808 hl. 2690.65 m; Fig. 7. Renalcis seriata. shl. no. 140830 hl. 2712.42 m; Fig. 8. Renalcis polymorphus. fl. no. 140830 hl. 2712.42 m; Fig. 9. Renalcis granosus. vll. no. 140808 hl. 2690.65 m; Fig. 10. Korilophyton inopinatum. ch. no. 140802 ch. 2686.05 m; Fig. 11. Renalcis levis. ch. 140763 ch. 2661.59 m; Fig. 12. Namacalathus sp. ch. no. 118398 ch. 2567.65 m; Fig. 13. Namacalathus. ch. 110540 ch. 2488.72 m; Fig. 14. Tubophyllum viktorii. sch. no. 140814 hl. 2696.52 m. Figs. 1–11, 14 – 3X. Figs. 12 – Zapadno-Yaraktinskaya 361; 13 – Zapadno-Yaraktinskaya 45
В отложениях, вскрытых скважиной Западно-Ярактинская № 45, ранее нами были обнаружены и определены остатки известковых водорослей (цианобактерий): Renalcis polymorphum, Renalcis levis, Botomaella zelenovi, Epiphyton zonatum Korde, Epiphyton celsum, Epiphyton scapulum, Chabakovia ramosa, Chabakovia nodosa, а также мелкораковинная фауна Namacalathus sp (рис. 6, фиг. 13). В скважине № 361 – известковые водоросли Renalcis polymorphum, Renalcis granosus, Renalcis sp, Renalcis levis, Renalcis seriata, Korilophyton sp (рис. 7, фиг. 15), Chabakovia sp и SSF Namacalathus Grotzinger (рис. 7, фиг. 12). С глубинами обнаруженных остатков можно познакомиться в публикации [2].
Скважина Большетирская № 7. Археоциаты рода Nochoroicyathus Zhur. и известковые водоросли Renalcis polymorphum, Renalcis gelatinosum, Renalcis granosum, Botomaella zelenovi. Помимо этого, встречена мелкораковинная фауна рода Namacalathus Grotzinger, Watters et Knoll. [1].
Скважина 3X. Известковые водоросли: Botomaella sp (рис. 7, фиг. 3), Epiphyton scapulum (рис. 7, фиг. 4), Epiphyton zonatum, Renalcis seriata (рис. 7, фиг. 6, 7), Renalcis polymorphus (рис. 7, фиг. 8), Renalcis granosus (рис. 6, фиг. 9), Renalcis levis (рис. 7, фиг. 11), Korilophyton inopinatum (рис. 7, фиг. 10), Tubophyllum viktorii (рис. 7, фиг. 14), Chabakovia sp; крибрициатиды: Dubius uncatus (рис. 7, фиг. 1), Ramifir angulosus (рис. 7, фиг. 2), а также археоциаты отряда Ayacicyathida (рис. 7, фиг. 5).
Скважина 2X. Известковые водоросли: Renalcis polymorphus (рис. 6, фиг. 5), Renalcis seriata (рис. 6, фиг. 14), Bija sp (рис. 6, фиг. 6), Korilopyton sp (рис. 6, фиг. 6); археоциаты (рис. 6, фиг. 1, 2, 13), мелкораковинная фауна Namacalathus sp (рис. 6, фиг. 3, 4).
Скважина 4X. Известковые водоросли: Renalcis levis (рис. 6, фиг. 10), Renalcis seriata, Renalcis granosus; крибрициатиды: Ramifir sp (рис. 6, фиг. 12); мелкораковинная фауна Namacalathus sp.
Скважина 5X. Известковые водоросли: Renalcis granosus, Renalcis polymorphus, Chabakovia sp (рис. 6, фиг. 11).
Скважина 6X. Проблематика (фораминиферы?) Archaesphaera cambrica (рис. 6, фиг. 8).
Представители мелкораковинной фауны рода Namacalathus Grodzinger характерны для эдиакарских отложений по всему миру [23–28]. Нами впервые они были обнаружены и описаны совместно с археоциатами в керне скважины Большетирская № 7 [1], что говорит и о ее раннекембрийском возрасте.
Согласно полученным результатам исследований выявлена следующая приуроченность палеонтологических находок, представленная в таблице.
Таблица. Приуроченность палеонтологических находок к макрофациям и пачкам
Table. Relevance of paleontological findings to macrophages and kidneys
Скважина Well | Макрофация Macrofation | Пачка Member | Палеонтологические находки/Paleontological finds |
№ 361 | Склоновая часть краевой зоны Slope part of the marginal zone | Нижняя Lower | Известковые водоросли Renalcis polymorphum, Renalcis granosus, Renalcis sp, Renalcis levis, Renalcis seriata, Korilophyton sp, Chabakovia sp, и SSF Namacalathus Grotzinger Calcareous algae Renalcis polymorphum, Renalcis granosus, Renalcis sp, Renalcis levis, Renalcis seriata, Korilophyton sp, Chabakovia sp, and SSF Namacalathus Grotzinger |
№ 45 | Краевая зона карбонатной платформы Marginal zone of the carbonate platform
| Верхняя Upper | Остатки известковых водорослей (цианобактерий) Renalcis polymorphum, Renalcis levis, Botomaella zelenovi, Epiphyton zonatum Korde, Epiphyton celsum, Epiphyton scapulum, Chabakovia ramosa, Chabakovia nodosa; мелкораковинная фауна Namacalathus sp Remains of calcareous algae (cyanobacteria) Renalcis polymorphum, Renalcis levis, |
№ 7 | Средняя Medium | Археоциаты рода Nochoroicyathus Zhur.; известковые водоросли Renalcis polymorphum, Renalcis gelatinosum, Renalcis granosum, Botomaella zelenovi; Archaeocyaths of the genus Nochoroicyathus Zhur.; calcareous algae Renalcis | |
3X | Верхняя Upper | Крибрициатиды: Dubius uncatus, Ramifir angulosus; археоциаты Cribriciatids: Dubius uncatus, Ramifir angulosus; archaeocyathids | |
Средняя Medium | Epiphyton scapulum, Epiphyton zonatum, Renalcis seriata, Renalcis polymorphus, | ||
2X | Средняя Medium | Известковые водоросли: Renalcis polymorphus, Bija sp, Korilopyton sp; археоциаты Calcareous algae: Renalcis polymorphus, Bija sp, Korilopyton sp; archaeocyaths | |
Нижняя Lower | Мелкораковинная фауна Namacalathus sp., Renalcis seriata Small crustacean fauna Namacalathus sp., Renalcis seriata | ||
4X | Средняя Medium | Известковые водоросли: Renalcis levis, Renalcis seriata, Renalcis granosus; Calcareous algae: Renalcis levis, Renalcis seriata, Renalcis granosus; | |
5X | Пиннаклы на относительно глубоководной зоне Рinnacles in a relatively deep-water area | Верхняя Upper | Известковые водоросли: Renalcis granosus, Renalcis polymorphus, Chabakovia sp. Calcareous algae: Renalcis granosus, Renalcis polymorphus, Chabakovia sp.
|
6X | Мелководная часть карбонатной платформы Shallow part of the carbonate platform | Средняя Medium | Проблематика (фораминиферы?) Archaesphaera cambrica. Problematics (foraminifera?) Archaesphaera cambrica.
|
Заключение
- Проведение региональных геологоразведочных работ на НБА позволило выделить, проследить и впервые описать три зоны осадконакопления – глубоководную, краевую и мелководную. Глубоководная зона характеризовалась некомпенсированным осадконакоплением с одиночными рифами. Локализовалась, по-видимому, в депрессионных впадинах и прогибах. Ее окаймляла краевая зона карбонатной платформы. Она характеризуется повышенными толщинами, связанными с площадными рифами. За ней располагалась мелководная зона, характеризующаяся средними и уменьшенными мощностями осинской подсвиты, карбонатным зернистым и глинистым составом отложений с маломощными одиночными рифами. Краевая зона карбонатной платформы, имеющая протяженное распространение, не противоречит работам предшественников и согласуется с Чамбинско-Алтыбско-Мирнинской и Верхнетохомско-Катско-Пилюдинской зонами распространения рифоподобных органогенных построек [29].
- На примере изученных скважин описано строение трех пачек согласно литолого-фациальному профилю. Приведен авторский вариант проведения границ пачек. Перспективы обнаружения коллекторов в глубоководной зоне связаны с одиночными постройками. В краевой зоне связаны как с площадным биогермом, так и с отложениями передового шлейфа (склоновыми отложениями). В мелководной зоне – как с детритовыми отложениями, так и с мелкими биогермами. Главным условием является отсутствие вторичного засолонения и сульфатизации пустотного пространства коллекторов.
- Представлены данные приуроченности палеонтологических находок к выделенным зонам осадконакопления и пачкам. В формировании второй и третей пачек, краевой зоны карбонатной платформы участвовали водоросли, диагностированные в баундстоунах, а значит автохтонные. Археоциаты диагностированы в детритовых карбонатных породах второй пачки (аллохтонные) в скв. № 7 и автохтонные в баундстоунах скв. 2Х. Крибрициаты диагностированы в баундстоунах третьей пачки (автохтонные).
- Археоциаты, крибрициаты, намакалатусы, известковые водоросли, изученные из керна скважин Западно-Ярактинская № 45, 361, Большетирская № 7, 3Х, 2Х, 4Х, 5Х, 6Х, являлись основными эдификаторами раннекембрийских органогенных построек (биостромы, биогермы, биогермные массивы, рифогенные образования) [30]. Для этой биоты характерны небольшие глубины (первые десятки метров, фотическая зона) литорали–сублиторали. Полученные палеонтолого-биостратиграфические данные подтверждают и существенно дополняют результаты проведенного литолого-фациального исследования.
- Выделенные зоны осинского шельфа (относительно глубоководная, краевая часть и мелководная часть карбонатной платформы) в первую очередь отличаются характером захоронения организмов. В биогермах и биостромах мы находим в первую очередь автохтонную биоту. Зернистые осадки, в частности мелководной зоны, характеризуются аллохтонной биотой. Выделение биофаций для характеристики разных типов разреза затруднено неравномерной доломитизацией разреза. В известняках мы можем увидеть и определить больше биоты, чем в доломитах.
About the authors
Dmitry A Tokarev
Trofimuk Institute of Petroleum Geology and Geophysics, Siberian Branch Russian Academy of Sciences; Novosibirsk State University
Email: Tokarevda@ipgg.sbras.ru
Cand. Sc., Senior Researcher, Trofimuk Institute of Petroleum Geology and Geophysics, Siberian Branch Russian Academy of Sciences; Senior Lecturer, Novosibirsk State University
Russian Federation, 3, Academician Koptyug avenue, Novosibirsk, 630090; 1 Pirogov street, Novosibirsk, 630090Aleksey V. Plusnin
University of Tyumen
Author for correspondence.
Email: a.v.plyusnin@mail.ru
ORCID iD: 0000-0002-2386-0287
Cand. Sc., Senior Researcher
Russian Federation, TyumenAlexander A. Terleev
Trofimuk Institute of Petroleum Geology and Geophysics, Siberian Branch Russian Academy of Sciences
Email: Terleevaa@ipgg.sbras.ru
Cand. Sc., Senior Researcher
Russian Federation, 3, Academician Koptyug avenue, Novosibirsk, 630090Dmitry A. Staroselets
University of Tyumen
Email: d_star1997@mail.ru
Postgraduate Student, Laboratory Researcher
Russian Federation, TyumenEvgeniy V. Nikulin
University of Tyumen
Email: nikulinev80@gmail.com
Postgraduate Student, Laboratory Researcher
Russian Federation, TyumenIgor V. Afonin
Tomsk State University
Email: heaven05@list.ru
Cand. Sc., Senior Researcher
Russian Federation, 36, Lenin avenue, Tomsk, 634050Ekaterina A. Agasheva
Tomsk State University
Email: ekaterinaagasheva@gmail.com
Research Engineer
Russian Federation, 36, Lenin avenue, Tomsk, 634050References
- Nikulina M.Yu., Myshevsky N.V., Nikulin E.V. Classical and anomalous objects identified as a result of geological exploration on the territory of the Irkutsk Oil Company. Oil economy-Oil industry, 2020, vol. 9, pp. 26–29. (In Russ.)
- Tokarev D.A., Plyusnin A.V., Terleev A.A., Ivanova N.A., Varaksina I.V., Lipyanina A.V. New results of complex lithological-facies and biostratigraphic study of the Osinsky horizon of the Lower Cambrian of the southern Siberian platform (well Bolshetirskaya no. 7). Geology and mineral resources of Siberia, 2021, vol. 2, pp. 11–20. (In Russ.)
- Tokarev D.A., Plusnin A.V., Terleev A.A. New results of comprehensive lithologic-facial and biostratigraphic study of the Osin horizon of the Lower Cambrian of the southern Siberian platform (wells West Yaractinian 45, 361). Bulletin of the Tomsk Polytechnic University. Geo Assets Engineering, 2022, vol. 333, no. 4, pp. 157–167. (In Russ.)
- Tokarev D.A., Terleev A.A., Plusnin A.V. Calcareous algae (cyanobacteria) of the Usolian Formation of the Lower Cambrian of the southern Siberian Platform (new data on Ichedinskaya well No. 45). Theoretical and applied aspects of paleontology. Materials of LXVII session of paleontological society at RAS. St.-Petersburg, Vseghei Publ., 2021. pp. 82–84. (In Russ.)
- Vishnyakov S.G. Genetic types of dolomite rocks of the northwestern margin of the Russian Platform. Proceedings of the Geological Institute of the USSR Academy of Sciences, 1956, vol. 4, pp. 209–225. (In Russ.)
- Kirkinskaya V.N., Smekhov Ε.Μ. Carbonate rock-reservoirs of oil and gas. Leningrad, Nedra Publ., 1981. 255 p. (In Russ.)
- Kuznetsov V.G. Lithology – fundamentals of general (theoretical) lithology. Moscow, Nauchniy mir Publ., 2011. 360 p. (In Russ.)
- Maslov A.V. Sedimentary rocks: methods for studying and interpreting the data obtained. Ekaterinburg, UGGU Publ., 2005. 289 p. (In Russ.)
- Teodorovich G.I. Autigenic minerals of sedimentary rocks. Moscow, Gostoptehizdat Publ., 1958. 572 p. (In Russ.)
- Dunham R.J. Classification of carbonate rocks according to deposition texture. Classification of Carbonate rocks. Simposium Amer. Assoc. Petrol. Geol. Mem. Tulsa, 1962. pp. 108–121.
- Flügel E., Flügel-Kahler E. Phanerozoic reef evolution: basic questions and data base. Facies, 2003, vol. 26. pp. 167–277.
- Wilson J.L. Carbonate facies in geological history. Moscow, Nedra Publ., 1980. 463 p. (In Russ.)
- Einsele G. Sedimentary basins: evolution, facies and sediment budget. Berlin, Springer-Verlag Publ., 2000. 792 p.
- Stanley G. The history and sedimentology of ancient reef systems. New York, Kluwer Academic, 2001. 458 p.
- Catuneanu O. Principles of sequence stratigraphy. 2nd ed. Amsterdam, Elsevier Publ., 2022. 486 p.
- Ferreira D., Lupinacci W. Advanced techniques for 3d reservoir characterization: models for the Buzios field, Santos basin. Niterói, Universidade Federal Fluminense, 2022. 116 p.
- Tucker M.E. Shallow-marine carbonate facies and facies models Geological Society. London, Special Publications, 1985. Vol. 18, pp. 147–169.
- Alonso-Zarza A.M., Tanner L.H. Carbonates in continental settings: facies, environments, and processes. Amsterdam, Elselvier, 2010. 381 p.
- Melnikov N.V., Shabanov Yu.Ya., Shabanova O.S. Stratigraphic scheme of the Cambrian deposits of the Turukhano-Irkutsko-Olekminsky region of the Siberian Platform. Geology and Geophysics, 2010, vol. 51. pp. 863–875. (In Russ.)
- Zharkov M.A., Khomentovsky V.V. Basic issues of the Lower Cambrian and Vendian stratigraphy of the South Siberian Platform in relation to salinity. Bulletin of the MEP, Department of Geology, 1965, no. 1, pp. 110–118. (In Russ.)
- Melnikov N.V. Vendian-Cambrian saline basin of the Siberian platform (stratigraphy, development history). Novosibirsk, Siberian Branch of RAS Publ. House, 2009. 146 p. (In Russ.)
- Fortunatova N.K., Shvets-Teneta-Guriy A.G., Larkin V.N. Structure and prospects of oil and gas potential of the Vendian-Lower Cambrian deposits of the Nepa-Botuoba anteclise and its framing. Geology of Oil and Gas, 2010, vol. 5, pp. 54–61. (In Russ.)
- Grotzinger J.P., Watters W.A., Knoll A.H. Calcified metazonas in thrombolite-stromatolite reefs in the terminal Proterozoic Nama Group, Namibia. Paleobiology, 2000, vol. 26, pp. 334–359.
- Gordadze G.N., Giruts M.V., Poshibaeva A.R., Postnikova O.V., Poshibaev V.V., Antipova O.A., Rudakovskaya S.Yu., Koshelev V.N., Martynov V.G. Carbonate reservoir as a source rock. Journal of Siberian Federal University. Chemistry, 2018, vol. 11, no. 4, pp. 575–592.
- Hofmann H.J., Mountjoy E.W. Namacalathus-Cloudina assemblage in Neoproterozoic Miette Group (Byng Formation), British Columbia: Canada's oldest shelly fossils. Geology, 2001, vol. 29, pp. 1091–1094.
- Terleev A.A., Postnikov A.A., Tokarev D.A., Sosnovskaya O.V., Bagmet G.N. Cloudina-Namacalathus-Kolophyton association in the Vendian of Altai-Sayan Foldbelt (Siberia). Neoproterozoic sedimentary basins: stratigraphy, geodynamics and petroleum potential. Proc. of the International conference. Novosibirsk, 30 July – 02 August, 2011. pp. 96–98.
- Calcareous algae and stromatolites: systematics, biostratigraphy, facial analysis. Eds. V.N. Dubatolov, T.A. Moskalenko. Novosibirsk, Nauka Publ., 1988. 228 p. (In Russ.)
- Warren J.K. Evaporites: a compendium. Berlin, Springer, 2016. 1854 p.
- Shemin G.G. Model of structure, formation conditions and prospects of oil and gas bearing capacity with allocation of objects of prospecting and evaluation works of Osinskiy horizon of Lower Cambrian of central regions of Siberian platform. Geo-Siberia, 2008, vol. 5, pp. 100–104.
- Grazhdankin D.V., Karlova G.A., Klets A.G., Kontorovich V.A., Saraev S.V., Terleev A.A., Belyaev S.Yu., Varaksina I.V., Efimov A.S., Kochnev B.B., Nagovitsin K.E., Postnikov A.A., Filippov Yu.F. Section of transitional Vendian-Cambrian deposits of the eastern part of the West Siberian geosyneclise (according to the results of drilling of the parametric well Vostok-3). Geology and Geophysics, 2008, no. 12, pp. 1238–1247. (In Russ.)
Supplementary files








