Electromechanical processes in electric power steering system based on permanent magnet synchronous motor
- Authors: Garganeev A.G.1, Ibrahim A.2, Ulyanov D.I.1, Antropov A.A.2
-
Affiliations:
- National Research Tomsk Polytechnic University
- Research and Development center JSC Murom Machine-Building Plant
- Issue: Vol 335, No 9 (2024)
- Pages: 128-136
- Section: Articles
- URL: https://medbiosci.ru/2500-1019/article/view/268786
- DOI: https://doi.org/10.18799/24131830/2024/9/4724
- ID: 268786
Cite item
Full Text
Abstract
Relevance. Electric power steering of vehicles successfully competes with hydraulic boosters of similar purposes, showing high efficiency, energy saving and environmental friendliness.
Aim. To study and research electromechanical processes of electric power steering system based on permanent magnet synchronous motor.
Methods. Mathematical and numerical modeling using the Matlab/Simulink software package.
Results. The article discusses the operating modes of an electric power steering based on an electric motor with permanent magnets. The authors analyzed two classic schemes for constructing steering systems with electric power steering – with the electric motor placed on the steering column and on the steering rack. Block diagrams of the mechanical and electrical parts of the steering system have been developed. Based on mathematical dependencies characterizing the operating modes of the steering system, a complete dynamic simulation model of the electric power amplifier was obtained on the MATLAB/Simulink platform. Based on a preliminary analysis of control methods and algorithms in the system to solve the problem of control stability, PI controllers with low-pass filters are implemented to regulate the current and voltage of the electric motor depending on the speed of the vehicle and the angle of rotation of the steering wheels. The simulation results were used to design a real electric power steering for a specific vehicle. Conclusions. The complete simulation model of an electric booster based on a synchronous motor with permanent magnets in a car steering system obtained by the authors adequately reflects the dynamic control processes and can be used in the design of automotive vehicles.
Keywords
Full Text
Введение
Электроусилители рулевого управления («электроусилитель руля» – ЭУР) транспортных средств (ТС) успешно конкурируют с аналогичными по назначению гидроусилителями, показывая высокую эффективность, экономию энергии и экологичность [1, 2]. Существенным преимуществом систем управления с ЭУР является возможность изменения уровня управляющего усилия на рулевом колесе при изменении скорости движения ТС (рис. 1). В составе электромеханической системы ЭУР для создания компенсирующего момента могут применяться различные виды электрических машин, однако используемый в настоящее время синхронный двигатель с постоянными магнитами (Permanent Magnet Synchronous Motor – PMSM) имеет ряд преимуществ над другими, например, высокие удельные показатели мощности и крутящего момента [3]. В зависимости от расположения PMSM в трансмиссии различают «колонные» (размещение на рулевой колонке) и «реечные» (размещение на рулевой рейке) [4, 5]. В колонном исполнении PMSM устанавливается вместе с редуктором на рулевой колонке. В «реечной» конфигурации электродвигатель соединен непосредственно с валом рейки через редуктор [6].
Рис. 1. Характеристики ЭУР и гидросистемы
Fig. 1. General characteristics of electric power steering system (EPS) and hydraulic system
Сигналы управления электродвигателем в составе ЭУР формируются в электронном блоке управления (ЭБУ), содержащем контроллер и инвертор напряжения. Алгоритмы, реализуемые в ЭБУ, могут использовать различные принципы, например линейно-квадратичное гауссово управление (Linear Quadratic Gaussian – LQG) [7], нечеткое управление [8, 9] или робастный регулятор (H∞) [10]. Однако, как правило, пропорциональные интегральные (ПИ) регуляторы, имея простую структуру, могут эффективно решать задачу управления движением ТС при легкой схемотехнической реализации [11, 12].
Цель исследования – электромеханические процессы в электроусилителе руля на основе синхронного двигателя с постоянными магнитами.
Механическая часть системы ЭУР
На рис. 2 представлены кинематические схемы ЭУР «колонного» и «реечного» типа. Обе схемы состоят из: рулевой колонки, датчика крутящего момента, рулевого колеса, дополнительного редуктора (например, червячного типа, шкива, шарико-винтовой пары – ШВП), реечной передачи.
Рис. 2. Кинематические схемы ЭУР: а) ЭУР колонного типа; б) ЭУР реечного типа почему на англ?
Fig. 2. Structure of EPS: a) column-type EPS; b) rack-type EPS
На основании кинематических схем на рис. 3 представлена расчетная схема механической части ЭУР [15].
Следует отметить, что первая конфигурация ЭУР подходит для компактных автомобилей с выходом усилия на рейке до 6 кН, а ЭУР «реечного» типа – для транспортных средств среднего и большого размера с высоким действующим усилием.
Рис. 3. Расчетная схема механической части ЭУР
Fig. 3. Mechanical design scheme of EPS model
Датчик крутящего момента измеряет входной крутящий момент, прикладываемый водителем к рулевому колесу, и контролирует положение рулевого колеса. Также датчик скорости ТС формирует сигнал его скорости движения. Эти сигналы поступают в ЭБУ для обработки и определяют величину вспомогательного (компенсирующего) крутящего момента, формируемого электродвигателем, что помогает снизить усилия водителя [13, 14].
Динамические процессы механической части ЭУР описываются следующими уравнениями:
, (1)
, (2)
, (3)
. (4)
Силу трения рулевой системы Fr, полученную из уравнения нелинейного движения, можно выразить следующим образом:
, (5)
где J1, Jm – моменты инерции рулевого колеса и колонки, ротора двигателя; φ1, φm, φr – углы поворота рулевого колеса, вала двигателя и шестерни и рейки; Td, Ts, Tassist – крутящий момент от водителя, крутящий момент рулевого управления, измеренный датчиком крутящего момента, и крутящий момент электродвигателя; C1, Cm – крутильные жесткости рулевой колонки и вала электродвигателя; B1, Bm – коэффициенты демпфирования рулевой колонки и электродвигателя; Br, Cr – коэффициенты демпфирования стойки и жесткости пружин и шин; Fr, Tsat – сила трения системы рулевого управления и момент самовыравнивания системы ЭУР; Mr, G, r, x – масса рейки, передаточное число двигателя, радиус шестерни и смещение рейки.
Рис. 4. Механизм самовыравнивания передних колес
Fig. 4. Mechanism of self-aligning torque (SAT) from the wheels
Момент самовыравнивания Tsat определяет механизм возврата колес в центральное положение после окончания поворота. Рис. 4 поясняет принцип оценки Tsat при самовыравнивании передних колес.
Эффект самовыравнивания колес в центральное положение после окончания поворота происходит в соответствии с выражениями:
(6)
, (7)
где α – угол поворота колеса относительно продольного положения корпуса автомобиля; М – масса автомобиля на одно колесо; L – длина оси поворота цапфы.
Из (6) можно заметить, что в состоянии покоя автомобиля (j = 0), самовозврата колес нет.
Рис. 5. Структурная схема механической части ЭУР
Fig. 5. Diagram of mechanical part electric power steering
На основе уравнений (1)–(7) структурная схема механической части ЭУР представлена на рис. 5.
Электрическая часть системы ЭУР
А. Моделирование электродвигателя
Математическое уравнение для моделирования PMSM в координатах DQ (8) имеет следующий вид [16, 17]:
(8)
где Rs – сопротивление статора; Ld, Lq – индуктивность СДПМ по продольной и поперечной осям; vd, dq – напряжение на клеммах статора по продольной и поперечной осям; id, iq – намагничивающий и активный ток двигателя соответственно; ψf – потокосцепление, создаваемое постоянным магнитом; ωe – электрическая угловая скорость.
Электромагнитный момент двигателя и уравнение движения PMSM (9)–(11) определяется следующим образом [17]:
, (9)
, (10)
, (11)
где p – количество пар полюсов; kt – постоянная крутящего момента двигателя; ωm – механическая угловая скорость ротора; Te, TL – электромагнитный и механический крутящий момент соответственно.
Б. Моделирование системы управления ЭУР
Для повышения комфорта и безопасности вождения ТС необходимо учесть связь между крутящим моментом на рулевом колесе и скоростью ТС [18, 19]. При линейной взаимосвязи тока и момента электродвигателя задание на момент в виде опорного тока Iref можно представить в следующем виде:
(12)
где k(v) – коэффициент скорости ТС.
Из системы уравнений (12) видно, что Tdo представляет собой минимальный крутящий момент, при котором датчик крутящего момента начинает процесс измерения. Зону (0≤Td<Tdo) можно рассматривать как «мертвую», в которой вспомогательный двигатель не оказывает никакого действия на механическую систему. Кроме того, датчик крутящего момента может выдавать сигнал до значения Tdmax, после этого его выход насыщается. По рекомендации авторов [1, 6, 8] минимальное и максимальное значения ощущения крутящего момента водителя находятся соответственно в диапазоне от 1 до 7 Нм. Стоит отметить, что рулевой механизм имеет максимальное сопротивление при неподвижном ТС, поэтому электродвигатель должен обеспечивать в этом режиме максимальный вспомогательный крутящий момент [20]. При увеличении скорости ТС сопротивление рулевого механизма будет уменьшаться, поэтому вспомогательный момент электродвигателя следует уменьшить (рис. 1). Чтобы обеспечить хорошее ощущение дороги, минимальная скорость ТС vmin обычно выбирается равной 0 км/ч, а максимальное значение vmax составляет 100 км/ч. Тогда общее уравнение коэффициента скорости ТС (13) можно представить, как:
. (13)
В качестве примера авторы исследовали спроектированный электродвигатель для ЭУР ТС массой 5 т. Когда скорость равна нулю, максимальный вспомогательный ток исследуемой системы ЭУР был равен 102 А, поэтому первый коэффициент a (14) можно рассчитать при максимальном крутящем моменте водителя следующим образом:
. (14)
Таблица 1. Значения коэффициента усиления от скорости автомобиля
Table 1. Assist coefficient under different velocities
Скорость автомобиля (км/ч) Vehicle speed (km/h) | k (v) |
0 | 17 |
20 | 10 |
40 | 8 |
60 | 5 |
80 | 3 |
100 | 0 |
В табл. 1 приведены результаты расчета коэффициента усиления при различных скоростях и максимальном крутящем моменте 7 Нм. Используя аппроксимацию кривой, можно получить два других коэффициента k (v) (15) следующим образом:
(15)
Рис. 6. Зависимости тока электродвигателя от требуемого компенсирующего момента
Fig. 6. Linear characteristics curve of EPS system
Таким образом, для любого типа ТС могут быть получены требуемые характеристики с последующим их использованием в контроллере системы ЭУР. В качестве примера на рис. 6 представлено семейство характеристик зависимости тока электродвигателя от требуемого компенсирующего момента при различных скоростях движения для ТС массой 5 т.
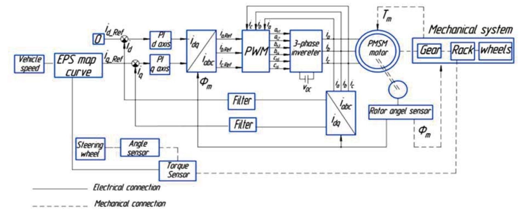
С. Структурная схема системы управления ЭУР
Рис. 7. Структурная схема системы управления ЭУР
Fig. 7. Structure of EPS
На рис. 7 показана структурная схема системы ЭУР. Вся система построена на известных принципах реализации векторного управления с добавлением новых механических связей и переменных и при учете функциональных зависимостей, представленных выше.
Токи вспомогательного электродвигателя содержат гармоническую составляющую, которая может вызвать автоколебания в системе ЭУР и неустойчивую работу системы. Поэтому в системе реализованы два фильтра нижних частот q, d тока с частотой среза 20 кГц. PMSM приводится в действие трехфазным инвертором напряжения с питанием от источника постоянного тока 48 В. Датчик Холла оценивает угол положения ротора двигателя PMSM. Коэффициенты усиления ПИ-регуляторов (16), (17) определялись по следующим уравнениям [17]:
, , (16)
, (17)
где kp_d, kp_q – коэффициенты усиления ПИ-регуляторов токов по осям d и q; Rs – сопротивление обмотки PMSM.
Полная система ЭУР и результаты
Система ЭУР была смоделирована с использованием платформы Matlab (рис. 8) с временем выборки 0,2 мкс.
Параметры электромеханической системы ЭУР, применяемые при моделировании, представлены в табл. 2.
Рис. 8. Полная система ЭУР в Matlab/simulink
Fig. 8. Matlab/simulink of the proposed EPS system
Таблица 2. Параметры системы ЭУР
Table 2. Parameters of EPS system
Параметр Parameter | Величина Value |
Сопротивление обмотки статора, Rs, Ом Stator winding resistance, Rs, Ohm | 0,0188 |
Число пар полюсов, p Number of pole pairs, p | 3 |
Потокосцепление постоянных магнитов на полюс Yf, Вб Flux linkage of permanent magnets per pole Yf, Wb | 0,0153 |
Индуктивность, Ld, мГн Inductance, Ld, mH | 0,0335 |
Индуктивность, Lq, мГн Inductance, Lq, mH | 0,0434 |
Момент инерции рулевого колеса и колонки, J1, кг м2 Moment of inertia of the steering wheel and column, J1, kg m2 | 0,0012 |
Жесткость торсионного вала, С1, Нм/рад Torsion shaft rigidity, C1, Nm/rad | 115 |
Коэффициент демпфирования упругих колебаний торсионного вала, В1, Нм/(рад/с) Damping coefficient of elastic vibrations of the torsion shaft, B1, Nm/(rad/s) | 0,26 |
Момент инерции электродвигателя Jm, кг м2 Electric motor inertia moment Jm, kg m2 | 0,00176 |
Жесткость электродвигателя, Сm, Нм/рад Electric motor stiffness, Cm, Nm/rad | 125 |
Коэффициент демпфирования электродвигателя Вm, Нм/(рад/с) Electric motor damping coefficient Вm, Nm/(rad/s) | 0,00003 |
Передаточное число редуктора двигателя, G Engine gear ratio, G | 2,9 |
Радиус шестерни r, м Gear radius r, m | 0,012 |
Масса рейки M, кг Rack weight M, kg | 22 |
Коэффициент демпфирования рейки Br, Н/(м/с) Rack damping coefficient Br, N/(m/s) | 653,203 |
Коэффициент жесткости шины Сr, Н/м Tire stiffness coefficient Cr, N/m | 1200 |
Постоянная крутящего момента двигателя km, Нм/А Engine torque constant km, Nm/A | 0,069 |
На рис. 9 показана реакция системы ЭУР при входном синусоидальном сигнале при нулевой скорости ТС. Как видно из рис. 9, электродвигатель создает компенсирующий момент лишь в том случае, если входной крутящий момент водителя превышает или равен 1 Нм.
Рис. 9. Результаты моделирования формирования моментов ЭУР при скорости автомобиля 0 км/ч
Fig. 9. Results of modeling the formation of power steering torques at a vehicle speed of 0 km/h
Электродвигатель с редуктором обеспечивает максимальный вспомогательный крутящий момент 18 Нм при входном крутящем моменте, равном 7 Нм, что помогает улучшить ощущение управления водителем. На рис. 10 показан соответствующий ток электродвигателя при неподвижном ТС.
Рис. 10. Фазный ток электродвигателя ЭУР в соответствии с рис. 9
Fig. 10. Phase current of the EPS electric motor in accordance with Fig. 9
Из рис. 10 можно сделать вывод, что ток двигателя имеет максимальное значение, когда крутящий момент равен 7 Нм. Пульсации крутящего момента и тока находятся в диапазоне +/– 1,2 %. На рис. 11 показана реакция системы ЭУР при входном линейном сигнале и скорости ТС 40 км/ч.
Рис. 11. Результаты моделирования системы ЭУР при скорости ТС 40 км/ч
Fig. 11. Simulation results of the input driver torque, motor torque and assist torque at a vehicle speed of 40 Km/h
Как видно из рис. 11, компенсирующий момент формируется исключительно током по оси q, так как конструкция электродвигателя не предполагает возникновения ослабления поля при изменении угла нагрузки. Поэтому регуляторы тока настроены на формирование нулевого значения тока по оси d.
Компенсирующий момент обратно пропорционален скорости автомобиля.
Рис. 12. Зависимость максимального компенсирующего момента от скорости движения автомобиля
Fig. 12. Dependence of maximum assist torque on the vehicle speed
На рис. 12 представлена зависимость максимального компенсирующего момента (при моменте на входном валу более 7 Нм) от скорости движения автомобиля.
Рис. 13. Смещение рулевой рейки ЭУР от центрального положения до точки остановки в соответствии с рис. 9
Fig. 13. Displacement of EPS system rack from central position to a rest point according to Fig. 9
На рис. 13 показано смещение рейки от центрального положения до точки остановки. Скорость рейки имеет значение 0,37 м/с для поворота колес при входном крутящем моменте водителя, равном 7 Нм, с эквивалентной силой, равной 11 кН.
Заключение
Проведенные исследования позволяют сделать вывод о том, что полученная авторами полная имитационная модель ЭУР на основе синхронного двигателя с постоянными магнитами в системе рулевого управления ТС адекватно отображает соответствующие динамические электромеханические процессы. Модель не только является инструментом исследования различных режимов работы и частей ЭУР, но и позволяет учитывать целый ряд параметров механической системы ТС, например массу, скорость, коэффициенты трения на различных поверхностях дорожного покрытия, характеристики шин и подвески, углы рулевой трапеции и т. п., что в конечном итоге ведет к повышению комфортности и безопасности вождения ТС.
About the authors
Alexandr G. Garganeev
National Research Tomsk Polytechnic University
Author for correspondence.
Email: tpbalex13@tpu.ru
Dr. Sc., Professor
Russian Federation, 30, Lenin avenue, Tomsk, 634050Ahmed Ibrahim
Research and Development center JSC Murom Machine-Building Plant
Email: ibragim_a@mmz.group
Cand. Sc., Senior Engineer, Research and Development center
Russian Federation, 8/8, Akademichesky avenue, Tomsk, 634055Dmitry I. Ulyanov
National Research Tomsk Polytechnic University
Email: diu3@tpu.ru
Postgraduate Student
Russian Federation, 30, Lenin avenue, Tomsk, 634050Anton A. Antropov
Research and Development center JSC Murom Machine-Building Plant
Email: antropov_aa@mmz.group
Deputy Director for Engineering and Technical Work, Research and Development center
Russian Federation, 8/8, Akademichesky avenue, Tomsk, 634055References
- Shi G., Zhao S., Min J. Simulation analysis for electric power steering control system based on permanent magnetism synchronization motor. Proc. of the 2nd International Conference on Electronic and Mechanical Engineering and Information Technology. France, 2012. pp. 1778–1783. doi: 10.2991/emeit.2012.394.
- Hiremath R.R., Isha T.B. Modelling and simulation of electric power steering system using permanent magnet synchronous motor. IOP Conf. Ser. Mater. Sci. Eng., 2019, vol. 561, no. 1.
- Arefiev V.A., Banov A.M., Bratchikov S.I., Boloyan N.A., Vershigora V.A., Kashkanov V.V., Mikheev Yu.V., Netesanov A.V., Salakhov M.Kh. Mathematical model of electric power steering. Problems of development of the automotive industry in Russia. Dokl. Intl. scientific-practical conf. Togliatti, October, 1998. pp. 123–129. (In Russ.).
- Korolev V.V. Electromechanical power steering system. Cand. Diss. Togliatti, 2005. 188 p. (In Russ.).
- Mohammed I.A., Hamza A. Electric power-assisted steering: a review. 2nd Int. Conf. IEEE Comput. Chapter, Niger, October 2019. pp.501–507.
- Lee J., Chang H.J., Ahn H.S. Explicit MPC for column-type EPS systems. IET Electr. Power Appl., 2020, vol. 14, no. 1, pp. 91–100.
- Ciarla V. Control of an Electronic Power Steering system for people with reduced mobility. University of Grenoble, 2014, vol. 14, no. 2, pp. 3–25.
- Sorial R.R., Soliman M.H., Hasanien H.M., Talaat H.E.A. A vector controlled drive system for electrically power assisted steering using hall-effect sensors. IEEE Access, 2021, vol. 9, pp. 116485–116499.
- Rodrigues M.R., Teixeira E.L.S., Santos M.M.D. Design of a parameterized model predictive control for electric power assisted steering. Control Eng. Pract., 2019 July, vol. 90, pp. 331–341.
- Du P.P., Su H., Tang G.Y. Active return-to-center control based on torque and angle sensors for electric power steering systems. Sensors (Switzerland), 2018, vol. 18, no. 3, pp. 1–12.
- Nemes R.O., Ruba M., Martis C. Integration of real-time electric power steering system Matlab/Simulink model into National Instruments VeriStand Environment. Proc. IEEE 18th Int. Conf. Power Electron. Motion Control. Romania, 2018. pp. 201–205.
- Li Z., Wenjiang W. Study on stability of electric power steering system. IEEE Int. Conf. Robot. Autom. Mechatronics. China, 2008. No. Csic, pp. 368–372.
- Xiaolin Zhang, Jiming Ma. Design and simulation of electric power steering system. Computer Simulation, March 2014, vol. 31, pp. 175–178.
- Liang Xiong, Heping Liu, Donglin Peng. A control strategy for automotive electric power steering system without torque senso. Automotive Engineering, August 2013, vol. 35, pp. 711–715.
- Toshihide Satake, Masahiko Kurishige, Noriyuki Inoue, Katsuya Ikemoto, Takayuki Kifuku, Kazumichi Tsutsumi. Evaluation of EPS Control Strategy Using Driving Simulator for EPS. SAE Technical paper. March 2003. doi: 10.4271/2003-01-0582.
- Zihui W., Zewei C. Zhiyuan H. Improved fast method of initial rotor position estimation for interior permanent magnet synchronous motor by symmetric pulse voltage injection. IEEE Access, 2020, vol. 8, pp. 59998–60007.
- Chernyshev A.Yu., Dementyev Yu.N., Chernyshev I.A. AC electric drive. Moscow, Yurayt Publ., 2022. 214 p. (In Russ.).
- Qiang Guo, Zhiping Dong, Heping Liu, Xiaoyao You. Nonlinear characteristics compensation of inverter for low-voltage delta-connected induction motor. Energies, 2020, vol. 13, no. 3, pp. 303–314.
- Gözü M., Ozkan B., Emirler M.T. Disturbance observer based active independent front steering control for improving vehicle yaw stability and tire utilization. Int J Autom Technol, 2022, vol. 23 (3), pp. 841–854.
- Nossier E., Ibrahim F., Abdelwahab M., AbdelAziz M. Multi-obstacle avoidance algorithm for autonomous vehicles. 16th International conference on computer engineering and systems (ICCES). Egypt, 2021. pp. 1–6.
Supplementary files














