Desing of an observer with real time monitoring speed and load torque for submersible induction motors
- Authors: Glazyrin A.S.1,2, Popov S.S.1,3, Popov E.I.4, Kopyrin V.A.4, Khamitov R.N.4,5, Filipas A.A.1, Timoshkin V.V.1, Beliauskene E.A.1, Kulesh Y.O.1, Bolovin E.V.1,6, Kovalev V.Z.2,1, Deneko M.V.7
-
Affiliations:
- National Research Tomsk Polytechnic University
- Yugra State University
- «NPF Mechatronica-Pro» LTD
- Industrial University of Tyumen
- Omsk State Technical University
- LLC «INT» of JSC «EleSy»
- Moscow Technical University of Communications and Informatics
- Issue: Vol 335, No 9 (2024)
- Pages: 203-219
- Section: Articles
- URL: https://medbiosci.ru/2500-1019/article/view/268855
- DOI: https://doi.org/10.18799/24131830/2024/9/4826
- ID: 268855
Cite item
Full Text
Abstract
Relevance. When operating submersible equipment for oil production in aggressive environments and transferring wells to the cyclic operation mode, a decrease in the service life of the submersible installation for oil production is observed. In the first case, this is due to the formation of salt deposits and clogging of the working parts of the electric pump with mechanical impurities. In the second case – an increase in the number of starts of the submersible electric motor. To solve the existing problems, it is possible to implement closed control systems for submersible electric motors based on state variable observers, which determines the relevance of the study.
Aim. To develop an observer with operational monitoring of the angular velocity of the rotor and the moment of resistance on the shaft of a submersible asynchronous motor at inconsistency of the initial conditions in various operating modes and its testing using modeling tools.
Methods. The observer is built on the basis of known engine models in a fixed coordinate system α, β, the theory of IIR-filters to obtain a forecast of estimates of the angular velocity of the rotor and the torque on the shaft and their correction in real time.
Results. The authors have proposed the original structure of an observer with operational monitoring of the angular velocity of the rotor and the moment of resistance on the shaft of a submersible asynchronous motor.
Conclusions. The paper demonstrates the observer performance with inconsistency of initial conditions and electric motor model data in various operating modes. In all modes, stable estimates of the speed and torque of resistance on the electric motor shaft are obtained. At the same time, the error in estimating the angular velocity under the condition of changing the load on the shaft and starting in the loaded state is no more than 1.2%, which is acceptable in submersible electric motor control systems. It is revealed that the developed observer, under the condition of changing the active resistance of the stator and rotor in the ranges from –25 to +25% of the nominal value, obtains estimates of the angular velocity with an integral error of no more than 5%, except for starting the motor with a decrease in the active resistance of the rotor by 25% of the nominal value –5.53%, which is acceptable in engineering practice.
Full Text
Введение
На сегодняшний день нефть продолжает оставаться ключевым ресурсом российской и мировой экономик, и, согласно экспертам, нет оснований предполагать, что произойдет сокращение ее добычи в ближайшем будущем [14].
Основная масса добытой нефти получена с использованием механизированных методов, в частности центробежными электронасосами (ЭЦН), которые, как правило, приводятся в движение погружными асинхронными двигателями (ПЭД). В процессе работы ЭЦН могут возникать проблемы, такие как заклинивание ротора, вызванное образованием солеотложений и засорением рабочих органов электронасоса механическими примесями [5, 6], что напрямую влияет на момент сопротивления на валу погружного электродвигателя и негативно сказывается на его ресурсе и сроке службы. Попытки устранить заклинивания могут привести к срезу шпонок, обеспечивающих передачу крутящего момента от вала ротора насосу, или к деформации вала [7].
В процессе эксплуатации скважин на поздних стадиях разработки нефтяного месторождения происходят увеличение обводненности, уменьшение подпора пласта или деструкция притока, влияющая на коэффициент продуктивности. Для данных скважин целесообразен переход в режим циклической эксплуатации. Тем не менее перевод скважины в режим циклической эксплуатации приводит к уменьшению срока службы погружной установки для добычи нефти [810].
Для повышения срока службы погружной установки для добычи нефти предлагается использовать наблюдатели переменных состояния погружного электродвигателя, которые позволяют производить оценку физически неизмеримых переменных состояния электродвигателя, к которым в данном случае можно отнести скорость вращения ротора и момент сопротивления на валу [1116]. Авторы видят применение наблюдателей в контексте добычи нефти в следующем:
- информационное назначение;
- разработка замкнутой системы управления погружным электродвигателем.
В первом варианте информация о переменных состояния (токи и напряжения статора, угловая скорость ротора, момент сопротивления на валу) передается на экран оператора, где происходит сравнение с заданными эксплуатацией параметрами скважины и при необходимости выполняются определенные регламентом мероприятия.
Во втором варианте разработка замкнутой системы управления обеспечивает реализацию алгоритмов управления ЭЦН, позволяющих не доводить до состояния заклинивания насоса и изменять режим непрерывной эксплуатации скважины на режим сопутствующей очистки. В режиме непрерывной эксплуатации в осложненных условиях необходимо следить за моментом нагрузки и не доводить до критического состояния, при котором импульсный режим позволяет провести очистку насоса с контролем вывода на номинальный режим.
Реализацию динамических режимов управления погружным электродвигателем в составе установки ЭЦН при эксплуатации скважины в циклическом режиме авторы считают наиболее перспективной. Данные режимы характеризуются резко-переменными и изменяющимися во времени параметрами электрической и механической составляющих установки для добычи нефти. Соответственно актуальной задачей является разработка работоспособной структуры наблюдателя с оперативным мониторингом угловой скорости ротора и момента сопротивления на валу погружного асинхронного двигателя, который будет устойчив при изменении параметров двигателя в ходе работы или при получении неточных оценок от идентификаторов [1719], а также при условии изменяющейся нагрузки и работе при нагрузках выше номинальной.
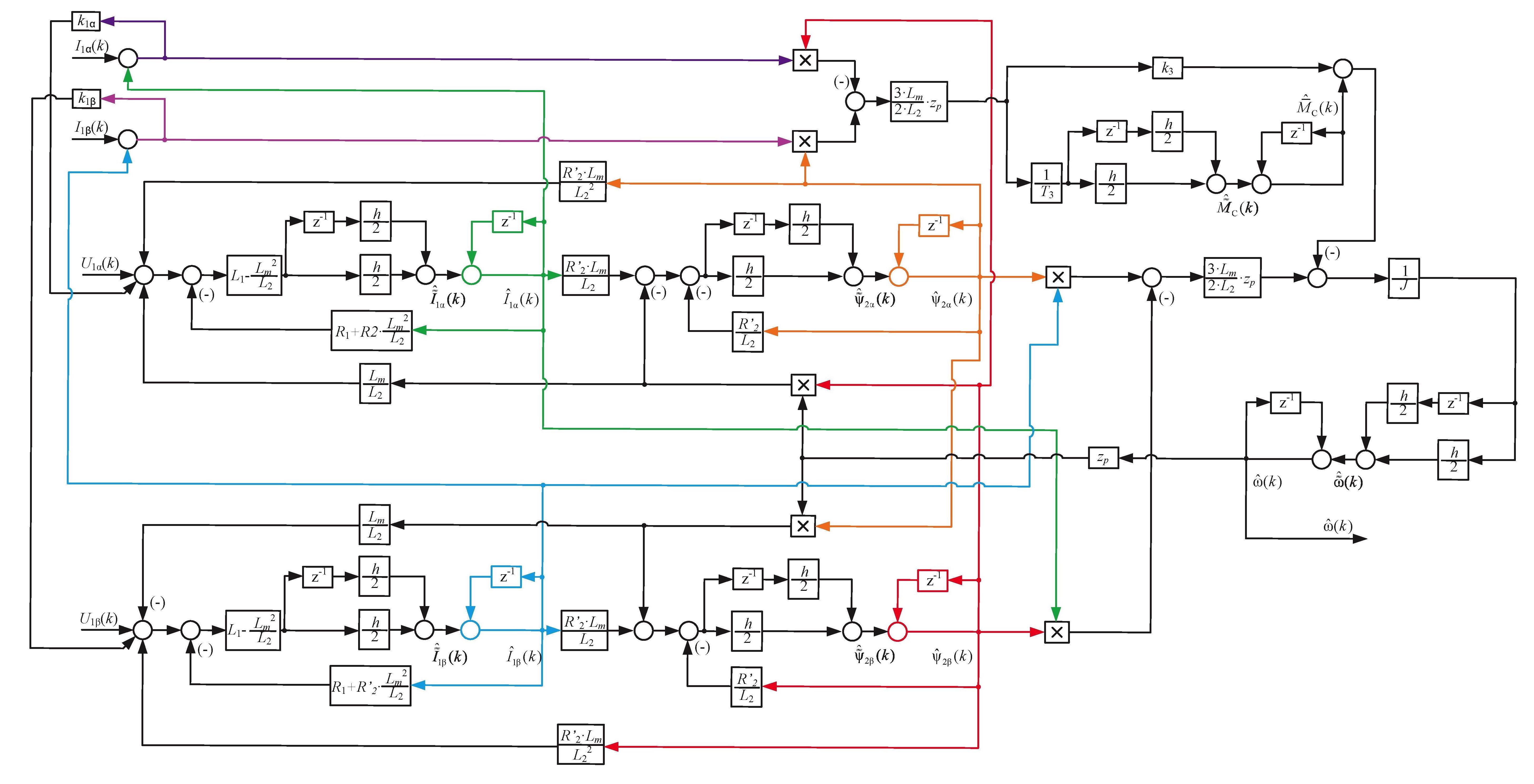
Принцип построения наблюдателя с оперативным мониторингом угловой скорости ротора и момента сопротивления на валу погружного асинхронного двигателя
Построение наблюдателя с оперативным мониторингом угловой скорости ротора и момента сопротивления на валу погружного асинхронного двигателя базируется на математической модели асинхронного двигателя в прямоугольной стационарной системе координат α, β [20, 21]. Логика построения наблюдателя состоит из следующих этапов:
1. Определение величины прогноза оценки токов статора на текущем шаге дискретизации согласно выражениям (1), (2):
(1)
(2)
где Δt – период дискретизации (принимается равным 100 мкс); k – номер текущего шага дискретизации; k–1 – номер предыдущего шага дискретизации; U1α(k) и U1β(k) – входное напряжение на текущем шаге дискретизации, В; – оценки токов на текущем шаге дискретизации, А; – оценки токов на предыдущем шаге дискретизации, А; – оценки потокосцепления ротора на текущем шаге дискретизации, Вб; – оценки потокосцепления ротора на предыдущем шаге дискретизации, Вб; R1 – активное сопротивление обмотки статора, Ом; – приведенное к статору активное сопротивление обмотки ротора, Ом; эквивалентное активное сопротивление асинхронного двигателя, Ом; L1 – эквивалентная индуктивность обмотки статора, Гн; L2 – эквивалентная индуктивность обмотки ротора, Гн; – эквивалентная индуктивность асинхронного двигателя, Гн; Lm результирующая индуктивность, обусловленная магнитным потоком в воздушном зазоре машины, Гн; zp число пар полюсов асинхронного двигателя; – оценка угловой скорости ротора на текущем шаге дискретизации, рад/с; – оценка угловой скорости ротора на предыдущем шаге дискретизации, рад/с; k1α, k1β коэффициенты передачи отработки невязки токов статора в прямоугольной стационарной системе координат α, β, Ом. При первоначальной настройке наблюдателя данные коэффициенты рекомендуется принимать равными значению эквивалентного активного сопротивление асинхронного двигателя [22].
2. Корректировка полученных величин прогноза оценки токов статора по выражениям (3), (4):
(3)
(4)
3. Определение величины прогноза оценок потокосцепления ротора на текущем шаге дискретизации согласно выражениям (5), (6):
(5)
(6)
4. Корректировка полученных значений прогноза оценок потокосцепления ротора по выражениям (7), (8):
(7)
(8)
5. Определение величины прогноза оценки момента сопротивления на валу на текущем шаге дискретизации согласно выражению (9):
(9)
где коэффициент интегральной отработки, с.
6. Корректировка оценки момента сопротивления на валу на текущем шаге дискретизации согласно выражению (10):
(10)
где – оценка момента сопротивления на валу на текущем шаге дискретизации; – оценка момента сопротивления на валу на предыдущем шаге дискретизации.
7. Определение величины оценки момента сопротивления на валу на текущем шаге дискретизации согласно выражению (11):
(11)
где k3 коэффициент пропорциональной отработки, о.е.
8. Определение величины прогноза оценки угловой скорости ротора на текущем шаге дискретизации по выражению (12):
(12)
где J эквивалентный момент инерции, приведенный к валу асинхронного двигателя, кг·м2.
9. Корректировка величины прогноза оценки угловой скорости ротора по выражению (13):
(13)
Структурная схема разработанного наблюдателя представлена на рис. 1.
Рис. 1. Структурная схема разработанного наблюдателя
Fig. 1. Schematic structure of the developed observer
Дальнейшие исследования разработанного наблюдателя с оперативным мониторингом угловой скорости ротора и момента сопротивления на валу погружного асинхронного двигателя будут производится с помощью средств моделирования. Основные параметры двигателя сведены в табл. 1.
Коэффициент пропорциональной отработки k3 зависит от параметров ПЭД. Для исследуемого погружного электродвигателя, параметры которого приведены в табл. 1, при первоначальной настройке наблюдателя коэффициент пропорциональной отработки принимается равным 300.
Таблица 1. Параметры схемы замещения моделируемого асинхронного двигателя
Table 1. Parameters of simulated induction motor
R1 | R’2 | L1 | L2 | Lm | zp |
Ом/Ohm | мГн/mH | ||||
2,852 | 2,785 | 44,5 | 44,9 | 43,45 | 2 |
Исследование наблюдателя при отработке несогласованности начальных условий
Одним из важных показателей устойчивости разработанного наблюдателя является способность отработки несогласованности начальных условий наблюдателя и реального процесса. Результаты моделирования угловой скорости ротора погружного электродвигателя в режиме пуска и оценок наблюдателя при несогласованности начальных условий приведены на рис. 2.
Анализ переходных характеристик показал, что вне зависимости от величины рассогласования начальных условий первое достижение наблюдателем значения угловой скорости, полученного с помощью модели погружного электродвигателя, происходит в момент времени равный 0,006 с.
Далее процесс мониторинга скорости стабилизируется, и после 0,02 с наблюдатель начинает оценивать угловую скорость с погрешностью относительно модельной не более 5 %, что является допустимым в инженерной практике.
Исследование наблюдателя при отработке изменяющейся нагрузки на валу
Следующим немаловажным фактором для наблюдателя является возможность работы при условии изменяющейся нагрузки на валу. При этом вне зависимости от типа и величины нагрузки наблюдатель должен выдавать точные оценки значения угловой скорости ротора (рис. 3) и момента сопротивления на валу двигателя (рис. 4). Интегральная погрешность оценивания угловой скорости ротора наблюдателем приведена в табл. 2 и вычислена по выражению (14):
(14)
где и начальный и конечный момент интервала интегрирования в течение переходного и установившегося процесса.
Рис. 2. Переходные характеристики угловой скорости ротора погружного электродвигателя ω(t) и ее оценок с помощью наблюдателя (t) при разных начальных условиях
Fig. 2. Transient processes of submersible induction motor speed ω(t) and speed estimation (t) under different initial conditions
Рис. 3. Переходные характеристики угловой скорости ротора погружного электродвигателя ω(t) и ее оценок с помощью наблюдателя (t)при изменяющейся нагрузке на валу
Fig. 3. Transient processes of submersible induction motor speed ω(t) and speed estimation (t) under varying load torque
Рис. 4. Переходные процессы момента сопротивления на валу погружного электродвигателя при изменяющейся нагрузке на валу
Fig. 4. Transient processes of submersible induction motor load torque estimation under varying load torque
Таблица 2. Погрешности оценивания угловой скорости ротора погружного электродвигателя для рассматриваемых режимов работы
Table 2. Errors of submersible motor speed estimation in all static and dynamic operating modes under consideration
Режим работы Operation mode | tнач | tконеч | tнач–tконеч | Dw |
с/sec | % | |||
Пуск на холостом ходу/Idle start | 0 | 0,1 | 0,1 | 0,03 |
Работа на холостом ходу/Idling | 0,1 | 0,5 | 0,4 | 0,01 |
Включение номинальной нагрузки/Rated load torque | 0,5 | 0,6 | 0,1 | 0,03 |
Работа в номинальном режиме/Operation in nominal mode | 0,6 | 1,0 | 0,4 | 0,03 |
Снижение нагрузки до 50 % относительно номинальной Load reduction up to 50% relative to nominal | 1,0 | 1,1 | 0,1 | 0,02 |
Работа в режиме 50 % относительно номинальной нагрузки Operating at 50% relative to rated load | 1,1 | 1,5 | 0,4 | 0,02 |
Увеличение нагрузки до 150 % относительно номинальной Load increase up to 150% relative to rated load | 1,5 | 1,6 | 0,1 | 0,05 |
Работа в режиме 150 % относительно номинальной нагрузки Operating at 150% relative to rated load | 1,6 | 2,0 | 0,4 | 0,05 |
Снижение нагрузки до 50 % относительно номинальной Load reduction up to 50% relative to nominal | 2,0 | 2,1 | 0,1 | 0,01 |
Работа в режиме 50 % относительно номинальной нагрузки Operating at 50% relative to rated load | 2,1 | 2,5 | 0,4 | 0,01 |
Исследуем наблюдатель при пуске электродвигателя при номинальной нагрузке, которая носит активный характер. В данном случае не учитываются потери на трение и в подшипниках. Результаты исследования приведены на рис. 5. Интегральная погрешность на всем промежутке времени от 0 до 0,1 секунды составила 1,2 %.
Рис. 5. Переходные характеристики угловой скорости ротора погружного электродвигателя ω(t) и ее оценок с помощью наблюдателя (t) в режиме пуска при номинальной нагрузке
Fig. 5. Transient processes of submersible induction motor speed ω(t) and speed estimation (t) under starting the engine at rated load
Анализ рис. 24 и табл. 1 показал, что разработанный наблюдатель даже при условии изменения нагрузки на валу и пуске электродвигателя в нагруженном состоянии получает устойчивые оценки скорости ротора и момента сопротивления на валу. Интегральная погрешность оценки угловой скорости относительно модельных значений составляет не более 1,2 %, что допустимо в системах управления ПЭД.
Исследование наблюдателя при изменении параметров двигателя в ходе работы
Известно, что в ходе работы электродвигателя происходит изменение его параметров, вызванное нагревом. Поэтому важно, чтобы разработанный наблюдатель, модель которого завязана на параметрах электродвигателя, продолжал производить оценку наблюдаемых параметров даже при условии изменения в ходе работы части или всех параметров. Проведем исследование наблюдателя при изменении активных сопротивлений статора и ротора в диапазоне от 25 до +25 % от номинальных значений (рис. 69). Интегральная погрешность оценивания угловой скорости наблюдателем приведена в табл. 36.
Анализ рис. 69 и табл. 36 показал, что разработанный наблюдатель дает оценки угловой скорости ротора с интегральной погрешностью не более 5 % при изменении активного сопротивления статора и ротора в диапазоне от 25 до +25 % относительно номинального значения. В режиме пуска электродвигателя при уменьшении активного сопротивления ротора на 25 % относительно номинального значения погрешность составляет 5,53 %, что допустимо в инженерной практике. Это свойство наблюдателя делает его удобным в применении с идентификаторами параметров асинхронных двигателей, особенно при изменении параметров во время работы электродвигателя.
Рис. 6. Переходные характеристики угловой скорости ротора погружного электродвигателя ω(t) и ее оценок с помощью наблюдателя (t) при увеличении активного сопротивления статора на 25 % относительно номинального значения
Fig. 6. Transient processes of submersible induction motor speed ω(t) and speed estimation (t) with the stator active resistance value increases by 25% of the nominal value
Таблица 3. Погрешности оценивания угловой скорости ротора погружного электродвигателя в исследуемых статических и динамических режимах работы при увеличении активного сопротивления статора на 25 % относительно номинального значения
Table 3. Errors of submersible motor speed estimation in all static and dynamic operating modes with the stator active resistance value increased by 25% of the nominal value
Режим работы Operation mode | tнач | tконеч | tнач–tконеч | Dw |
с/sec | % | |||
Пуск на холостом ходу/Idle start | 0 | 0,1 | 0,1 | 2,45 |
Работа на холостом ходу/Idling | 0,1 | 0,5 | 0,4 | 0,02 |
Включение номинальной нагрузки/Rated load torque | 0,5 | 0,6 | 0,1 | 0,03 |
Работа в номинальном режиме/Operation in nominal mode | 0,6 | 1,0 | 0,4 | 0,03 |
Снижение нагрузки до 50 % относительно номинальной Load reduction up to 50% relative to nominal | 1,0 | 1,1 | 0,1 | 0,01 |
Работа в режиме 50 % относительно номинальной нагрузки Operating at 50% relative to rated load | 1,1 | 1,5 | 0,4 | 0,01 |
Увеличение нагрузки до 150 % относительно номинальной Load increase up to 150% relative to rated load | 1,5 | 1,6 | 0,1 | 0,14 |
Работа в режиме 150 % относительно номинальной нагрузки Operating at 150% relative to rated load | 1,6 | 2,0 | 0,4 | 0,16 |
Снижение нагрузки до 50 % относительно номинальной Load reduction up to 50% relative to nominal | 2,0 | 2,1 | 0,1 | 0,01 |
Работа в режиме 50 % относительно номинальной нагрузки Operating at 50% relative to rated load | 2,1 | 2,5 | 0,4 | 0,01 |
Рис. 7. Переходные характеристики угловой скорости ротора погружного электродвигателя ω(t) и ее оценок с помощью наблюдателя (t) при уменьшении активного сопротивления статора на 25% относительно номинального значения
Fig. 7. Transient processes of submersible induction motor speed ω(t) and speed estimation (t) with the stator active resistance value decreased by 25% of the nominal value
Таблица 4. Погрешности оценивания угловой скорости ротора погружного электродвигателя в исследуемых статических и динамических режимах работы при уменьшении активного сопротивления статора на 25 % относительно номинального значения
Table 4. Errors of submersible motor speed estimation in all static and dynamic operating modes with the stator active resistance value decreased by 25% of the nominal value
Режим работы Operation mode | tнач | tконеч | tнач–tконеч | Dw |
с/sec | % | |||
Пуск на холостом ходу/Idle start | 0 | 0,1 | 0,1 | 2,95 |
Работа на холостом ходу/Idling | 0,1 | 0,5 | 0,4 | 0,01 |
Включение номинальной нагрузки/Rated load torque | 0,5 | 0,6 | 0,1 | 0,09 |
Работа в номинальном режиме/Operation in nominal mode | 0,6 | 1,0 | 0,4 | 0,09 |
Снижение нагрузки до 50 % относительно номинальной Load reduction up to 50% relative to nominal | 1,0 | 1,1 | 0,1 | 0,02 |
Работа в режиме 50 % относительно номинальной нагрузки Operating at 50% relative to rated load | 1,1 | 1,5 | 0,4 | 0,02 |
Увеличение нагрузки до 150 % относительно номинальной Load increase up to 150% relative to rated load | 1,5 | 1,6 | 0,1 | 0,23 |
Работа в режиме 150 % относительно номинальной нагрузки Operating at 150% relative to rated load | 1,6 | 2,0 | 0,4 | 0,24 |
Снижение нагрузки до 50 % относительно номинальной Load reduction up to 50% relative to nominal | 2,0 | 2,1 | 0,1 | 0,02 |
Работа в режиме 50 % относительно номинальной нагрузки Operating at 50% relative to rated load | 2,1 | 2,5 | 0,4 | 0,02 |
Рис. 8. Переходные характеристики угловой скорости ротора погружного электродвигателя ω(t) и ее оценок с помощью наблюдателя (t) при увеличении активного сопротивления ротора на 25% относительно номинального значения
Fig. 8. Transient processes of submersible induction motor speed ω(t) and speed estimation (t) with the rotor active resistance value increased by 25% of the nominal value
Таблица 5. Погрешности оценивания скорости вала погружного электродвигателя в исследуемых статических и динамических режимах работы при увеличении активного сопротивления ротора на 25 % от номинального значения
Table 5. Errors of submersible motor speed estimation in all static and dynamic operating modes with the rotor active resistance value increased by 25% of the nominal value
Режим работы Operation mode | tнач | tконеч | tнач–tконеч | Dw |
с/sec | % | |||
Пуск на холостом ходу/Idle start | 0 | 0,1 | 0,1 | 4,92 |
Работа на холостом ходу/Idling | 0,1 | 0,5 | 0,4 | 0,01 |
Включение номинальной нагрузки/Rated load torque | 0,5 | 0,6 | 0,1 | 1,28 |
Работа в номинальном режиме/Operation in nominal mode | 0,6 | 1,0 | 0,4 | 1,36 |
Снижение нагрузки до 50 % относительно номинальной Load reduction up to 50% relative to nominal | 1,0 | 1,1 | 0,1 | 0,67 |
Работа в режиме 50 % относительно номинальной нагрузки Operating at 50% relative to rated load | 1,1 | 1,5 | 0,4 | 0,62 |
Увеличение нагрузки до 150 % относительно номинальной Load increase up to 150% relative to rated load | 1,5 | 1,6 | 0,1 | 2,22 |
Работа в режиме 150 % относительно номинальной нагрузки Operating at 150% relative to rated load | 1,6 | 2,0 | 0,4 | 2,35 |
Снижение нагрузки до 50 % относительно номинальной Load reduction up to 50% relative to nominal | 2,0 | 2,1 | 0,1 | 0,75 |
Работа в режиме 50 % относительно номинальной нагрузки Operating at 50% relative to rated load | 2,1 | 2,5 | 0,4 | 0,62 |
Рис. 9. Переходные характеристики угловой скорости ротора погружного электродвигателя ω(t) и ее оценок с помощью наблюдателя (t) при уменьшении активного сопротивления ротора на 25 % относительно номинального значения
Fig. 9. Transient processes of submersible induction motor speed ω(t) and speed estimation (t) with the rotor active resistance value decreases by 25% of the nominal value
Таблица 6. Погрешности оценивания угловой скорости ротора погружного электродвигателя в исследуемых статических и динамических режимах работы при уменьшении активного сопротивления ротора на 25 % от номинального значения
Table 6. Errors of submersible motor speed estimation in all static and dynamic operating modes with the rotor active resistance value decreases by 25% of the nominal value
Режим работы Operation mode | tнач | tконеч | tнач–tконеч | Dw |
с/sec | % | |||
Пуск на холостом ходу/Idle start | 0 | 0,1 | 0,1 | 5,53 |
Работа на холостом ходу/Idling | 0,1 | 0,5 | 0,4 | 0,01 |
Включение номинальной нагрузки/Rated load torque | 0,5 | 0,6 | 0,1 | 1,35 |
Работа в номинальном режиме/Operation in nominal mode | 0,6 | 1,0 | 0,4 | 1,42 |
Снижение нагрузки до 50 % относительно номинальной Load reduction up to 50% relative to nominal | 1,0 | 1,1 | 0,1 | 0,69 |
Работа в режиме 50 % относительно номинальной нагрузки Operating at 50% relative to rated load | 1,1 | 1,5 | 0,4 | 0,65 |
Увеличение нагрузки до 150 % относительно номинальной Load increase up to 150% relative to rated load | 1,5 | 1,6 | 0,1 | 2,32 |
Работа в режиме 150 % относительно номинальной нагрузки Operating at 150% relative to rated load | 1,6 | 2,0 | 0,4 | 2,43 |
Снижение нагрузки до 50 % относительно номинальной Load reduction up to 50% relative to nominal | 2,0 | 2,1 | 0,1 | 0,77 |
Работа в режиме 50 % относительно номинальной нагрузки Operating at 50% relative to rated load | 2,1 | 2,5 | 0,4 | 0,65 |
Выводы
1. Показана актуальность и целесообразность разработки наблюдателя с оперативным мониторингом угловой скорости ротора и момента сопротивления на валу погружного асинхронного двигателя как средства информационного назначения.
2. Разработана структура наблюдателя с оперативным мониторингом угловой скорости ротора и момента сопротивления на валу погружного асинхронного двигателя.
3. Проведена проверка работоспособности и эффективности наблюдателя при отработке несогласованности начальных условий. Выявлено, что оценки угловой скорости ротора вне зависимости от величины рассогласования достигают значения скорости, полученной с помощью модели электродвигателя в момент времени равный 0,006 с. Далее процесс оценивания угловой скорости стабилизируется, и после 0,02 с наблюдатель оценивает скорость с погрешностью относительно модельной в пределах допустимой. Полученные данные свидетельствуют о возможности применения разработанного наблюдателя в любых процессах добычи нефти, так как стабилизация рассогласования происходит быстрее, чем процессы пуска электродвигателя.
4. Проведена проверка работоспособности и эффективности наблюдателя при отработке изменяющейся нагрузки на валу двигателя. Выявлено, что разработанный наблюдатель при изменении нагрузки на валу, перегрузке и пуске в нагруженном состоянии получает устойчивые оценки угловой скорости ротора и момента сопротивления на валу погружного асинхронного двигателя. Интегральная погрешность оценки угловой скорости ротора относительно значений, полученных с помощью модели, составляет не более 1,2 %, что допустимо в системах управления погружными электродвигателями.
5. Проведена проверка работоспособности и эффективности наблюдателя при изменении параметров двигателя в ходе работы. Выявлено, что для диапазона изменения параметров от 25 до +25 % относительно номинальных значений наблюдатель корректно оценивает угловую скорость ротора с погрешностью не более 5 % для большинства режимов работы. Это позволяет применять его с идентификаторами параметров электродвигателей с целью разработки замкнутых систем управления.
About the authors
Alexander S. Glazyrin
National Research Tomsk Polytechnic University; Yugra State University
Email: asglazyrin@tpu.ru
ORCID iD: 0000-0003-4138-5982
Dr. Sc., Professor, Professor
Russian Federation, 30, Lenin avenue, Tomsk, 634050; 16, Chekhov street, Khanty-Mansiysk, 628012Semen S. Popov
National Research Tomsk Polytechnic University; «NPF Mechatronica-Pro» LTD
Email: ssp14@tpu.ru
ORCID iD: 0009-0004-4139-8032
Postgraduate Student, Software Engineer
Russian Federation, 30, Lenin avenue, Tomsk, 634050; 119e, Frunze avenue, Tomsk, 634513Evgeniy I. Popov
Industrial University of Tyumen
Email: popovei72@mail.ru
Assistant
Russian Federation, 38, Volodarsky street, Tyumen, 625000Vladimir A. Kopyrin
Industrial University of Tyumen
Email: kopyrinva@gmail.com
ORCID iD: 0000-0002-7515-4018
Cand. Sc., Associate Professor
Russian Federation, 38, Volodarsky street, Tyumen, 625000Rustam N. Khamitov
Industrial University of Tyumen; Omsk State Technical University
Email: apple_27@mail.ru
ORCID iD: 0000-0001-9876-5471
Dr. Sc., Professor, Professor
Russian Federation, 38, Volodarsky street, Tyumen, 625000; 11, Mira avenue, Omsk, 644050Alexander A. Filipas
National Research Tomsk Polytechnic University
Email: filipas@tpu.ru
ORCID iD: 0000-0002-5376-5416
Cand. Sc, Associate Professor
Russian Federation, 30, Lenin avenue, Tomsk, 634050Vadim V. Timoshkin
National Research Tomsk Polytechnic University
Email: timoshkinvv@tpu.ru
ORCID iD: 0000-0001-5116-5508
Cand. Sc., Associate Professor
Russian Federation, 30, Lenin avenue, Tomsk, 634050Evgeniia A. Beliauskene
National Research Tomsk Polytechnic University
Email: eam@tpu.ru
ORCID iD: 0000-0002-1638-4366
Senior Lecturer
Russian Federation, 30, Lenin avenue, Tomsk, 634050Yulia O. Kulesh
National Research Tomsk Polytechnic University
Author for correspondence.
Email: yok13@tpu.ru
Engineer, National Research
Russian Federation, 30, Lenin avenue, Tomsk, 634050Evgeniy V. Bolovin
National Research Tomsk Polytechnic University; LLC «INT» of JSC «EleSy»
Email: orange@tpu.ru
ORCID iD: 0000-0002-8483-8999
Cand. Sc., Associate Professor
Russian Federation, 30, Lenin avenue, Tomsk, 634050; 161A, Altaiskaya street, Tomsk, 634021Vladimir Z. Kovalev
Yugra State University; National Research Tomsk Polytechnic University
Email: vz_kovalev@mail.ru
ORCID iD: 0000-0002-4512-6868
Dr. Sc., Professor
Russian Federation, 16, Chekhov street, Khanty-Mansiysk, 628012; 30, Lenin avenue, Tomsk, 634050Marina V. Deneko
Moscow Technical University of Communications and Informatics
Email: denekomarina585@gmail.com
ORCID iD: 0000-0003-4162-375X
Cand. Sc., Associate Professor
Russian Federation, 8A, Aviamotornaya street, Moscow, 111024References
- Kamaletdinov R.S. Mechanized oil production: new challenges – new solutions. Business magazine Neftegaz.RU, 2023, no. 4 (136), pp. 42–47. (In Russ.)
- RussNeft. Production. Oil production. (In Russ.) Available at: https://www.russneft.ru/production/oil/ (accessed 15 March 2024).
- Forecast of long-term socio-economic development of the Russian Federation for the period until 2030. (In Russ.) Available at: http://static.government.ru/media/files/41d457592e04b76338b7.pdf (accessed 15 March 2024).
- World Energy Outlook 2023. Available at: https://iea.blob.core.windows.net/assets/42b23c45-78bc-4482-b0f9-eb826ae2da3d/WorldEnergyOutlook2023.pdf (accessed 15 March 2024).
- Romanov V.S., Goldstein V.G. Improving the reliability of electrical engineering complex of submersible electric equipment of oil production based on the analysis of its emergency. Electrotechnical Systems and Complexes, 2018, no. 3 (40), pp. 20–26. (In Russ.) doi: 10.18503/2311-8318-2018-3(40)-20-26.
- Rukin M.V., Molchanova M.V., Urazakov K.R. Method for determining the mean time between failures of esp units. Bulletin of the Tomsk Polytechnic University. Geo Аssets Engineering, 2022, vol. 333, no 11. pp. 219–229. (In Russ.) doi: 10.18799/24131830/2022/12/3792.
- Escobar J.A., Romero A.F., Lobo-Guerrero J. Failure analysis of submersible pump system collapse caused by assembly bolt crack propagation by stress corrosion cracking. Engineering Failure Analysis, 2016, vol. 60. pp. 1–8. doi: 10.1016/j.engfailanal.2015.11.044.
- Pashali A.A., Khalfin R.S., Silnov D.V., Topolnikov A.S., Latypov B.M. On the optimization of the periodic mode of well production, which is operated by submergible electric pumps in Rosneft Oil Company (Russian). OIJ, 2021, pp. 92–96. doi: 10.24887/0028-2448-2021-4-92-96.
- Likhacheva E.A., Ostrovskiy V.G., Lykova N.A., Musinskiy A.N., Baidarov P.A. Oil submersible pumps reliability during cyclic operation. PROneft. Professionally about Oil, 2021, vol. 6 (1), pp. 54–58. (In Russ.) doi: 10.51890/2587-7399-2021-6-1-54-58.
- Kladiev S.N. Review and critical analysis of the current state and ways of developing the technological process of oil production by an electric drive in intermittent modes of operation of low- and medium-rate wells. Bulletin of the Tomsk Polytechnic University. Geo Аssets Engineering, 2020, vol. 334, no. 8. pp. 220–231. (In Russ.) doi: 10.18799/24131830/2023/8/4349.
- Glazyrin A.S., Kladiev S.N., Afanasiev K.S., Timoshkin V.V., Slepnev I.G., Polishchuk V.I., Halasz S. Design of full order observer with real time monitoring of load torque for submersible induction motors. Bulletin of the Tomsk Polytechnic University. Geo Аssets Engineering, 2018, vol. 329, no. 2. pp. 118–126. (In Russ.)
- Kwon Y.A., Kim S.K. A high-performance strategy for sensorless induction motor drive using variable link voltage. IEEE Trans Power Electron. 2007, vol. 22, no. 1, pp. 329–332. doi: 10.1109/TPEL.2006.887178.
- Iudin R., Petrochenkov A., Krause B., Solodkiy E., Panchenko G. Electrical submersible pump complex model for sensorless parameters observing. 2021 IEEE 62nd International Scientific Conference on Power and Electrical Engineering of Riga Technical University. Riga, Latvia, 2021. pp. 1–5. doi: 10.1109/RTUCON53541.2021.9711743.
- Rabbi S.F., Constantine M., Rahman M.A. A novel sensorless IPM motor drive for electric submersible pumps. 2017 IEEE International Electric Machines and Drives Conference. Miami, FL, USA, 2017. pp. 1–8. doi: 10.1109/IEMDC.2017.8002199.
- Deng Y., Liang Z., Xi P., Zuo X. Improved speed sensorless vector control algorithm of induction motor based on long cable. Journal of Electrical Engineering & Technology, 2019, vol. 14, pp. 219–229. doi: 10.1007/s42835-018-00023-7.
- Kozlova L., Bolovin E., Payuk L. Angular velocity's neural network observer of the electric drive of TVR – IM type implemented in software environment LabVIEW. IOP Conference Series: Materials Science and Engineering. Tomsk, Russia, 2016. pp. 1–6. doi: 10.1088/1757-899X/132/1/012005.
- Shubin S.S., Yamaliev V.U., Glazyrin A.S., Bunkov D.S, Kladiev S.N., Rakov I.V., Bolovin Е.V., Kovalev V.Z., Khamitov R.N. Estimation of submersible induction motor equivalent circuit parameters based on test data Bulletin of the Tomsk Polytechnic University. Geo Аssets Engineering, 2021, vol. 332, no. 1, pp. 204–214. (In Russ.) doi: 10.18799/24131830/2021/1/3013
- Montoya O.D., De Angelo Cr.H., Bossio G. Parametric estimation in three-phase induction motors using torque data via the generalized normal distribution optimizer. Results in Engineering, 2024, vol. 23, pp. 1–8. doi: 10.1016/j.rineng.2024.102446
- Elkholy M.M., El-Hay E.A., El-Fergany A.A. Synergy of electrostatic discharge optimizer and experimental verification for parameters estimation of three phase induction motors. Engineering Science and Technology, an International Journal, 2022, vol. 31, pp. 1–10. doi: 10.1016/j.jestch.2021.09.013
- Udut L.S., Malceva O.P., Koyain N.V. Design and research of automated electric drives: textbook. Part 8. Induction frequency-controlled electric drive. Tomsk, TPU Publ., 2011. 648 p.
- Indragandhi V., Subramaniyaswamy V., Selvamathi R. Electric motor drives and their applications with simulation practices. USA, Cambridge, Academic Press, 2022. 507 p.
- Afanasyev K.S. Development of a state observer for an induction electric drive with increased parametric robustness. Cand. Diss. Tomsk, 2015. 106 p.
Supplementary files










