Energy efficiency potential determination for an oil treatment and stabilization unit at the field
- Authors: Ulyev L.M.1, Chernyshov M.N.2
-
Affiliations:
- National Research Tomsk Polytechnic University
- AO «TomskNIPIneft»
- Issue: Vol 336, No 1 (2025)
- Pages: 169-182
- Section: Articles
- URL: https://medbiosci.ru/2500-1019/article/view/281793
- DOI: https://doi.org/10.18799/24131830/2025/1/4864
- ID: 281793
Cite item
Full Text
Abstract
Relevance. The desire to increase the energy efficiency of industrial enterprises and reduce greenhouse gas emissions from their activities. Reducing specific energy consumption at large oil refineries and petrochemical plants is not new and is quite widely used. Dozens of monographs and thousands of articles are devoted to these areas. But it should be taken into account that in the oil refining industry, all crude oil, even that which does not reach the refinery, necessarily passes through oil preparation and stabilization units at the fields. Therefore, in order to create energy-efficient and environmentally friendly processes throughout the entire oil refining chain, it is necessary to increase the energy efficiency of the oil preparation and stabilization units located at the fields. There are very few research works on thermal energy integration of oil preparation and stabilization units. Aim. Determination of target design and energy values for an energy-efficient retrofit project of the heat exchange network for the surveyed oil preparation and stabilization units and of its energy efficiency potential. Methods. Pinch analysis methods are used to determine the target values of an energy-efficient retrofit project. Mathematical modeling of heat exchange processes in the heat exchange network and economic analysis were performed using the Pinch 2.02 software; the Aspen HYSYS software package was used to create a simulation engineering model of the oil preparation and stabilization units. Results. When determining the target values of the heat exchange network retrofit project, the cost of energy and heat exchange equipment, the cost of collectors for splitting process streams, and technical restrictions on the placement of heat exchanger sections were taken into account. The inclusion of fuel gas in the process stream table has allowed the definition of target parameters for the optimal unit heat exchange network design to evolve. In the process of evolution of target values, the energy efficiency potential of the surveyed oil preparation and stabilization units was determined, which shows the possibility of reducing specific energy consumption by 77%. Upon implementation of the heat exchange network retrofit project and achievement of target parameters, the following economic results will be obtained: IRR=42%, NPV=7425780 USD, DPP 4 years. Also, CO2 emissions can be reduced by 30 thousand tons per year. It should be noted that the evolution of target designation and all target values for the reconstruction project were obtained before the implementation of the heat exchange network oil preparation and stabilization units project itself.
Full Text
Введение
Человечество существует и развивается в мире ограниченных резервов ископаемого топлива и постоянно растущей угрозы изменения климата вследствие переработки углеводородного сырья для получения высококачественной энергии. Поэтому для устойчивого развития общества необходимо стремиться к снижению удельного энергопотребления в промышленности, в транспорте и в коммунальном хозяйстве. Но пока углеводородное сырье во всех этих сферах деятельности человечества является преобладающим. Поэтому ключевой ролью в сокращении выбросов CO2 в сценарии с нулевыми выбросами является повышение энергоэффективности в промышленности [1].
Пути и методы повышения энергоэффективности и снижения техногенной нагрузки известны уже четыре десятилетия. Прежде всего, это методы теплоэнергетической интеграции процессов, которые позволяют значительно увеличить мощность рекуперации тепловой энергии на промышленных предприятиях нефтеперерабатывающей и нефтехимической отрасли. К теплоэнергетической интеграции относятся системные и обобщающие методы проектирования экономически оптимальных систем теплообмена (СТО), в основе которых лежат методы системного анализа, термодинамики и математического моделирования, оптимизации. В настоящее время есть ряд подходов к синтезу оптимальных СТО, к ним относятся: эвристические, алгоритмические и термодинамические. К последним можно отнести и пинч-анализ, который в последнее время рассматривается как пинч-методология [2], где вместо множества уравнений или сложных компьютерных моделей используются простые термодинамические методы, позволяющие исследователям ясно увидеть, где и почему в химико-технологических процессах потребляется излишняя энергия, и показывающие как это исправить. Если раньше СТО в основном проектировались с помощью эвристических методов, которые не давали оптимальных решений, то пинч-анализ, формализовав процедуру проектирования СТО, превратил искусство проектирования в строгое научное направление.
Для добычи и переработки нефти применяются различные процессы, причем многие из них характеризуются значительным энергопотреблением при низкой энергоэффективности. В то же время одним из направлений повышения конкурентоспособности и рентабельности предприятия является повышение его энергоэффективности. Поэтому поиск и синтез системных технологических решений снижения удельного энергопотребления в этих областях промышленности является актуальной задачей.
До сих пор основное внимание при создании энергоэффективных методов переработки ископаемых углеводородов уделялось нефте- и газоперерабатывающим установкам в пределах нефтеперерабатывающих заводов (НПЗ) и газоперерабатывающих заводов (ГПЗ) [3].
Для повышения энергоэффективности и снижения выбросов парниковых газов правильно было бы рассматривать весь жизненный цикл переработки углеводородного сырья, начиная от его добычи и заканчивая потреблением товарных продуктов и утилизацией.
Пинч-анализ является одним из наиболее распространенных методов повышения энергоэффективности перерабатывающих предприятий [4]. Методы интеграции процессов получили широкое использование на предприятиях нефте- и газопереработки и в других перерабатывающих отраслях промышленности.
В работе [5] с целью перехода к низкоуглеродной энергетике рассматривается оптимальная пинч-интеграция теплового насоса в промышленные теплоэнергетические системы. В работе [6] разработано расширение пинч-анализа для планирования продажи углеродных квот в условиях временных ограничений, что должно привести к более точному прогнозированию прибыли промышленных предприятий за счет интеграции процессов. В исследовании [7] предлагается тепловая интеграция ректификационных колонн за счет использования теплового насоса с рекомпрессией пара. Эффективность данного подхода также подтверждается в работе [8], где использование теплового насоса приводит к снижению энергопотребления в процессе экстракционной перегонки.
Использование пинч-анализа позволило на установке разделения легких углеводородов снизить энергопотребление на 52 % [9]. А в работе [10] авторы показали возможность получения прибыли ~3 млн долл. США в год при тепловой интеграции процесса ректификации на установке первичной переработки нефти мощностью ~7 млн т сырой нефти в год.
В исследовании [11] приведены результаты применения пинч-анализа на малазийских нефтеперерабатывающих заводах. Показана возможность снижения удельного энергопотребления в интервале 41–47 %. Далее авторы, используя концепцию Плюс/Минус принципа пинч-анализа [12], показывают возможность эволюции СТО с дальнейшим уменьшением удельного энергопотребления в рассмотренных процессах.
В работе [13] предложен проект модернизации СТО ГПЗ с использованием методов пинч-анализа в Тайланде, который ведет к снижению операционных затрат на 6,3 %. В работе [14] рассмотрена интеграция процесса первичной переработки нефти. Предложено три проекта пинч-реконструкции СТО установки. А затем с помощью эксерго-экономического анализа один из них отклонен.
В работе [15] проведен пинч-анализ установки вакуумной перегонки мазута, в результате чего удалось повысить КПД печи с 80 до 84 % при выборе минимальной движущей силы теплообмена исходя из возможности предлагаемого теплообменного оборудования. В работе [16] исследуется пороговая задача повышения энергоэффективности технологической печи НПЗ. В таких задачах использование пинч-анализа не обязательно и приоритет получает эксергетический метод оптимизации. В работе [17] для повышения энергоэффективности рассмотрены четыре метода: пинч-анализ, энтропийный анализ, эксергетический анализ и энтрансный анализ.
В работе [18] предложен метод, основанный на пинч-анализе, для оптимизации систем теплообмена в условиях климатических изменений. Авторы [19] предложили эвристический алгоритм улучшения СТО в процессе ее эволюции за счет повышения эффективности уже установленных теплообменников, но хорошо известно, что интеграция СТО с существующими теплообменными аппаратам дает на порядок большую прибыль, чем повышение эффективности каждого теплообменника в отдельности [12]. Авторы работы [20] для уменьшения удельного энергопотребления предложили метод мостового анализа – одну из последних модификаций пинч-анализа, которая в [21] используется для интеграции тепловых насосов в гальванические процессы.
В работе [22] для построения оптимальной СТО используется Aspen Energy Analyser. Было рассмотрено несколько вариантов, но данное ПО ограничено в выборе целеуказаний. В работе [23] предложен уточненный метод определения целеуказаний при выполнении пинч-реконструкции СТО промышленных предприятий. Метод основан на упрощении топологии системы теплообмена за счет разрыва петель [12], образованных технологическими потоками и теплообменными аппаратами. Но в работе [23] не учтена стоимость расщепления технологических потоков и их смешения. Авторы [23] утверждают, основываясь на численных экспериментах, что отклонение целевой приведенной стоимости проекта СТО от реальной приведенной стоимости, не должно превышать 10 %. В статье [24] оптимизируется энергопотребление на промышленном заводе по производству этиленгликоля. Пинч-анализ используется для определения минимальной нагрузки на утилиты. Для целеуказания используется каскадный метод. Но данный метод не позволяет определить мощность рекуперации тепловой энергии с СТО.
А в работе [25] представлен уточненный метод определения целевых значений в пинч-анализе, включающий учет стоимости коллекторов технологических потоков для различных топологий систем рекуперативного теплообмена на примере производства оксида этилена, который используется в настоящей работе. Работа [26] посвящена анализу устойчивости энергоэффективных СТО при нечетко заданных параметрах технологических потоков, участвующих в теплообмене, и идеи начала исследования устойчивость работы СТО еще на стадии целеуказания. В работе [27] авторы говорят о необходимости на стадии целеуказания определять не только конструкторские и технологические параметры, но и целевые экономические параметры СТО.
В работе [28] представлен основанный на пинч-анализе, удобный для проектирования метод синтеза сети СТО, призванный облегчить работу в процессе по выбору оптимальной СТО с учетом дополнительных аспектов промышленного дизайна. Новый метод вместо создания одной СТО генерирует список всех возможных СТО, ранжированных по совокупным годовым затратам.
Изначально методы пинч-анализа применялись к задачам большого масштаба, т. е. промышленным установкам с большим количеством технологических потоков, системы рекуперативного теплообмена которых состояли из десятков и сотен теплообменных аппаратов [29]. Авторы этой работы создали новую систему оптимизации для эффективного решения крупномасштабных задач синтеза СТО для получения почти глобальных оптимальных решений, одновременно учитывая и их временные затраты. Предложенная новая система оптимизации демонстрирует эффективность и применимость для решения крупномасштабных задач синтеза СТО. Но методы пинч-анализа полезны и для более простых предприятий, где сложные системы теплообмена не нужны. Именно к таким предприятиям относятся установки подготовки и стабилизации нефти на промыслах (УПСН).
Повышение энергоэффективности на УПСН практически не рассматривалось, существуют единичные статьи в этом направлении. Например, авторы исследования [30] представили результаты пинч-анализа для УПСН с ректификационным способом стабилизации нефти. Поэтому данная проблема является актуальной для нефтяных, газовых и газоконденсатных месторождений, где зачастую товарный продукт используется в качестве топлива для обеспечения тепловой и электрической энергией как самого месторождения, так и УПСН. Установка, рассмотренная в настоящей работе, кардинальным образом отличается от установки, рассмотренной в работе [30], как по составу оборудования и производительности, так и по условиям эксплуатации. А сам процесс стабилизации нефти на этой установке основан на методе сепарации.
Извлекаемая на нефтяных промыслах нефтесодержащая пластовая жидкость имеет сложный состав. Она содержит: нефть, попутный нефтяной газ, пластовые воды, буровой раствор, различные механические включения. Такую смесь нерентабельно транспортировать по магистральным нефтепроводам. Поэтому непосредственно на промыслах сооружаются и эксплуатируются специальные установки подготовки и стабилизации нефти. На данных установках осуществляются процессы дегазации, обезвоживания, обессоливания и стабилизации добытого сырья, а эти процессы, как и большинство процессов в нефтеперерабатывающей и нефтехимической промышленности, являются одними из наиболее энергоемких процессов среди всех производств.
Описание процесса
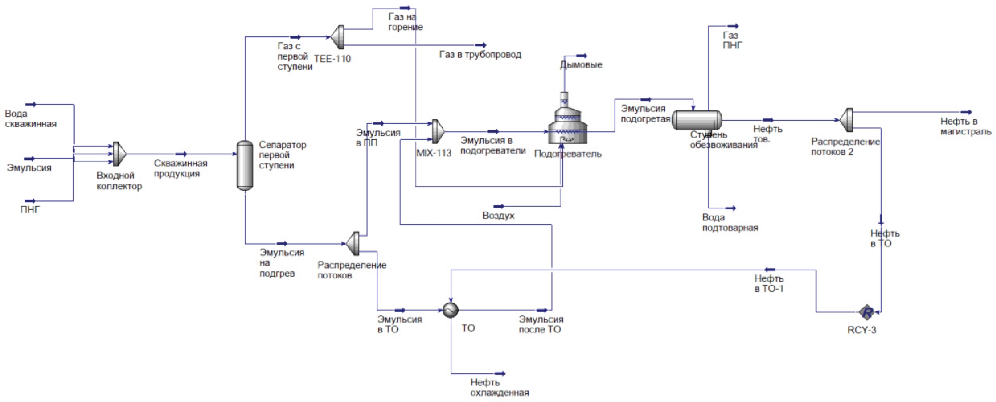
В данной работе оптимизирована СТО УПСН мощностью по сырью ~4 млн т/год. Установка состоит из блока электродегидраторов, системы сепараторов, системы теплообмена, включающей теплообменники различных типов и путевые подогреватели, несколько насосных станций и факельную систему (рис. 1).
Рис. 1. Принципиальная технологическая схема УПСН: 1–поток товарной нефти; 2 – поток подтоварной воды; 3 – поток отходящих дымовых газов; 4 – поток сырой нефти; 5 – поток топливного газа; 6 – поток воздуха на горение; 7 – поток попутного нефтяного газа; 8 – поток части товарной нефти; 9 – рецикл товарной нефти на смешение с сырой нефтью; 10 – байпас сырой нефти в обход системы рекуперативного теплообмена; С-1 – сепараторы первой ступени; ПТА – пластинчатый теплообменный аппарат; КТА – кожухотрубчатый теплообменный аппарат; ГС – газовый сепаратор; ПП – путевой подогреватель; С-2 – сепараторы второй ступени; С-3 – сепараторы третей ступени; ЭДГ – электродегидратор; БЕН – буферная емкость нефти; НВП – насос внутренней перекачки; НВТ – насос внешнего транспорта
Fig. 1. Basic process flowsheet diagram of the oil treatment and stabilization unit (OTSU): 1 – commercial oil flow; 2 – bottom water flow; 3 – exhaust gas flow; 4 – crude oil flow; 5 – flue gas flow; 6 – combustion air flow; 7 – associated petroleum gas (APG) flow; 8 – flow of part of the commercial oil through the recuperative heat exchange system; 9 – commercial oil recycle for mixing with crude oil; 10 – bypass of crude oil; C-1 – first stage separators; ПТА – plate heat exchanger; КТА – shell and tube heat exchanger; ГС – gas separator; ПП – line heater; С-2 – second stage separators; С-3 – third stage separators; ЭДГ – electric dehydrator; БЕН – oil buffer tank; НВП – internal pumping station; НВТ – external transport pumping station
Поток сырой нефти – 4 из центрального сборного пункта нефтепромысла подается в сепаратор, в котором происходит отделение основной части попутного нефтяного газа (ПНГ). Далее ПНГ направляется в сепаратор и оттуда часть его отбирается для сжигания в топках ПП. Остальной газ отводится в газораспределительную систему. После сепаратора сырая нефть четырьмя потоками проходит через два ПТА и два КТА. Пропускной способности системы рекуперативного теплообмена не хватает для нагрева всего потока сырой нефти, поэтому часть потока проходит через байпас. Далее нефть направляется четырьмя параллельными потоками в ПП. В камеры горения ПП подается ПНГ – 5 и воздух на горение – 6. Топливный газ и воздух в настоящее время не подогреваются. Отходящие газы горения – 3 отводятся прямо в атмосферу. Подогретая нефть направляется в систему сепараторов, из которой попутный нефтяной газ направляется на утилизацию на факельной установке, а вода – 2 – в емкости установки водоподготовки. Нефть после сепараторов заходит в систему электродегидраторов, где происходит ее обессоливание и окончательное обезвоживание. Вода – 2 после электродегидраторов подается в резервуары системы водоподготовки. Обессоленная и обезвоженная нефть после ЭДГ подается в буферную емкость, откуда товарная нефть – 1 выводится с установки. Часть потока товарной нефти насосами НВП прокачивается через систему рекуперативного теплообмена, в которой он нагревает поток сырой нефти. Затем еще часть потока нагретой товарной нефти после насосов НВТ подается в сырую нефть, поступающую на установку для улучшения ее дегазации в сепараторе перед системой рекуперативного теплообмена. Понятно, что часть потока товарной нефти для острого смешения в теплообмене практически не участвует, поскольку приходит на смешение с температурой нефти после ПП. Поэтому данный поток не включается в теплоэнергетическую интеграцию.
Экстракция потоковых данных
Для проведения теплоэнергетической интеграции УПСН были определены начальные и конечные температуры всех технологических потоков на установке и значения их материальных расходов. От центральной заводской лаборатории получены значения теплофизических параметров всех потоков, выполнена разгонка товарной нефти (рис. 2) и получен компонентный состав ПНГ (табл. 1). Эти значения использовались для определение теплотворной способности ПНГ и для проверки материального и теплового баланса УПСН.
На основе полученных данных построена имитационная модель обследуемой установки (рис. 3), с помощью которой уточнены технологические параметры потоков установки, что позволило выбрать технологические потоки для их включения в теплоэнергетическую интеграцию. Этими потоками являются: поток товарной нефти, горячий поток – 1; поток подтоварной воды, горячий поток – 2; поток отходящих дымовых газов, горячий поток – 3; поток сырой нефти, холодный поток – 4; поток топочного газа, холодный поток – 5; поток воздуха на горение, холодный поток – 6 (рис. 1).
Рис. 2. Фракционный состав товарной нефти
Fig. 2. Fractional composition of commercial oil
Таблица 1. Компонентный состав ПНГ
Table 1. APG component composition
Компонент Component | мол. % mol. % |
Кислород/Oxygen | 0,038 |
Двуокись углерода/Carbon dioxide | 0,041 |
Азот/Nitrogen | 0,352 |
Метан/Methane | 85,51 |
Этан/Ethane | 3,65 |
Пропан/Propane | 3,34 |
изо-Бутан/iso-Butane | 1,56 |
н-Бутан/n-Butane | 1,67 |
изо-Пентан/iso-Pentane | 1,25 |
н-Пентан/n-Pentane | 1,67 |
Гексаны/Hexanes | 0,63 |
𝐶7 + | 0,289 |
Рис. 3. Цифровая имитация процесса для существующей технологической схемы УПСН
Fig. 3. Digital process simulation for the existing OPSU flowsheet
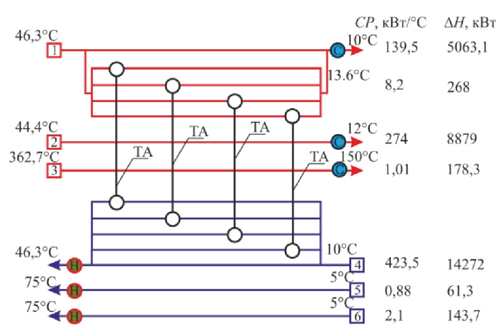
Таблица 2. Потоковая таблица СТО УПСН
Table 2. Stream table for heat exchange network (HEN) OPSU
№ потока stream no. | Поток Strea m | Тип Typ e | TS, °C | TT, °C | G, т/ч t/ y | C, кДж/(кг·°C) kJ/(kg·°C) | CP, кВт/°C kW/°C | α, кВт/м2·°C kW/m2·°C | DH, кВт/kW |
1 | Товарная нефть/Commercial oil | гор hot | 46,3 | 10 | 244,7 | 2,052 | 139,5 | 0,3 | 5063,1 |
2 | Подтоварная вода/Bottom water | 44,4 | 11 | 228,8 | 4,317 | 274,0 | 0,8 | 8877,9 | |
3 | Дымовые газы/Exhaust gases | 326,7 | 150 | 3,3 | 1,101 | 1,01 | 0,02 | 178,3 | |
4 | Сырая нефть/Crude oil | хол col | 12,6 | 46,3 | 508,2 | 3,00 | 423,5 | 0,8 | 14272,0 |
5 | Топливный газ/Flue gas | 5 | 900 | 0,9 | 3,5 | 0,88 | 0,02 | 787,6 | |
6 | Воздух на горение/Combustion air | 5 | 900 | 7,4 | 0,999 | 2,1 | 0,02 | 1879,5 |
Используя полученные данные и характерные коэффициенты теплоотдачи α для технологических потоков установки [31] была составлена потоковая таблица (табл. 2), которая является цифровым образом СТО установки.
Измерения в рекуперативной СТО показали, что температура за объединяющим коллектором потоков сырой нефти после теплообменников составляет порядка 13,6 °С, а расход подогретой нефти ~9,84 т/ч.
Определение потенциала энергоэффективности рассматриваемой УПСН
С помощью принципиальной технологической схемы УПСН (рис. 1), потоковой табл. 2, выполненных измерений, анализа мнемосхем и построения имитационной модели УПСН была синтезирована сеточная диаграмма существующей СТО установки (рис. 4). С помощью сеточной диаграммы существующей СТО легко вычислить мощность рекуперации тепловой энергии, поскольку известно изменение температуры потока сырой нефти, проходящего через теплообменные аппараты, ~32,7 °С, а потоковая теплоемкость этого потока равна ~9,84×3600/3,00=8,2 кВт/°С, и тогда QRec=32,7×8,2=268 кВт.
Рис. 4. Сеточная диаграмма для существующей СТО: C – холодная утилита, H – горячая утилита, ТА – теплообменный аппарат
Fig. 4. Grid diagram for an existing HEN: C – cold utility, H – hot utility, TA – heat exchanger
С помощью потоковых данных (табл. 1) и программы Pinch 2.02 [32] построены составные кривые технологических потоков УПСН, включенных в теплоэнергетическую интеграцию так, чтобы энтальпийный интервал перекрытия горячей и холодной составных кривых по оси потоковых энтальпий был равен 268 кВт (рис. 5). Составные кривые можно перемещать относительно друг друга только параллельно оси потоковых энтальпий, т. к. начальные и конечные температуры технологических потоков неизменны и заданы регламентом процесса. Проекция холодной составной кривой на ось потоковых энтальпий показывает значение мощности, которую необходимо подвести к процессу, чтобы он был выполнен DHColdC=18046 кВт, а проекция горячей составной на ось потоковых энтальпий показывает значение мощности, которую необходимо отвести от горячих потоков DHHotC=14418 кВт. Интервал перекрытия составных кривых по оси потоковых энтальпий показывает мощность рекуперации тепловой энергии в системе рекуперативного теплообмена установки. Эти же кривые показывают значения полезной мощности горячих утилит Q0Hmin=17778,0 кВт и полезной мощности холодных утилит Q0Сmin=14150,0 кВт. Составные кривые для существующей СТО показывают минимальную разность температур между теплоносителями в системе теплообмена для вертикального теплообмена – DT0min=36 °C. Понятно, что при увеличении минимальной движущей силы теплообмена DTmin в СТО мощность рекуперации тепловой энергии будет уменьшаться, а значит, будет уменьшаться необходимая площадь и ее стоимость. А вот стоимость потребляемой энергии будет возрастать.
Рис. 5. Составные кривые существующей СТО УПСН: 1 – горячая составная кривая; 2 – холодная составная кривая; DT0min – минимальная разность температур между теплоносителями в теплообменном оборудовании в существующей СТО установки; Q0Cmin – мощность холодной утилиты; Q0Hmin – мощность горячей утилиты; Q0Rec – мощность рекуперации теплоты в СТО
Fig. 5. Composite curves of the existing HEN OPSU: 1 – hot composite curve; 2 – cold composite curve; DT0min – minimum temperature difference between the heat carriers in the heat exchange equipment in the existing HEN of the unit; Q0Cmin – power of the cold utility; Q0Hmin – power of the hot utility; Q0Rec – heat recuperation power in the HEN
Температура пинча горячих технологических потоков для исходной системы теплообмена равна THP=46 °C и TСP=10 °C соответственно, что определяет локализацию области пинча [12]. Основные теплоэнергетические параметры для СТО с минимальной движущей силой теплообмена, равной DTmin=36 °С, представлены в табл. 3.
Тепловая интеграция УПСН требует определения энергетических и капитальных целей, которых необходимо достичь в процессе реконструкции. Основные параметры, влияющие на капитальные затраты СТО, включают количество теплообменников, площадь поверхности теплообмена, тип теплообменников, стоимость установки теплообменника, а также количество расщепления и объединений технологических потоков (количество коллекторов) [25].
Таблица 3. Параметры СТО для DTmin=36 °С
Table 3. HEN parameters for DTmin=36 °С
Параметры СТО HEN parameters | Значение Value |
Горячие утилиты, кВт/Hot utilities, kW | 17778,0 |
Холодные утилиты, кВт/Cold utilities, kW | 14150,0 |
Мощность рекуперации тепловой энергии, кВт Heat energy recuperation capacity, kW | 268 |
Температура пинча горячих потоков, °С Hot streams pinch temperature, °C | 46 |
Температура пинча холодных потоков, °С Cold fstreams pinch temperature, °C | 10 |
По технологическим причинам при модернизации системы теплообмена могут быть использованы только КТА с индивидуальной установкой каждой секции теплообменного размещения, поэтому стоимость установленного теплообменного аппарата определяется выражением (1) [33]:
, (1)
где A – стоимость установки одной секции теплообменника; B – эквивалент стоимости 1 м2 площади поверхности теплообмена; Smax – максимальная площадь поверхности теплообмена для одной секции теплообменного аппарата; c – показатель нелинейной зависимости стоимости, отражающий возможность размещения в одном корпусе таплообменного аппарата поверхности теплообмена разных размеров; –Айверсоновская функция потолка, возвращающая наименьшее целое число, большее или равное . В данном случае фактические значения этих параметров составляют A=40000 долларов США; B=1000 долларов США; Smax=250 м2; с=0,87.
Если удельную стоимость горячих и холодных утилит обозначить как CH и CC, зависимость общей дисконтированной стоимости проекта HEN от минимальной движущей силы теплообмена будет определяться по уравнению (2) [31]:
(2)
где Nex=L–1 – целевое количество теплообменников [4]; L – общее количество технологических потоков и утилит с учетом локализации пинча (L зависит от DTmin); i – процентная ставка; n – срок существования проекта (горизонт планирования); Aexj – стоимость установки j теплообменника; Bexj – удельная стоимость площади поверхности теплопередачи; c – показатель нелинейной зависимости стоимости поверхности теплопередачи; CSp – стоимость коллекторов расщепления и смешивания технологических потоков; NSp – количество расщеплений технологического потока (NSp зависит от DTmin); CH, CC – годовая стоимость горячих и холодных утилит; SNET – общая площадь поверхности теплообмена СТО (SNET зависит от DTmin); QHmin, QCmin – тепловые нагрузки на горячие и холодные утилиты (QHmin, QCmin зависят от DTmin).
Чтобы синтезировать оптимальную СТО установки УПСН необходимо определить экономически оптимальное значение движущей силы теплообмена – DTminopt. Для этого с помощью программы Pinch 2.02, потоковой табл. 1 и актуальных экономических и конструктивных значений A=40000 долл. США, B=1000 долл. США, c, Smax, CH=200 долл. США, CC=20 долл. США, CSp=40000 долл. США, годовой процентной ставки i= 5 %, горизонта планирования n=10 лет были построены стоимостные кривые для проекта реконструкции СТО УПСН [12] (рис. 6). Минимальное значение общей дисконтированной стоимости проекта наблюдается для значения DTmin= 6 °C, т. е. это значение является оптимальной минимальной разностью температур между теплоносителями в СТО установки для существующего набора технологических параметров.
Рис. 6. Стоимостные кривые: 1 – дисконтированные капитальные затраты; 2 – операционные затраты (стоимость энергии); 3 – общая дисконтированная стоимость проекта реконструкции
Fig. 6. Cost curves: 1 – discounted capital costs; 2 – opera-ting costs (cost of energy); 3 – total discounted cost of the retrofit project
Энергетические целевые значения и целевые значения для капитальных затрат определяются как компромисс между дисконтированными капитальными затратами и годовыми затратами на холодные и горячие утилиты, и он определяет соответствующее значение DTminopt [4].
Прогнозируемая минимальная приведенная стоимость проекта реконструкции составляет Costmin=1898800 долл. США, приведенная стоимость горячих утилит равна CoctUHOT=1167700 долл. США, приведенная стоимость холодных утилит равна CoctUCOL=43842 долл. США, прогнозируемая общая приведенная стоимость утилит равна CoctU=1211500 долл. США, целевая площадь поверхности рекуперативного теплообмена в этом случае равна SREC=7373 м2, целевая площадь поверхности теплообмена для холодных утилит равна SUCOL=455 м2, а для горячих утилит – SUHOT=380 м2. Заметим, что в проекте реконструкции замена путевых подогревателей на УПСН не предусмотрена, поскольку при реконструкции их нагрузка может быть только уменьшена, поэтому будет учитываться только стоимость их полезной тепловой нагрузки. И тогда в рассматриваемом случае совместная приведенная стоимость системы рекуперативного теплообмена и теплообменников системы охлаждения будет равна CostСТО=670974 долл. США. В дальнейшем СТО будет обозначать систему рекуперативного теплообмена и систему охлаждения УПСН.
Для определения целевых значений энергопотребления на обследуемой УПСН построим составные кривые для DTminopt=6 °C (рис. 7).
Построение составных кривых для DTmin=6 °C позволило определить целевые энергетические значения проекта реконструкции. Полезная мощность горячих утилит составляет QHmin=5830 кВт, холодных утилит – QCmin=2192 кВт, мощность рекуперации тепловой энергии – QRec=12210 кВт. Основные целевые параметры проекта реконструкции СТО УПСН приведены в табл. 4.
Таблица 4. Целевые энергетические значения для проекта реконструкции СТО УПСН для DTmin=6 °С
Table 4. Energy target values for the HEN OPSU retrofit project for DTmin=6°С
Параметры СТО HEN parameters | ЗначениеValue |
Горячие утилиты, кВт/Hot utilities, kW | 5380 |
Холодные утилиты, кВт/Cold utilities, kW | 2192 |
Мощность рекуперации тепловой энергии, кВт Heat energy recuperation capacity, kW | 12210 |
Температура пинча горячих потоков Hot streams pinch temperature, °C | 16 |
Температура пинча холодных потоков Cold streams pinch temperature, °C | 10 |
Сокращение удельного энергопотребления Reduction in specific energy consumption, % | 70 |
Рис 7. Составные кривые для проекта СТО: 1 – горячая составная кривая; 2 – холодная составная кривая; DTmin opt – минимальная разность температур между теплоносителями в теплообменном оборудовании для проекта СТО установки; QCmin – мощность холодной утилиты; QHmin – мощность горячей утилиты; QRec – мощность рекуперации теплоты в СТО
Fig. 7. Composite curves for the HEN project: 1 – hot composite curve; 2 – cold composite curve; DTmin opt – minimum temperature difference between heat carriers in heat exchange equipment in the existing HEN for unit retrofit; QCmin – power of the cold utility; QHmin – power of the hot utility; QRec – heat recuperation power in the HEN
За сокращение удельного энергопотребления принимается уменьшение полезной мощности горячих утилит.
Годовая прибыль от уменьшения энергопотребления в данном случае будет равна Pro=(Q0Hmin–QHmin)×CH=(17778–5830)×200=2389600 долл. США. Для процентной ставки i=15 %, горизонта проекта n=10 лет полученных дисконтированных капитальных затрат CostСТО=670974 долл. США целевое значение внутренней номы рентабельности составит 34 % чистого дисконтированного дохода и будет равно 5283110 долл. США, дисконтированный срок окупаемости ~4,2 лет.
Данные значения показывают, что полезная мощность горячих утилит при синтезе СТО с DTmin=6 °C уменьшится в 3,05 раза. Полезная нагрузка образуется при сжигании топочного газа, а это значит, что его расход на горение тоже должен уменьшится во столько же раз. Но топочный газ и воздух на горение нагреваются от температуры окружающей среды до температуры горения. Уменьшение расхода топочного газа приведет к снижению расхода воздуха во столько же раз, и, следовательно, уменьшатся затраты тепловой энергии на подогрев. Поэтому необходимо переопределить исходную потоковую табл. 1. Расход топочного газа станет равным 0,295 т/ч, потоковая теплоемкость примет значение 0,3 кВт/°C, тепловая мощность нагрева до температуры горения станет равной 368,5 кВт. Для расхода воздуха эти значения будут равны 2,427 т/ч, 0,7 кВт/°C, 626,5 кВт. Используя эти значения и программу Pinch 2.02, строим стоимостные кривые и определяем значение DTminopt (рис. 8). Минимальная разность температур между теплоносителями на теплообменном оборудовании осталась прежней – DTminopt=6 °C. Это также показывает некоторую устойчивость оптимальной СТО установки к изменению параметров технологических потоков УПСН.
Но результаты стоимости проекта реконструкции несколько изменились. Прогнозируемая минимальная приведенная стоимость проекта реконструкции станет равной Costmin=1498000 долл. США, т. е. общая приведенная стоимость проекта для новых потоковых данных уменьшится на 21 % по сравнению с проектом без уменьшения расхода топочного газа и воздуха на горение. Приведенная стоимость горячих утилит станет равной CostUHOT=815330 долл. США, а приведенная стоимость холодных – CostUCOL=44040 долл. США, прогнозируемая общая приведенная стоимость утилит станет равной CostU=859270 долл. США, целевая площадь поверхности рекуперативного теплообмена в этом случае равна SREC=6906 м2, целевая площадь поверхности теплообмена для холодных утилит равна SUCOL=457 м2. В рассматриваемом случае совместная приведенная стоимость системы рекуперативного теплообмена и теплообменников системы охлаждения будет равна CostСТО=632967 долл. США.
Построение составных кривых для новой потоковой таблицы позволяет определить целевые энергетические значения (рис. 8).
Локализация области пинча наблюдается на температурах горячих технологических потоков THP=16 °C и холодных – TСP=10 °C соответственно, т. е. пинч находится там же, где и находился до изменения расхода топливного газа. Это также говорит о некой устойчивости при изменении технологических параметров режима для оптимальной работы энергоэффективной СТО установки.
Полезная мощность горячих утилит уменьшится до QHmin=4074 кВт, а холодных – до QCmin=2202 кВт, мощность рекуперации тепловой энергии станет равной QRec=12190 кВт. Ранее мы определили, что полезная мощность горячих утилит в настоящее время равна Q0Hmin=17778,0 кВт, поэтому целевое снижение мощности горячих утилит будет равно DQHmin=13704,0 кВт, что составляет 77 % от исходной величины. Значение DQHmin позволяет оценить, используя данные, представленные в работе [32], целевое значение уменьшения выбросов парниковых газов в атмосферу, которое приблизительно будет равно 30 тыс. т в год.
Рис 8. Составные кривые для проекта реконструкции СТО с уменьшенным расходом топливного газа: обозначения такие же, как и на рис. 7
Fig 8. Composite curves for the HEN retrofit project with reduced fuel gas consumption: the designations are the same as in Fig. 7
Определение целевых значений для энергоэффективного проекта СТО УПСН
Основные целевые значения для проекта реконструкции по изменённым данным потоковой таблицы приведены в табл. 5.
Таблица 5. Целевые энергетические значения для проекта реконструкции СТО УПСН для DTmin=6 °С с уменьшенным расходом топливного газа
Table 5. Energy target values for the HEN OPSU retrofit project for DTmin=6°С with reduced fuel gas consumption
Параметры СТО HEN parameters | ЗначениеValue |
Горячие утилиты, кВт/Hot utilities, kW | 4074 |
Холодные утилиты, кВт/Cold utilities, kW | 2202 |
Мощность рекуперации тепловой энергии, кВт Heat energy recuperation capacity, kW | 12190 |
Температура пинча горячих потоков Hot streams pinch temperature, °C | 16 |
Температура пинча холодных потоков Cold streams pinch temperature, °C | 10 |
Сокращение удельного энергопотребления Reduction in specific energy consumption, % | 77 |
Результаты, полученные для анализа данных табл. 4, будем считать целевыми значениями для проекта реконструкции СТО УПСН. Уменьшение удельного энергопотребления на УПСН на 77 % является целевым значением для создания проекта реконструкции СТО УПСН.
Для определения целевых значений для проекта эффективной реконструкции СТО УПСН будет учитываться только стоимость горячих утилит. Годовая прибыль от уменьшения энергопотребления будет равна:
Pro=(Q0Hmin–QHmin)×CH=(17778–4074)×200=2740800 долл. США.
Для процентной ставки i=15 %, горизонта проекта n=10 лет, дисконтированных капитальных затрат CoctСТО=632967 долл. США целевое значение внутренней номы рентабельности (IRR) составит 42 %, целевое значение чистого дисконтированного дохода (NPV) будет равно 7425780 долл. США, а дисконтированного срока окупаемости (DPP) ~4 года. Данные экономические показатели, полученные вследствие эволюции целеуказания, несколько лучше, чем в ранее рассмотренном случае интеграции без уменьшения подачи топливного газа на горелки путевых подогревателей.
Заключение
В данной работе с помощью пинч-анализа определен потенциал энергоэффективности действующей УПСН. Показано, что можно снизить удельное энергопотребление на установке на 77 % при реализации проекта пинч-реконструкции СТО УПСН. Определены целевые энергетические значения, к которым необходимо стремиться при выполнении проекта энергоэффективной реконструкции СТО. Полезная мощность горячих утилит может быть снижена до 4074 кВт от существующей в настоящее время ~17778 кВт. Такое уменьшение мощности горячих утилит позволило бы снизить выбросы CO2 в атмосферу на 30 тысяч т в год. Определены также проектные и экономические целевые значения. Величина общей целевой площади поверхности рекуперативного теплообмена равна 6906 м2. Целевая площадь поверхности теплообменных аппаратов для холодных утилит составляет 457 м2. Определены основные технологические параметры СТО, необходимые для выполнения энергоэффективного проекта ее реконструкции [34]. Прежде всего это минимальная движущая сила теплообмена, равная DTmin=6 °C, и температуры пинча горячих технологических потоков, равной THP=16 °C, и холодных технологических потоков, равной TСP=10 °C. При этом целевые экономические значения будут равны: IRR=42 %, NPV=7425780 долл. США, DPP»4 года. На эти величины может ориентироваться проектировщик при синтезе проекта реконструкции СТО. Следует отметить, что эволюция целеуказаний и все целевые значения для проекта реконструкции получены еще до выполнения самого проекта СТO УПСН.
About the authors
Leonid M. Ulyev
National Research Tomsk Polytechnic University
Author for correspondence.
Email: ulyevlm@tpu.ru
ORCID iD: 0000-0002-2732-6444
Dr. Sc., Professor
Russian Federation, TomskMikhail N. Chernyshov
AO «TomskNIPIneft»
Email: mnc4@tpu.ru
Postgraduate Student
Russian Federation, TomskReferences
- Lee J.-Y., Chen P.-Y Optimization of heat recovery networks for energy savings in industrial processes. Processes, 2023, vol. 11, Iss. 2, article 321. DOI: https://doi.org/10.3390/pr11020321
- Meshalkin V.P., Tovazhnyansky L.L., Kapustenko P.A. Fundamentals of energy-efficient and environmentally friendly oil refining technologies. Kharkov, NTU KhPI Publ., 2011. 801 p. (In Russ.)
- Klemeš J.J., Varbanov P.S., Walmsley T.G., Jia X. New directions in the implementation of Pinch Methodology (PM). Renewable and Sustainable Energy Reviews, 2018, vol. 98, pp. 439–468. DOI: https://doi.org/10.1016/j.rser.2018.09.030
- Smith R. Chemical process design and integration. 2nd ed. Chichester, Wiley & Sons Ltd, 2016. 897 p.
- Walden J.V.M., Wellig B., Stathopoulos P. Heat pump integration in non-continuous industrial processes by Dynamic Pinch Analysis Targeting. Applied Energy, 2023, vol. 352, article 121999. DOI: https://doi.org/10.1016/j.apenergy.2023.121933
- Tan R.R., Bandyopadhyay S., Foo D.C., Migo-Sumagang M.V., Aviso K.B. Pinch analysis for temporally constrained carbon trading. Chemical Engineering Transactions, 2023, vol. 103, pp. 223–228. doi: 10.3303/CET23103038
- Cui C., Long N.V.D., Sun J., Lee M. Electrical-driven self-heat recuperative pressure-swing azeotropic distillation to minimize process cost and CO2 emission: process electrification and simultaneous optimization. Energy, 2020, vol. 195. DOI: https://doi.org/10.1016/j.energy.2020.116998.
- Zhu J., Chen L., Liu Z., Hao L., Wei H. Synergy of electrification and energy efficiency improvement via vapor recompression heat pump and heat exchanger network to achieve decarbonization of extractive distillation. Separation and Purification Technology, 2022, vol. 293. DOI: https://doi.org/10.1016/j.seppur.2022.121065
- Mrayed S., Bin Shams M., Al-Khayyat M., Alnoaimi N. Application of pinch analysis to improve the heat integration efficiency in a crude distillation unit. Cleaner Engineering and Technology, 2021, vol. 4. DOI: https://doi.org/10.1016/j.clet.2021.100168
- Jabbar K.J., Zein S.H., Hasan A.H., Ahmed U., Jalil A.A. Process design optimisation, heat integration, and techno-economic analysis of oil refinery: A case study. Energy Sources, Part A: Recovery, Utilization, and Environmental Effects, 2023, vol. 45, Iss. 2, pp. 4931– 4947. DOI: https://doi.org/10.1080/15567036.2023.2205365
- Yusoff N.I.M., Ismail M., Noor N.M., Mosir M., Alias N.M., Ali F.I.M., Putra Z.A. Pinch analysis application for fouled crude distillation and condensate fractionation units of a refinery. Chemical Engineering Transactions, 2021, vol. 88, pp. 163–168. doi: 10.3303/CET2188027
- Smith R., Klemeš J., Tovazhnyansky L.L., Kapustenko P.A., Ulyev L.M. Fundamentals of Heat Process Integration. Kharkov, NTU KhPI Publ., 2000. 457 p. (In Russ.)
- Angsutorn N., Chuvaree R., Siemanond K. A sustainable retrofit of an industrial heat exchanger network – a case study of a gas separation plant in Thailand (HEN Retrofit on GSP). Process Integration and Optimization for Sustainability, 2023, vol. 7,
- Iss. 1–2, pp. 137–162.
- Wang K., Hu J., Tang Q., He C., Zhang B., Chen Q. An engineering target‑oriented multi‑scenario heat exchanger network retrofit methodology with consideration of exergoeconomic. Environment, Development and Sustainability, 2023, vol. 25, Iss. 1, pp. 375–399.
- Yushkova E.A., Lebedev V.A. Improving the energy efficiency of a vacuum fuel oil distillation unit using pinch analysis. Notes of the Mining Institute, 2023, vol. 261, pp. 415–427. (In Russ.)
- Yushkova E.A., Lebedev V.A. The use of pinch analysis technology to assess the energy efficiency of oil refining technologies. International Journal of Exergy, 2023, vol. 40, no. 1, pp. 108–127.
- Ma W., Xiang S., Xia L. Energy-saving analysis of epichlorohydrin plant based on entransy. Processes, 2023, vol. 11, Iss. 3, article 954. DOI: https://doi.org/10.3390/ pr11030954
- Zhao L., Liu G. A comprehensive framework for targeting the disturbance propagation path and debottleneck strategy of chemical process considering the topology and cascading effects. Energy, 2024, vol. 301, article 131772. DOI: https://doi.org/10.1016/j.energy.2024.131772
- Duan H., Yang L., Xiao Y., Huang X., Cui G. A heuristic algorithm with a dynamic generation strategy for optimizing energy systems. Applied Thermal Engineering, 2024, vol. 236, Part D, article 121833. DOI: DOI: https://doi.org/10.1016/j.applthermaleng.2023.121833
- Bonhivers J.C., Svensson E., Berntsson T., Stuart P.R. Comparison between pinch analysis and bridge analysis to retrofit the heat exchanger network of a kraft pulp mill. Applied Thermal Engineering, 2014, vol. 70, pp. 369–379. DOI: http://dx.doiorg/10/1016/j.appthermaleng.2014.04.078
- Schlosser F., Walmsley T.G., Lincoln B., Meschede H. Retrofit of a galvanisation plant using advanced heat pump bridge analysis. Chemical Engineering Transactions, 2023, vol. 103, pp. 319–324. doi: 10.3303/CET23103054
- Pethe K.R., Dabhade P.M., Kolekar V.J., Sardare M.D. Heat integration and heat exchanger network design with aspen energy analyze. International Conference on Advances in Mechanical Engineering-2022 (ICAME-2022). 2022. IOP Conference Series: Materials Science and Engineering. doi: 10.1088/1757-899X/1259/1/012006
- Fu D., Li Q., Li Y., Lai Y., Lu L., Dong Z., Lyu M. Pinch-based general targeting method for predicting the optimal capital cost of heat exchanger network. Processes, 2023, vol. 11, Iss. 3, article 923. DOI: https://doi.org/10.3390/pr11030923
- Ali E., Wazeer I., Almutlaq A., Rallapalli J., Hadj-Kali M.K. Retrofitting heat exchanger network of industrial ethylene glycol plant using heat integration based on pinch analysis. Polish Journal of Chemical Technology, 2022, vol. 24, no. 2, pp. 8–20. doi: 10.2478/pjct-2022-0009
- Ulyev L., Boldyryev S., Kuznetsov M. Investigation of process stream systems for targeting energy-capital trade-offs of a heat recovery network. Energy, 2023, vol. 263, P. D, article 125954. DOI: https://doi.org/10.1016/j.energy.2022.125954
- Bandyopadhyay S. Incorporating uncertainties in pinch analysis. Chemical Engineering Transactions, 2021, vol. 88, pp. 73–78. doi: 10.3303/CET2188012
- Ray A., Kazantzis N., Foo D.C., Kazantzi V., Tan R.R., Bandyopadhyay S. Financial pinch analysis for selection of energy conservation projects with uncertainties. Chemical Engineering Transactions, 2021, vol. 88, pp. 109–114. doi: 10.3303/CET2188018
- Orosz A., Friedler F. Multiple-solution heat exchanger network synthesis for enabling the best industrial implementation. Energy, 2020, vol. 208, article 118330. DOI: https://doi.org/10.1016/j.energy.2020.118330
- Zhao K., Zhao L., Tang Q.Q., Chen Q.L., He C., Zhang B.J. A novel optimization framework integrating multiple initializations, automatic topologization and MINLP reduction to accelerate large-scale heat exchanger network synthesis. Energy, 2024. vol. 307, article 132508. DOI: https://doi.org/10.1016/j.energy.2024.132508.
- Ulyev L.M., Kuznetsov M.T., Gil T.A., Norin V.V., Karakchieva N.I., Knyazev A.S., Saitova A.A., Kuvardina E.V. Energy efficiency increasing of the crude oil treatment plant in the field. Tomsk State University Journal of Chemistry, 2023, no. 32, pp. 172–184. (In Russ.) doi: 10.17223/24135542/32/13
- Kemp I.C., Lim J.S. Pinch analysis for energy and carbon footprint reduction. User guide to process integration for the efficient use of energy. 3rd ed. UK, ICHemE, 2020. 548 p.
- Ulyev L.M. Introduction to Pinch Analysis. 2nd ed. St Petersburg, Lan Publ., 2024. 208 p. (In Russ.)
- Ulyev L.M., Kanishev M.V., Vasilyev M.A., Maatouk A. Energy efficiency retrofit of two-flow heat exchanger system. Chemical Engineering Transactions, 2018, vol. 70, pp. 1513–1518. DOI: https://doi.org/10.3303/CET1870253
- Methodology for calculating greenhouse gas emissions (CO2 equivalent) (In Russ.) Available at: https://sro150.ru/metodiki/371-metodika-rascheta-vybrosov-arnikovykh- gazov (accessed 25 September 2024).
Supplementary files









