Numerical studies of the efficiency of binary geothermal power plants at the studied thermal fields of Russia
- Authors: Yankovsky S.A.1, Zavorin A.S.1, Yankovskaya N.S.1, Tsibulskiy S.A.1
-
Affiliations:
- National Research Tomsk Polytechnic University
- Issue: Vol 336, No 1 (2025)
- Pages: 215-229
- Section: Articles
- URL: https://medbiosci.ru/2500-1019/article/view/281924
- DOI: https://doi.org/10.18799/24131830/2025/1/4880
- ID: 281924
Cite item
Full Text
Abstract
Relevance. The necessity to develop in Russia the technologies that use non-traditional energy sources. The formation of these technologies will allow providing energy resources to the population without harmful emissions into the environment. Aim. Comprehensive analysis of the operating characteristics of a binary geothermal power plants in various climatic operating conditions. Objects. Thermal diagrams of binary geothermal power plants applicable to installation in different geographic regions and operation from different geothermal sources. Methods. Numerical studies based on mathematical algorithms of binary geothermal plant systems, comparative analysis of the efficiency of binary geothermal plants based on various external parameters. Results and conclusions. Numerical studies have been conducted to determine the efficiency of geothermal power plants with a binary thermal circuit and an air-cooled condenser were conducted during their operation on various sources, for which 15 known geothermal sources located in Russia in different geographical regions were selected. Possible operating parameters of binary geothermal power plants were analyzed based on the known characteristics of the fluid at the well outlet. Since the geothermal power plant has an air-cooled condenser in its thermal circuit, its operating parameters were obtained from the average monthly ambient air temperatures in the calendar year in the region where the analyzed geothermal source is located. Numerical studies showed the impact of thermal source parameters and climatic features on the efficiency of electric energy generation by means of a binary plant. It was revealed that with the possible operation of a binary geothermal plant during a calendar year, the highest average monthly electric power is expectedly achieved in the cold period of time, in this case in January, and is 1752 kW for the Mogoysky hot spring. For the warmest month of the year – July – the binary power plant of the Mechigmen hot spring could have the greatest electric power of 930 kW. The greatest absolute electric efficiency in January reaches 15.22%, depends to a greater extent on the value of the temperature of the heat supply in the cycle and among the binary stations considered in this work, the geothermal power plants in the settlement of Chazhemto could have it.
Full Text
Сокращения, аббревиатуры
- EIA – Energy Information Administration (Управление энергетической информацией);
- ВИЭ – возобновляемый источник энергии;
- ГеоЭС – геотермальная электростанция;
- ГИ – горячий источник;
- КВО – конденсатор воздушного охлаждения;
- КН – конденсатный насос;
- КПД – коэффициент полезного действия;
- н/д – нет данных;
- н.п. – населенный пункт;
- ОЦР – органический цикл Ренкина;
- ПВС – пароводяная смесь;
- р-н – район;
- СРК – стопорно-регулирующие клапаны;
- ФФ – флюид-фреон;
- Чистый ноль – углеродная нейтральность энергетических объектов;
- ЭЭ – электроэнергия;
- SI – СИ – международная система измерения единиц.
Введение
Согласно докладу ООН 2022 г. [1] о целях в области устойчивого развития, мир стоит на краю климатической катастрофы, и время, когда ее еще можно предотвратить, быстро уходит. Увеличение общего потребления энергии, с одной стороны, и минимизация связанных с этим выбросов парниковых газов, с другой, являются одной из наиболее важных экологических проблем в современном мире [2, 3]. Согласно прогнозам, для снижения последствий глобального потепления потребуется увеличить долю ВИЭ до 65 % к 2050 г. [4]. Также отмечается, что ВИЭ будут самыми быстрорастущими источниками энергии, и уже к 2040 г. их доля может увеличиться в 5 раз, что обеспечит приблизительно 14 % мирового потребления энергии [5].
Цель мировых энергетических трендов – развитие ВИЭ [6]. В странах Восточной и Юго-Восточной Европы, Центральной Азии, Кавказа и в Российской Федерации с 2018 г. наблюдался беспрецедентный рост производства возобновляемой электроэнергии [7]. Согласно данным «Eurostat» за 2020 г., в некоторых странах Европы доля ВИЭ уже превысила 50 %. При этом лидерами стали такие страны, как Исландия (83,7 %), Норвегия (77,4 %) и Швеция (60,1 %) [8].
Среди ВИЭ после ветровой и солнечной энергетики геотермальная стоит на третьем месте в мире по выработке электрической энергии. Однако развитие ветровых и солнечных электростанций в отсутствие накопителей энергии не может считаться наиболее эффективным способом снижения выбросов парниковых газов в энергосистеме, тем более что данные виды электростанций значительно проигрывают другим вариантам комбинированной выработки электроэнергии и тепла [9]. Кроме того, важно отметить, что геотермальная энергия является предсказуемым постоянным и надежным источником энергии, не зависящим от погоды или сезонных колебаний [10]. Накопленная под поверхностью Земли геотермальная энергия может применяться для прямого обеспечения тепловой энергией либо для преобразования в электроэнергию и, следовательно, является одним из источников энергии, доступных для достижения «чистого нуля» [11]. Геотермальные системы отопления и охлаждения могут обеспечить здания недорогими ресурсами и, как правило, имеют больший срок службы, надежность и устойчивость по сравнению с такими источниками, как, например, ветер и солнце [12]. Сегодня используется менее 1,0 % потенциала геотермальной энергии Земли, стоимость преобразования которой в электрическую энергию является одной из самых низких среди различных технологий электрогенерации согласно статистике EIA США (табл. 1) [13, 14].
Температура геотермальных ресурсов играет принципиально важную роль в геотермальном секторе. Например, прямое использование геотермальных ресурсов с температурами от 30 до 90 °C [15] может быть полезно для: химической обработки [16], охлаждения/обогрева зданий [17], сельскохозяйственных теплиц [18], производства водорода [19], дистилляции соленой воды [20, 21], извлечения тяжелой нефти [22], хранения энергии воздуха [23] и пр. В настоящее время низкотемпературные геотермальные ресурсы используются в качестве непосредственного источника энергии примерно в 82 странах, при этом общая установленная тепловая мощность составляет 70,9 ГВт [24].
Таблица 1. Средняя выровненная стоимость электроэнергии, производимой из невозобновляемых и альтернативных ресурсов на период 2020–2025 гг. [14, 15]
Table 1. Average aligned cost of electricity produced from non-renewable and alternative resources for 2020–2025 [14, 15]
Тип электростанции Power plant type | Стоимость $/кВт.ч Cost $/kW·hour |
Угольная/Coal | 0,12–0,13 |
На природном газе/On natural gas | 0,043 |
Атомная/Nuclear | 0,093 |
Ветровая (на суше)/Wind (on land) | 0,038 |
Ветровая (на шельфе)/Wind (on the shelf) | 0,106 |
Солнечная (фотоэлектрические) Solar (photovoltaic) | 0,036 |
Солнечная (тепловая энергия) Solar (thermal energy) | 0,165 |
Геотермальная/Geothermal | 0,040 |
На биомассе/On biomass | 0,090 |
Гидроэлектростанция Hydroelectric power station | 0,039 |
Около 70 % используемых геотермальных ресурсов во всем мире имеют температуры от 110 до 160 °C [25]. Геотермальные источники с температурой выше 150 °C считаются высокотемпературными, и большая часть этих ресурсов находится в активных вулканических районах.
Согласно данным [26], суммарная выработанная электрическая мощность при использовании геотермальных источников в 2015 г. составила 73,5 ТВт×ч, в 2020 г. – 95 ТВт×ч, а в 2021 г. – уже 105 ТВт×ч. С 2015 по 2021 гг. прирост выработки электрической энергии составил 43 %, в основном благодаря вводу новых бинарных установок. Сегодня насчитывается около 400 геотермальных электростанций (часто состоящих из нескольких блоков/установок) [27].
В настоящее время страны с наибольшей общей установленной мощностью используемых геотермальных ресурсов (в порядке убывания): США, Индонезия, Филиппины, Турция, Новая Зеландия, Мексика, Италия, Кения, Япония и др. В Индонезии расположены четыре крупнейшие в мире электростанции, самая крупная из которых, «Salak», имеет мощность 376,8 МВт [28, 29].
Таким образом, в XXI в. складывается мировая тенденция в топливно-энергетическом комплексе по снижению выбросов вредных веществ, достижению углеродной нейтральности. При этом в России также поставлены задачи по увеличению ВИЭ для выработки энергии. Однако в настоящее время доля данных видов энергии очень мала. Основная цель данной работы состоит в том, чтобы численно доказать эффективность использования бинарных комплексов для преобразования геотермальной тепловой энергии в электрическую на известных термальных месторождениях в России.
Геотермальная энергия России
Россия обладает огромными запасами геотермальной энергии [30]. Среди регионов с геотермальными ресурсами выделяют: Предкавказье, Западную и Восточную Сибирь, Камчатку, Курильские острова, Сахалин, Дальний Восток [6]. Общий тепловой потенциал ресурсов геотермальной энергии России эквивалентен 1702 трлн т условного топлива (т.у.т.) [31]. В 2021 г. геотермальная энергетика Российской Федерации имела установленную мощность ГеоЭС 74 МВт, мощность тепловой генерации – 110 МВт, выработка электрической энергии в год составила 280 ГВт·ч, тепловой энергии – 428 ГВт·ч. В стране эксплуатировались три пароводяных геотермальных месторождения с 95 скважинами, из которых в 2021 г. было добыто 13 млн т ПВС. На 33-х гидрогеотермальных месторождениях было добыто 25,7 млн м³/год теплоносителя [32].
Территория Российской Федерации обширна, множество населенных пунктов находятся в труднодоступных и отдаленных районах, в которых для обеспечения потребностей в электрической энергии применяются установки, сжигающие углеродосодержащие ископаемые виды топлива. Однако использование данных установок сопряжено с рядом существенных недостатков: сжиганием ископаемого невозобновляемого топлива, загрязнением окружающей среды, высокой стоимостью топлива из-за проблем с доставкой в отдаленные районы и пр. В итоге вырабатывается электроэнергия с высокой себестоимостью, при этом суммарная годовая выработка достигает более 1 млрд кВт·ч [33]. На 2024 г. средняя себестоимость ЭЭ на этих электростанциях составляет 40–64 р./кВт·ч, а максимальная достигает 2191 р./кВт·ч, что во много раз превышает средний тариф при централизованном электроснабжении. Высокая стоимость производства ЭЭ обусловлена труднодоступностью данных районов и высокой стоимостью транспортировки органического вида топлива к данным электростанциям. В подобных условиях одним из наиболее перспективных способов снижения стоимости производимой ЭЭ может рассматриваться использование альтернативных источников энергии, например, геотермальной. Несмотря на то, что в большей части данных регионов отсутствуют высокотемпературные геотермальные источники, современные разработки позволяют обеспечивать потребителей электрической и тепловой энергией. Для выработки энергии в мире все чаще используются низкотемпературные геотермальные ресурсы в качестве первичных источников энергии [34]. В этом случае могут быть использованы геотермальные бинарной установки, работающие на предельно низкотемпературном теплоносителе (70 °C) [35].
Объекты исследования
Тепловая схема бинарных ГеоЭС
В настоящее время растет интерес к использованию осадочной геотермальной энергии для выработки электроэнергии в связи с достижениями в технологиях преобразования с использованием бинарных циклов, которые позволяют вырабатывать электроэнергию при температурах пласта до 80 °C [36]. Особый интерес низко- и среднетемпературные источники тепловой энергии представляют в связи с их доступностью [37].
Для таких геотермальных месторождений перспективной технологией становится ОЦР, который работает на насыщенном паре фреона. Геотермальная станция, работающая по такому бинарному циклу, может вырабатывать электрическую энергию от низкотемпературных источников тепловой энергии с наибольшей эффективностью.
Выбор рабочей жидкости является одним из наиболее важных вопросов, с которыми сталкиваются при проектировании систем с ОЦР, и продиктован различными критериями, такими как: безопасность использования, воздействие на окружающую среду, а также физические и химические параметры.
Температура окружающей среды является критическим параметром для работы геотермальных электростанций бинарного типа с конденсаторами воздушного охлаждения, поскольку летом электростанции этого типа сталкиваются со значительными потерями производительности. Геотермальные электростанции с конденсаторами воздушного охлаждения должны быть исследованы на предмет возможных альтернативных систем испарительного охлаждения, чтобы уменьшить негативное влияние температуры окружающей среды на мощности по производству электроэнергии в теплые дни [38].
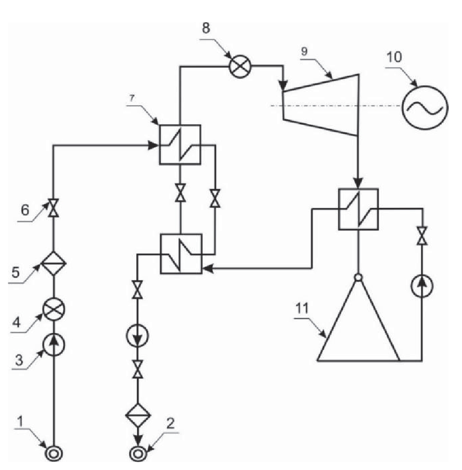
Исследуемая бинарная ГеоЭС, работающая на насыщенном газообразном фреоне, тепловая схема которой приведена на рис. 1, может быть в модульном исполнении и является экологически чистым источником энергии для обеспечения потребителей в труднодоступных и отдаленных регионах.
Геотермальный флюид служит источником тепловой энергии для органического цикла Ренкина и после отдачи тепловой энергии закачивается в инжекционную скважину.
Рис. 1. Принципиальная тепловая схема бинарной геотермальной электростанции [39]: 1 – продуктивная скважина; 2 – инжекционная скважина; 3 – насос; 4 – регулирующая аппаратура скважины; 5 – фильтры-сепараторы скважины; 6 – прочая запорно-регулирующая арматура; 7 – теплообменник; 8 – СРК; 9 – ОЦР-турбина; 10 – электрогенератор; 11 – КВО
Fig. 1. Basic thermal diagram of a binary geothermal power plant [39]: 1 – production well; 2 – injection well; 3 – pump; 4 – well control equipment; 5 – well filters-separators; 6 – other shut-off and control valves; 7 – heat exchanger; 8 – stop and control valves; 9 – ORC-turbine; 10 – electric generator; 11 – air cooled condenser
После получения тепловой энергии фреон в состоянии сухого насыщенного газа поступает на ОЦР-турбину для преобразования в энергию вращения на валу, который приводит в действие электрический генератор. Теплообменники поверхностного типа используются для теплообмена между геотермальным флюидом и фреоном. Для отвода тепловой энергии и конденсации рабочего тела применяется конденсатор с воздушным охлаждением. При этом на условия конденсации значительное влияние оказывают климатические условия, а также особенности конструкции КВО. Для повышения эффективности выработки электрической энергии в данной системе применяется внутренний теплообменник-регенератор [40].
Геотермальные месторождения России, перспективные для ГеоЭС
В табл. 2 приведены основные параметры геотермальных месторождений для предполагаемой установки на них модульной геотермальной электростанции с бинарным циклом.
Таблица 2. Параметры скважин России с температурой источника >80 °С c известным дебетом [27]
Table 2. Parameters of wells in Russia with a source temperature of >80°C and known flow rate [27]
Наименование Name | Месторасположение Location | Температура в устье скважины, °С Temperature at the wellhead, °C | Степень минерализации, г/л Mineralization degree, g/l | Дебит ГИ, м3/ч Flow rate, m3/h |
Мечигменский/Mechigmensky | Чукотский автономный округ Chukotka Autonomous District | 97 | 3,8 | 60–70 |
Менявинские/Menyavinsky | 79,7 | 1,3 | 55 | |
Чаплинские Chaplinsky | 87,5 | н/д/n/a | 40 | |
Паланские горячие ключи Palanskie hot springs | Камчатский край Kamchatka region | 95 | 0,76 | 16,5 |
Киреунские/Kireunsky | 100 | 1,53 | 30 | |
Апапельские/Apapelskie | 97 | 1,49 | 10 | |
Малые Банные/Malye Bannye | 70–80 | пресная/fresh | 1,5 | |
Столбовские/Stolbovskie | Сахалинская область, о. Кунашир Sakhalin region, Kunashir island | 80–100 | н/д/n/a | 2 |
Южно-Алехинские Yuzhno-Alekhinskie | 60–100 | н/д/n/a | 10 | |
Могойский/Mogoysky | Республика Бурятия Republic of Buryatia | 81 | 0,5 | 80–100 |
Котельниковский Kotelnikovskiy | 81 | 0,38 | 3–8 | |
Чажемто Chazhemto | Томская область Tomsk region | 118 | 5,9 | 0,93 |
Спа-курорт «Аква Тоника» Spa resort «Aqua Tonika» | Краснодарский край Krasnodar region | 86 | 5 | 23 |
Кизляр/Kizlyar | Республика Дагестан Republic of Dagestan | 100–104 | 1,8–9,2 | 11–28,9 |
Центр «Тарнаир» Center «Tarnair» | 97–98 | 21,99–22,03 | 0,03 |
В табл. 2 для каждого геотермального источника показан регион месторасположения, температура в устье скважины, степень минерализации и часовой дебет при самоизливе. По региону находятся среднемесячные температуры окружающего воздуха (табл. 3), температура флюида в устье скважины определяет температуру подвода тепловой энергии в ОЦР ГеоЭС, а дебет совместно с температурой определяет величину тепловой энергии, подводимой в бинарном цикле. Наибольшей температурой в устье скважины при самоизливе обладают горячие источники н.п. Чажемто, Кизляр, Киреунский, Столбовский (~100 °С), для которых температура подвода тепловой энергии в ОЦР ГеоЭС будет наибольшей. Наибольший дебет при самоизливе флюида наблюдается у Могойского и Мечигменского горячих источников, для которых бинарная ГеоЭС будет иметь наибольшую мощность среди всех представленных к рассмотрению месторождений.
Расчетный алгоритм бинарной ГеоЭС, работающей на насыщенном газообразном фреоне R245fa
Приведенная ниже математическая модель построена на базе теплового расчета схемы (рис. 1) при работе ОЦР на фреоне R245fa. Эта модель включает в себя физические характеристики всех рабочих тел, компонентов, в том числе теплообменников, насосов, охладителей, конденсаторов, турбин. Математическая модель реализована в пакете Excel с надстройкой уравнений базы данных Refprop [41].
Температура сухого насыщенного фреона на выходе из испарителя:
t0S=tГЕО–ΔtФФ, °С.
Давление, энтальпия, энтропия, плотность сухого насыщенного фреона на входе:
p0S=pressure(R245fa; Tvap; SI; t0S+273,15), МПа;
h0=h//0=enthalpy(R245fa; Tvap; SI; t0S+273,15), кДж/кг;
s0=s//0=entropy(R245fa; Tvap; SI; t0S+273,15), кДж/кг×°С;
ρ0=ρ0S=density(R245fa; Tvap; SI; t0S+273,15), кг/м3,
где R245fa – выбранное рабочее тело в ОЦР; Tvap – функция газообразного (парообразного) состояния R245fa по температуре.
Температура и давление насыщения в КВО:
tkS=tВ–ΔtКВО, °С;
pkS=pressure(R245fa; Tvap; SI; tKS+273,15), МПа.
Давление фреона на выходе из ОЦР-турбины:
pОЦРk=pKS+pKSΔpТ/100, МПа.
Теоретическая и действительная энтальпия фреона на выходе из ОЦР-турбины:
hОЦРkt=enthalpy(R245fa; PS; SI; pОЦРk; s//0), кДж/кг;
hОЦРk=h0–(h0–hОЦРkt)ηoi/100, кДж/кг.
Действительный теплоперепад ОЦР-турбины:
ΔhОЦР=h0–hОЦРk, кДж/кг.
Массовый расход геотермальной воды на испаритель+экономайзер:
МГЕО=VГЕО/ρГЕО, кг/с.
Энтальпия геотермальной воды на входе в теплообменники:
hГЕО_ВХ=enthalpy(water; TP; SI; tГЕО+273,15; pГЕО), кДж/кг.
Энтальпия геотермальной воды на выходе из теплообменников:
hГЕО_ВЫХ=enthalpy(water; TP; SI; tГЕО_ВЫХ; pГЕО), кДж/кг.
Тепловая мощность теплообменников флюид-фреон:
QФФ=МГЕО(hГЕО_ВХ–hГЕО_ВЫХ)ηТЕПЛ/100.
Давление фреона R245fa на выходе из конденсатного насоса:
pКН=p0S[1+(ΔpСРК+ΔpОЦР)/100], МПа.
Прирост энтальпии в конденсатном насосе:
ΔhКН=(pКН–pkS)×103/(ηКН⸱ρКН), кДж/кг.
Энтальпия фреона R245fa на входе в теплообменники:
h245faВХ=h/K+ΔhКН+ΔhРЕГ, кДж/кг.
Номинальный массовый расход фреона R245fa на ОЦР-турбину:
MR245fa = QФФ / (h0 – h245faВХ), кг/с.
Номинальная мощность ОЦР-турбины:
NНОМ=MR245faΔhОЦР, кг/с.
Объемный расход R245fa в ОЦР-турбине:
VR245fa=MR245fa/ρ0, м3/с.
Действительная энтропия фреона на выходе из ОЦР-турбины:
sR245fak=entropy(R245fa; PH; SI; pОЦРk; hОЦРk), кДж/кг×°С.
Энтропия сухого насыщенного фреона при давлении pОЦРk:
s//k=entropy(R245fa; Pvap; SI; pОЦРk; vap), кДж/кг×°С,
где Pvap – функция газообразного (парообразного) состояния R245fa по давлению.
Если sОЦРk> s//k, газообразный фреон R245fa на выходе из ОЦР-турбины находится в перегретом состоянии.
Для снятия перегрева пара фреона перед конденсатором требуется его охлаждение в регенеративном подогревателе.
Энтальпия насыщенного фреона при давлении pОЦРk:
h//k=enthalpy(R245fa; Pvap; SI; pОЦРk; vap), кДж/кг×°С.
Теплосъем в регенеративном подогревателе:
ΔhРЕГ=hОЦРk –h//k, кДж/кг.
Энтальпия конденсата фреона на выходе из КВО:
h/K=enthalpy(R245fa; Tliq; SI; tkS+273,15; liq), кДж/кг,
где Tliq – функция жидкого состояния R245fa по температуре.
Плотность фреона на выходе из конденсатного насоса:
ρКН=density(R245fa; TP; SI; tR245faВХ+273,15; pКН), кг/м3,
где tR245faВХ – температура фреона на входе в экономайзер:
tR245faВХ=temperature(R245fa; PH; SI; pКН; hR245faВХ), °С.
Мощность конденсатного насоса:
NКН=MR245fa (pКН–pkS)×103/(ηКНρКН), кВт.
Электрическая мощность геотермальной станции с учетом затрат на собственные нужды:
NЭ=(NНОМ–NКН–NКВО)ηЭМ, кВт.
Абсолютный электрический КПД геотермальной станции:
ηЭ=NЭ×100/[МГЕО(hГЕО–hГЕО_ВЫХ)], %.
Численные исследования ГеоЭС бинарного типа на различных геотермальных источниках
Данная часть работы состоит из двух взаимосвязанных этапов:
1) изучение влияния температуры и дебета геотермального флюида на мощность и КПД нетто ГеоЭС;
2) исследование влияния температуры окружающего воздуха на мощность и КПД нетто ГеоЭС.
Два этих этапа показывают, как природные факторы оказывают одновременное влияние на работу электрической станции.
Расчеты тепловой схемы бинарной ГеоЭС проведены при ее установке на месторождениях, расположенных в России. Каждое месторождение характеризуется температурой на поверхности в устье скважины tГЕО, °С, номинальным дебетом VГЕО, м3/ч. Кроме того, каждый регион обладает своими климатическими условиями, которые в данной статье было принято упростить до среднемесячной температуры воздуха tВОЗМЕС, °С (табл. 3).
Таблица 3. Среднемесячные температуры воздуха для выбранных регионов с термальными источниками [42]
Table 3. Average monthly air temperatures for selected regions with thermal springs [42]
Наименование источника Source | Среднемесячные температуры воздуха, °С/Average monthly air temperatures, °C | |||||||||||
Янв Jan | Фев Feb | Март March | Апр Apr | Май May | Июнь June | Июль July | Авг Aug | Сент Sept | Окт Oct | Нояб Nov | Дек Dec | |
Мечигменский Mechigmensky | –22,1 | –21,1 | –18,4 | –12 | –1,2 | 7,2 | 12,1 | 10,5 | 5,3 | –3,6 | –11,5 | –19,2 |
Менявинские Menyavinsky | ||||||||||||
Чаплинские/Chaplinsky | ||||||||||||
Паланские/Palansky | -6,5 | -6,1 | -3,4 | 0,4 | 4,8 | 9,5 | 13 | 13,7 | 10,7 | 5,5 | -0,6 | -5 |
Киреунские/Kireunsky | ||||||||||||
Апапельские Apapelskie | ||||||||||||
Малые Банные Malye Bannye | ||||||||||||
Столбовские Stolbovskie | –12,2 | –11,6 | –5,6 | 1,7 | 6,9 | 11,7 | 15,5 | 17,3 | 13,2 | 6,5 | –1,6 | –8,6 |
Южно-Алехинские Yuzhno-Alekhinskie | ||||||||||||
Могойский/Mogoysky | –22,8 | –17,5 | –6,7 | 3,4 | 10,9 | 17,9 | 20,9 | 17,7 | 10 | 0,8 | –10,3 | –19,4 |
Котельниковский Kotelnikovskiy | ||||||||||||
Чажемто/Chazhemto | –17,1 | –14,7 | –7 | 1,3 | 10,4 | 15,9 | 18,7 | 15,7 | 9 | 1,7 | –8,3 | –15,1 |
Белый Яр/Bely Yar | –18,5 | –17 | –8,2 | 0,7 | 8,8 | 16 | 19 | 15,7 | 9,5 | 0,6 | –10,1 | –16,4 |
Аква Тоника Aqua Tonika | 4,7 | 5 | 7,8 | 9,2 | 15,2 | 20 | 22 | 22,7 | 17,8 | 11,6 | 7,3 | 4,3 |
Кизляр/Kizlyar | 0,1 | 0,3 | 4,6 | 11,2 | 17 | 22,2 | 24,8 | 24,2 | 19,2 | 13 | 6,4 | 12,1 |
Тарнаир/Tarnair | ||||||||||||
Общие условия работы тепловой схемы бинарной ГеоЭС:
- давление геотермального флюида в устье скважины – pГЕО=0,6 МПа;
- ОЦР работает на насыщенном газообразном фреоне R245fa (обоснование выбора тепловой схемы бинарной ГеоЭС и рабочего тела приведено в [39]);
- гидравлические потери давления R245fa на СРК (8) (рис. 1) – ∆pГЕО=5 %;
- температурный напор в КВО – ΔtКВО= 0 °С;
- гидравлические потери давления R245fa в теплообменниках (7) (рис. 1) – ΔpОЦР=15 %;
- гидравлическое сопротивление выхлопного тракта ОЦР-турбины ΔpТ=5 %;
- тепловые потери теплообменников (7) охарактеризованы КПД – ηТЕПЛ=0,98;
- внутренний относительный КПД ОЦР-турбины – ηoi=0,73;
- КПД конденсатного насоса – ηКН=0,8;
- температурный напор на горячем конце теплообменников ФФ – ΔtФФ=10 °С.
Как видно из табл. 3, из рассматриваемых регионов республика Бурятия является регионом с наиболее холодным воздухом, в котором имеются Могойский и Котельниковский горячие источники, далее следует Чукотский АО, в котором находятся Мечигменский, Менявинские и Чаплинские горячие источники. При установке электростанции на базе ОЦР с КВО в данных регионах температура отвода тепловой энергии из цикла будет низкая, что приводит к увеличению генерации электрической мощности в генераторе и повышению КПД.
Наиболее жарким месяцем для большинства регионов, в которых есть показанные выше месторождения геотермального флюида, является июль. Однако есть регионы, в которых наиболее теплым является август, – это Камчатский край и Сахалинская область.
Данная таблица необходима для определения температуры отвода тепловой энергии из ОЦР с помощью КВО.
Для каждого месторождения (табл. 2) предполагаются установки с тепловой схемой в модульном исполнении бинарной геотермальной станции (рис. 1). По известному дебету и температуре в устье скважины термального источника определялась подводимая тепловая энергия и начальная температура фреона в ОЦР. По известным среднемесячным температурам определялась температура отвода и конденсации фреона R245fa в ОЦР. Таким образом исследовано 16 потенциальных геотермальных электростанций в различных регионах на разных месторождениях.
На рис. 2 приведена мощность ГеоЭС в зависимости от среднемесячных температур региона и от температуры и дебета скважины, которые были получены на основе численных исследований. Такая же зависимость показана на рис. 3, но для абсолютного электрического КПД нетто ОЦР ГеоЭС. Рисунки разделены на две части по электрической мощности ГеоЭС (рис. 2, а и рис. 3, а – для ГеоЭС NНОМ>100 кВт, рис. 2, б и рис. 3, б – для ГеоЭС NНОМ<100 кВт).
Как оказалось, наибольшей электрической мощностью обладала бы бинарная ГеоЭС, работающая на Могойском ГИ, для которого часовой дебет флюида при самоизливе составляет VГЕО=100 м3/ч. Таким образом, тепловая мощность, получаемая фреоном R245fa в теплообменниках ФФ, составляет 12,9 МВт. А генерируемая электрическая мощность в январе составляет NЭ=1752 кВт, наименьшая – в июле NЭ=774 кВт. При этом наибольшей генерируемой мощностью в самом теплом месяце года (июле) обладает бинарная ГеоЭС на Мечигменском ГИ – NЭ=930 кВт, связано это с меньшей температурой воздуха, чем для Могойского ГИ (табл. 3).
На втором месте по генерируемой мощности в холодное время года (в данном случае для января) находится ГеоЭС на Мечигменском ГИ, для нее NЭ=1385 кВт, на третьем месте – ГеоЭС на Менявском ГИ – NЭ=1053 кВт.
Из рис. 3 видно, что наибольшим абсолютным электрическим КПД обладает бинарная ГеоЭС, работающая на геотермальном источнике в п. Чажемто. Геотермальный источник обладает температурой в устье скважины tГЕО=118 °С, таким образом температура газообразно-насыщенного фреона R245fa на входе ОЦР-турбину составляет 108 °С. Кроме того, для этого региона (Северо-Запад Томской области) наблюдаются низкие температуры воздуха в течение года, которые определяют наименьшие значения для температуры отвода тепловой энергии в ОЦР. Наибольшее значение ηЭ достигается в январе и составляет 15,22 % для ГИ п. Чажемто, наименьшее в июне – 11,0 %, когда температура воздуха наибольшая. Однако ГеоЭС для п. Чажемто обладает наибольшей электрической мощностью 20,89 кВт в январе.
Для ГеоЭС с мощностью более 100 кВт наибольшим абсолютным электрическим КПД обладает станция, располагаемая на Мечигменском месторождении. Наибольший КПД ηЭ=14,51 % для января, а наименьший наблюдается в июле – ηЭ=9,74 %. Для данного месторождения температура геотермального флюида в устье скважины составляет 97 °С и не меняется в течение года, таким образом, за падение и рост КПД отвечает температура отвода тепловой энергии, которая зависит от температуры наружного воздуха. Относительное падение абсолютного электрического КПД для Мечигменского месторождения в сравнении со значениями, полученными для января, может составлять для июля dηЭ=33 %.
Наибольшей относительной разницей абсолютного электрического КПД с января по июль (наиболее теплый месяц) обладают ГеоЭС на Могойском и на Котельниковском ГИ, для них dηЭ=50 %, эти месторождения расположены в респ. Бурятия. Для данного региона наблюдается наибольший перепад среднемесячных температур: в январе tВОЗМЕС= –22,8 °С, а в июле – tВОЗМЕС=20,9 °С, т. е. разница 43,7 °С при tГЕО=81 °С.
Рис. 2. Зависимость мощности брутто ГеоЭС от среднемесячных температур воздуха tВОЗМЕС в регионе и от параметров горячего источника
Fig. 2. Dependence of the GeoPP gross capacity on the average monthly air temperatures tAIRМONTH in the region and on the parameters of the hot source
Рис. 3. Зависимость абсолютного электрического КПД ОЦР ГеоЭС от среднемесячных температур воздуха tВОЗМЕС в регионе и от параметров горячего источника
Fig. 3. Dependence of the absolute electrical efficiency of the OCR GeoPP on the average monthly air temperatures tAIRMONTH in the region and on the parameters of the hot source
Наименьшей относительной разницей абсолютного электрического КПД с января по август (наиболее теплый месяц) обладают ГеоЭС на Киреунском ГИ dηЭ=22,1 % и на Апапельском ГИ dηЭ=22,9 %, которые располагаются в Камчатском крае. Разница в относительной величине dηЭ объясняется разной температурой геотермального источника: для Киреунского ГИ tГЕО=100 °С, а для Апапельского ГИ tГЕО=97 °С. Для данного региона наблюдается наименьший перепад среднемесячных температур: в январе tВОЗМЕС= –6,5 °С, а в июле tВОЗМЕС=13,7 °С, т. е. разница всего 20,2 °С. Таким образом, для стабильной и эффективной выработки электрической энергии в течение календарного года бинарные ГеоЭС, установленные на этих ГИ, будут наиболее подходящими.
Для ГеоЭС, работающей на Мечигменском ГИ, относительная разница абсолютного электрического КПД от самого холодного до самого теплого месяца в году составляет dηЭ=32,8 %. При этом бинарная станция обладает высокой электрической мощностью NЭ=930–1385 кВт, высоким абсолютным электрическим КПД ηЭ=9,74–14,51 %. На втором месте по эффективности и стабильности выработки ЭЭ в течение календарного года стоит ГеоЭС на Менявском ГИ, для нее NЭ=634–1053 кВт, ηЭ=7,86–13,06 %.
Выводы
На основе модифицированного для данного исследования ранее разработанного расчетного алгоритма [39] выполнены численные исследования эффективности работы бинарной модульной геотермальной электростанции при установке ее на различных известных горячих источниках в России и при ее работе в течение календарного года. Так как органический цикл Ренкина ГеоЭС использует в качестве рабочего тела органическое низкокипящее вещество в виде озонобезопасного фреона R245fa, отвод тепловой энергии и его конденсацию можно производить при отрицательных температурах. Для того чтобы работать при таких низких температурах, в схеме ГеоЭС предусмотрен конденсатор воздушного охлаждения, который за счет подачи воздуха на охлаждаемые секции отводит тепловую энергию из ОЦР.
Расчетными исследованиями выявлено, что наибольшей электрической мощности модульные ГеоЭС достигают в январе для всех регионов России, так как этот месяц является наиболее холодным в году. Наименьшая генерируемая мощность ГеоЭС для большинства регионов России соответствует июлю, а для Камчатского края и Сахалинской области – августу, так как именно этот месяц является наиболее теплым.
Наибольшую электрическую мощность, которая для января составляет 1752 кВт, может вырабатывать бинарная ГеоЭС, расположенная на Могойском ГИ (респ. Бурятия). Наибольшую электрическую мощность в самом теплом для региона месяце календарного года будет вырабатывать бинарная ГеоЭС на Мечигменском ГИ – NЭ=930 кВт.
Наибольшее значение абсолютного электрического КПД достижимо для бинарной ГеоЭС, работающей на ГИ в п. Чажемто Томской области, в январе ηЭ=15,22 %. Наибольшее значение абсолютного электрического КПД для мощной ГеоЭС составит ηЭ=14,51 % у станции на Мечигменском ГИ.
Наименьшей относительной разницей абсолютного электрического КПД для ГеоЭС, работающей в течение всего календарного года, составляющей dηЭ=22–23 %, характеризуются установки в Камчатском крае. Для мощной и эффективной ГеоЭС на Мечигменском ГИ dηЭ=32,8 %.
Исходя из результатов проведенных численных исследований наиболее привлекательными для строительства ГеоЭС по техническим параметрам месторождениями являются Мечигменские и Менявские ГИ. ГеоЭС, расположенные на данных ГИ, ожидаемо обладают высокой мощностью и абсолютным электрическим КПД, а также относительно небольшой разницей в эффективности генерации электрической энергии в течение календарного года.
About the authors
Stanislav A. Yankovsky
National Research Tomsk Polytechnic University
Author for correspondence.
Email: jankovsky@tpu.ru
Cand. Sc., Associate Professor
Russian Federation, TomskAlexandr S. Zavorin
National Research Tomsk Polytechnic University
Email: zavorin@tpu.ru
Dr. Sc., Professor
Russian Federation, TomskNatalia S. Yankovskaya
National Research Tomsk Polytechnic University
Email: nsy4@tpu.ru
Engineer
Russian Federation, TomskSvyatoslav A. Tsibulskiy
National Research Tomsk Polytechnic University
Email: stzibulsky@tpu.ru
Cand. Sc., Associate Professor
Russian Federation, TomskReferences
- The Sustainable Development Goals Report 2022. Available at: https://unstats.un.org/sdgs/report/2022 (accessed 15 September 2024).
- Allen M., Mustafa B., Barbiker P. Global warming of 1.5° C: an IPCC special report on the impacts of global warming of 1.5° C above pre-industrial levels and related global greenhouse gas emission pathways, in the context of strengthening the global response to the threat of climate change. Intergovernmental Panel on Climate Change. Republic of Korea, IPCC, 2018. 33 p.
- Kozhagulova A., Dillinger A., Bayramov E., Iltukov R., Holbrook J., Fustic M. Geothermal energy potential of the Mangyshlak Basin, western Kazakhstan: a preliminary assessment based on stratigraphy and temperature data. Geothermics, 2023, vol. 109, pp. 1–26. doi: 10.1016/j.geothermics.2023.102655.
- Bórawski P., Wyszomierski R., Bełdycka-Bórawska A., Mickiewicz B., Kalinowska B., Dunn J., Rokicki T. Development of renewable energy sources in the European Union in the context of sustainable development policy. Energies, 2022, vol. 15, pp. 15–45. doi: 10.3390/en15041545.
- Zahedi R., Zahedi A., Ahmadi A. Strategic study for renewable energy policy, optimizations and sustainability in Iran. Sustain, 2022, vol. 14, pp. 1–29. doi: 10.3390/su14042418.
- Butuzov V.A., Tomarov G.V., Alkhasov A.B., Badavov G.B., Aliev R.M. Geothermal energy of Russia: resources, electric power generation, and heat supply (a review). Thermal Engineering, 2022, vol. 69 (1), pp. 3–17. (In Russ.) doi: 10.1134/S004036362112002X.
- Building resilient energy systems: actions for achieving greater energy security, affordability and net-zero in the UNECE region. United Nations Economic Commission. Geneva, United Nations Publ., 2022. 26 p. Available at: https://unece.org/sustainable-energy (accessed 15 September 2023).
- Share of energy from renewable sources. Eurostat. Available at: https://ec.europa.eu/eurostat/databrowser/view/nrg_ind_ren/default/table?lang=en (accessed 15 August 2024).
- Beloborodov S.S., Gasho E.G. Assessment of the impact of wind and solar power plants, cogeneration and the share of coal in the fuel balance on reducing greenhouse gas emissions. Thermal Engineering, 2023, vol. 10, pp. 45–54. (In Russ.) doi: 10.56304/S0040363623100016.
- Glassley W.E. Geothermal energy: renewable energy and the environment. London, CRC press, 2014. 424 p. doi: 10.1201/b17521.
- McClean A., Pedersen O.W. The role of regulation in geothermal energy in the UK. Energy Policy, 2023, vol. 173, pp. 1–11. doi: 10.1016/j.enpol.2022.113378.
- Dincer I., Acar C. A review on clean energy solutions for better sustainability. International Journal of Energy Research, 2015, vol. 39 (5), pp. 585–606. doi: 10.1002/er.3329.
- Tomarov G.V., Shipkov A.A. A brief overview of the current state and trends in the development of geothermal energy. Thermal Engineering, 2023, vol. 2, pp. 37–46. (In Russ.) doi: 10.56304/S004036362302008X.
- Cost comparison of energy sources 2023. Available at: https://www.renewable-energysources.com (accessed 15 August 2024).
- Zayed M.E., Shboul B., Yin H., Zhao J., Zayed A.A.A. Recent advances in geothermal energy reservoirs modeling: Challenges and potential of thermo-fluid integrated models for reservoir heat extraction and geothermal energy piles design. Journal of Energy Storage, 2023, vol. 62, pp. 1–10. doi: 10.1016/j.est.2023.106835.
- Sutra E., Spada M., Burgherr P. Chemicals usage in stimulation processes for shale gas and deep geothermal systems: a comprehensive review and comparison. Renew Sustain Energy Rev, 2017, vol. 77, pp. 1–11. doi: 10.1016/j.rser.2017.03.108.
- Liu H., Rodriguez-Dono A., Zhang J., Zhou N., Wang Y., Sun Q., Zhang L. A new method for exploiting mine geothermal energy by using functional cemented paste backfill material for phase change heat storage: design and experimental study. Journal of Energy Storage, 2022, vol. 54, pp. 1–10. doi: 10.1016/j.est.2022.105292.
- Le A.T., Wang L., Wang Y., Li D. Measurement investigation on the feasibility of shallow geothermal energy for heating and cooling applied in agricultural greenhouses of Shouguang City: ground temperature profiles and geothermal potential. Information Processing in Agriculture, 2021, vol. 8 (2), pp. 251–269. doi: 10.1016/j.inpa.2020.06.001.
- Thiyagarajan S.R., Emadi H., Hussain A., Patange P., Watson M. A comprehensive review of the mechanisms and efficiency of underground hydrogen storage. Journal of Energy Storage, 2022, vol. 51, pp. 1–10. doi: 10.1016/j.est.2022.104490.
- Aboelmaaref M.M., Zayed M.E., Zhao J., Li W., Askalany A.A., Ahmed M.S., Ali E.S. Hybrid solar desalination systems driven by parabolic trough and parabolic dish CSP technologies: technology categorization, thermodynamic performance and economical assessment. Energy Conversion and Management, 2020, vol. 220, pp. 1–11. doi: 10.1016/j.enconman.2020.113103.
- El-Agouz S.A., Zayed M.E., Ghazala A.M.A., Elbar A.R.A., Shahin M., Zakaria M.Y., Ismaeil K.K. Solar thermal feed preheating techniques integrated with membrane distillation for seawater desalination applications: recent advances, retrofitting performance improvement strategies, and future perspectives. Process Safety and Environmental Protection, 2022, vol. 164, pp. 595–612. doi: 10.1016/j.psep.2022.06.044.
- Wang C., Liu Y., Du Y., Gao Y., Sun Y. Heavy-oil recovery by combined geothermal energy and cosolvent/water flooding. Energy, 2021, vol. 228, pp. 1–12.
- Li Y., Sun R., Hu B., Dong J. An enhanced role understanding of geothermal energy on compressed air energy storage in aquifers considering the underground processes. Journal of Energy Storage, 2021, vol. 44, pp. 1–10.
- Anderson A., Rezaie B. Geothermal technology: trends and potential role in a sustainable future. Applied Energy, 2019, vol. 248, pp. 18–34. doi: 10.1016/j.apenergy.2019.04.102.
- Khanmohammadi S., Musharavati F., Tariq R. A framework of data modeling and artificial intelligence for environmental-friendly energy system: application of Kalina cycle improved with fuel cell and thermoelectric module. Process Safety and Environmental Protection, 2022, vol. 164, pp. 499–516. doi: 10.1016/j.psep.2022.06.029.
- Lund J.W., Huttrer G.W., Toth A.N. Characteristics and trends in geothermal development and use, 1995 to 2020. Geothermics, 2022, vol. 105, pp. 1–10. doi: 10.1016/j.geothermics.2022.102522.
- Butuzov V.A., Tomarov G.V., Alkhasov A.B., Aliyev R.M., Badavov G.B. Geothermal energy of Russia: resource base, electric power industry, heat supply (overview). Thermal Engineering, 2022, vol. 1, pp. 3–17. (In Russ.) doi: 10.1134/S004036362112002X.
- Geothermal energy: a global overview 2020. Part 2| Archive of S.O.K. | 2022 |No. 1. (In Russ.) Available at: https://www.c-o-k.ru/articles/geotermalnaya-energetika-vsemirnyy-obzor-2020-chast-2 (accessed 15 August 2024).
- Huttrer G.W. Geothermal Power Generation in the World 2015-2020 Update Report. Proceedings World Geothermal Congress 2020+1, 2021. Vol. 01017, pp. 1–17.
- Povarov K.О., Svalova V.B. Geothermal development in Russia: country update 2005–2009. Proceedings World Geothermal Congress, 2010. pp. 25–29.
- Yankovsky S.A., Lavrinenko S.V., Tsibulskiy S.A., Yankovskaya N.S., Gamov D.L. Cycle diagram of geothermal energy. Bulletin of the Tomsk Polytechnic University. Geo Assets Engendering, 2022, vol. 334, no. 7, pp. 122–136. (In Russ.) doi: 10.18799/24131830/2023/7/4130.
- Butuzov V.A. Geothermal energy: a review of Russian scientific schools. Plumbing, Heating, Air Conditioning, 2022, vol. 11, pp. 36–40. (In Russ.).
- Generation Facilities in Isolated and Hard-to-Reach Territories in Russia, 2020. 77 p. (In Russ.)
- Tomarov G.V., Shipkov A.A. The results of optimization studies of multicast binary cycles for utilization of low-temperature geothermal coolant. Thermal Engineering, 2022, vol. 9, pp. 89–96. (In Russ.) doi: 10.56304/S0040363622090077.
- Tomarov G.V., Shipkov A.A., Sorokina E.V. Selection of the optimal working fluid for binary installations on an extremely low-temperature coolant. Thermal Engineering, 2016, vol. 12, pp. 59–67. (In Russ.) doi: 10.1134/S0040363616120067.
- Birdsell D.T., Adams B.M., Deba P., Ogland-Handa J.D., Bielickib J.M., Flemingc M.R., Saar M.O. Analytical solutions to evaluate the geothermal energy generation potential from sedimentary-basin reservoirs. Geothermics, 2024, vol. 116, pp. 1–21. doi: 10.1016/J.GEOTHERMICS.2023.102843.
- Delgado-Torres A.M., García-Rodríguez L. Analysis and optimization of the low-temperature solar organic Rankine cycle (ORC). Energy Conversion and Management, 2010, vol. 51 (12), pp. 2846–2856. doi: 10.1016/J.ENCONMAN.2010.06.022.
- Kahraman M., Olcay A.B. Techno-economic analysis of evaporative cooling enhancement methods of a 21 MW air-cooled geothermal power plant. Geothermics, 2023, vol. 107, pp. 1–10. doi: 10.1016/j.geothermics.2022.102598.
- Alekseenko S., Zavorin A., Gubin V., Sergey L., Tsibulskiy S., Yankovsky S. Analysis of the cycle arrangement of a binary geothermal power plant using a low- and medium-temperature source. Thermal Science and Engineering Progress, 2024, vol. 48, pp. 1–24. doi: 10.1016/j.tsep.2024.102400.
- Schuster A., Karellas S., Kakaras E., Spliethoff H. Energetic and economic investigation of organic Rankine cycle applications. Applied Thermal Engineering, 2009, vol. 29, pp. 1809–1817. doi: 10.1016/j.applthermaleng.2008.08.016.
- Lemmon E., Huber M.L., McLinden M.O. NIST Reference Fluid Thermodynamic and Transport Properties – REFPROP. Version 8.0. National Institute of Standards and Technology. – 2007. Available at: https://www.nist.gov/publications/nist-standard-reference-database-23-reference-fluid-thermodynamic-and-transport-0 (accessed 15 September 2024).
- Hydrometeorological Center of Russia average monthly temperatures. Available at: https://meteoinfo.ru/climatcities (accessed 15 September 2024).
Supplementary files




