Experimental studies of the strength of reinforced concrete beams with a restored protective layer
- Authors: Prokopovich A.А.1, Buzovskaya Y.A.1
-
Affiliations:
- Samara State Technical University
- Issue: Vol 14, No 3 (2024)
- Pages: 19-34
- Section: BUILDING CONSTRUCTIONS, BUILDINGS AND FACILITIES
- URL: https://medbiosci.ru/2542-0151/article/view/271363
- DOI: https://doi.org/10.17673/Vestnik.2024.03.03
- ID: 271363
Cite item
Full Text
Abstract
The article presents the results of experimental studies to assess the strength of reinforced concrete beams with varying degrees of destruction of the protective layer of the working longitudinal reinforcement, followed by its restoration with a repair mixture. The test results of three series of prototypes, three samples in each series, are presented. Within the series, prototypes were made with the same longitudinal reinforcement, and the samples in each series differed in the degree of destruction of the protective layer of the longitudinal working reinforcement in the transverse bending zone. The samples were tested as freely supported beams loaded in the span by two identical concentrated forces. The results obtained made it possible to evaluate the role of longitudinal reinforcement, depending on the degree of destruction of its protective layer, in ensuring strength, forming a stress-strain state and the nature of destruction of reinforced concrete beams of rectangular cross-section in transverse bending zones.
Full Text
Введение
Одним из наиболее распространенных дефектов железобетонных балок является разрушение защитного слоя бетона с оголением (полным или частичным) продольной рабочей арматуры. Нарушение защитного слоя ведет к уменьшению поверхности контакта арматуры с бетоном, что, в свою очередь, ведёт к уменьшению сцепления арматуры с бетоном. Поскольку, как показано в работах [1‒‒4], сцепление арматуры с бетоном является основным фактором при формировании напряжённо-деформированного состояния железобетонных конструкций, то его снижение может приводить к уменьшению их несущей способности [5‒7].
Влияние сцепления на несущую способность железобетонных изгибаемых элементов исследовалось в работах П.И. Васильева, С.А. Дмитриева, С.М. Крылова, А.А. Прокоповича, О.А. Рочняка, Г.М. Спрыгина, Н.Н. Яромича и др. Тем не менее, вплоть до настоящего времени, отечественные нормы [8] не позволяют учесть, в явной форме, влияние сцепления арматуры с бетоном на прочность железобетонных конструкций, имеющих различные повреждения защитного слоя бетона. Такое положение вещей значительно усложняет оценку технического состояния конструкций, эксплуатируемых с повреждениями защитного слоя арматуры, и снижает эффективность принимаемых решений по их восстановлению или усилению в процессе ремонта или реконструкции.
Рассматриваемые в настоящей статье исследования направлены на получение экспериментальных данных, необходимых для разработки конкретных рекомендаций по расчёту прочности железобетонных балок прямоугольного сечения по поперечной силе в зонах с различной степенью разрушения защитного слоя, восстановленных с применением современных ремонтных смесей. Испытания специальных опытных образцов были проведены в лаборатории кафедры железобетонных конструкций Академии строительства и архитектуры Самарского государственного технического университета.
Опытные образцы
В рамках экспериментальных исследований было запроектировано 9 опытных железобетонных образцов в виде балок прямоугольного сечения, разбитых на три серии по три образца в каждой. В свою очередь каждая серия включает эталонный образец без разрушения защитного слоя и два образца с разной степенью его разрушения в зонах поперечного изгиба с последующим восстановлением ремонтным составом. Количественно степень разрушения бетона защитного слоя может оцениваться по периметру оголённой части рабочей арматуры с использованием параметра χ, предложенного в работе [3], определяемого как отношение части периметра арматурного стержня потерявшей сцепление с бетоном конструкции к его полному периметру, т. е.
(1)
где u ‒ полный периметр нижних арматурных стержней, мм;
u0 ‒ оголённая часть нижних арматурных стержней, мм.
Тогда степень разрушения бетона защитного слоя будет находиться в интервале 0 ≤ χ ≤ 1,0. Таким образом, значение χ = 1,0 будет соответствовать разрушению защитного слоя до полного оголения рабочей арматуры, а значение χ = 0 будет соответствовать случаю разрушения защитного слоя бетона без оголения арматуры.
В эксперименте реализованы две наиболее распространённые степени разрушения бетона защитного слоя с оголением арматуры: χ = 0,5 и χ = 1,0.
Конструкции опытных образцов всех серий представляют собой железобетонные балки прямоугольного сечения шириной b = 100 мм, высотой h = 200 мм, длиной l = 2000 мм.
В качестве рабочей арматуры опытных образцов принята стержневая арматура класса А500 диаметром 10, 14 и 20 мм для образцов 1-й, 2-й и 3-й серий соответственно. Специальная анкеровка продольной арматуры на опорах опытных образцов не предусмотрена. Продольная сжатая арматура всех серий – 2∅6 класса А240 принята из конструктивных соображений.
Рис. 1. Конструкция опытных образцов 1-й серии: а – эталонный образец без повреждений защитного слоя бетона; б – образцы с разрушенными и восстановленными защитными слоями арматуры; в – поперечное сечение эталонного образца без повреждений защитного слоя; г, д – поперечные сечения образцов с разрушенными и восстановленными защитными слоями при оголении арматуры наполовину её диаметра (χ = 0,5) и полным оголением арматуры (χ = 1) соответственно
Fig. 1. Design of prototypes of the 1st series: а ‒ reference specimen without damage to the protective concrete layer; b ‒ samples with destroyed and restored protective layers of reinF⁰rcement; c ‒ cross section of the reference sample without damage to the protective layer; d, e ‒ cross sections of samples with destroyed and restored protective layers when the reinF⁰rcement is exposed to half its diameter (χ = 0.5) and the rein F⁰rcement is completely exposed (χ = 1), respectively
Все образцы 1-й серии (рис. 1) без поперечной арматуры. Поперечное армирование образцов 2-й и 3-й серий (рис. 2) принято в виде хомутов диаметром 4 и 5 мм соответственно, из проволоки класса Вр500 с шагом 60 мм в зонах поперечного изгиба и 120 мм в зонах чистого изгиба.
При изготовлении образцов применялся бетон с фракцией крупного заполнителя 5‒15 мм. Одновременно из одного замеса изготавливалась одна серия образцов.
Рис. 2. Конструкция опытных образцов 2-й и 3-й серий: а – эталонные образцы без повреждений защитного слоя бетона; б – образцы с разрушенными и восстановленными защитными слоями арматуры; в – поперечные сечения эталонных образцов без повреждений защитного слоя; г, д – поперечные сечения образцов с разрушенными и восстановленными защитными слоями при оголении арматуры наполовину её диаметра (χ = 0,5) и полным оголением арматуры (χ = 1) соответственно
Fig. 2. Design of prototypes of the 2nd and 3rd series: a ‒ reference samples without damage to the protective concrete layer; b ‒ samples with destroyed and restored protective layers of rein F⁰rcement; c ‒ cross sections of reference samples without damage to the protective layer; d, e ‒ cross sections of samples with destroyed and restored protective layers when the rein F⁰rcement is exposed to half its diameter (χ = 0.5) and the reinF⁰rcement is completely exposed (χ = 1), respectively
Для определения прочностных и характеристик бетона на каждую серию изготавливалось по три куба с размерами сторон 150 мм и по три призмы с размерами 150х150х600 мм. Прочностные характеристики арматуры определялись по результатам испытаний трёх стержней от каждого из использованных для изготовления образцов диаметров.
Опытные образцы изготавливались в сборно-разборной опалубке. Разрушения защитного слоя в образцах имитировались на стадии их изготовления, до заливки бетона в опалубку, с использованием экструдированного пенополистирола и пенокартона, в зависимости от требуемой степени разрушения.
По истечению 28 календарных дней образцы с повреждениями восстанавливались с помощью ремонтной смеси до первоначального состояния. В качестве ремонтного состава использовалась безусадочная быстротвердеющая бетонная смесь тиксотропного типа марки Mapei (Mapegrount T40).
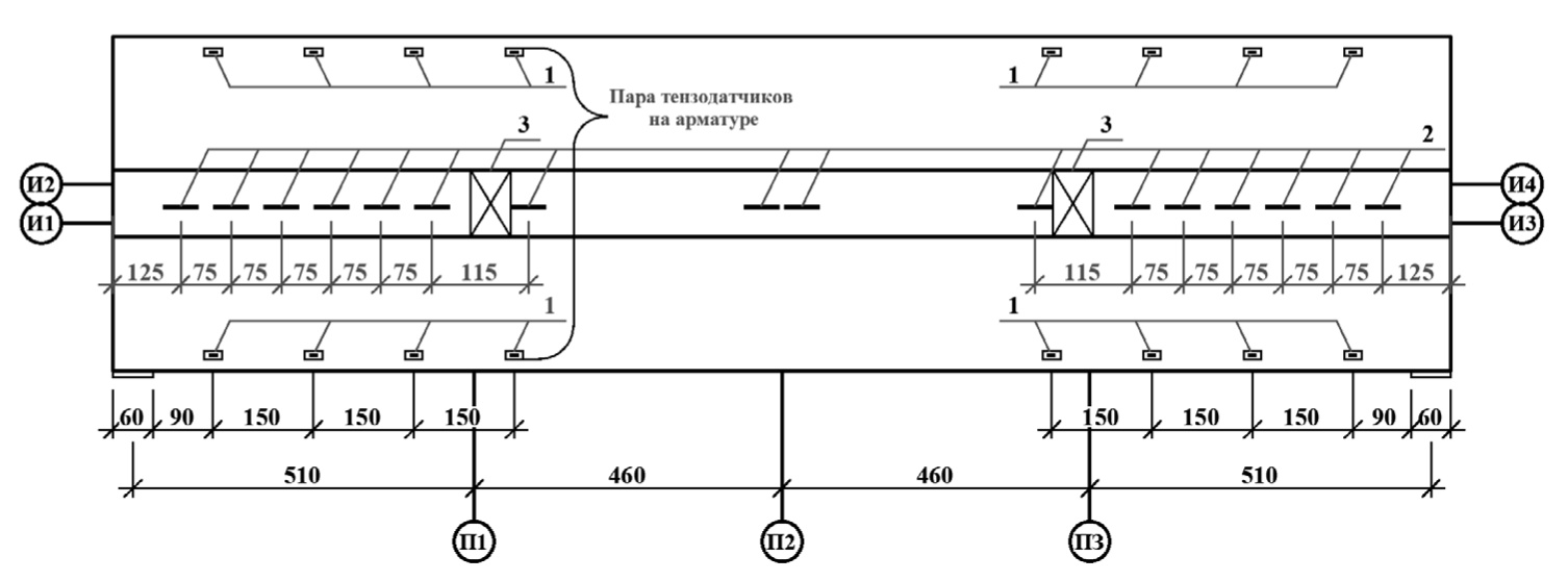
Для измерения деформаций рабочей растянутой арматуры в зоне поперечного изгиба использованы тензодатчики с базой 10 мм. Их расположение на сечениях стержней показано на рис. 3. Для обеспечения соосности центров тензодатчиков и центров тяжести арматурных стержней последние, при сборке каркасов, были повернуты на угол α и закреплены в таком положении. Подготовленные под наклейку тензодатчиков участки перед бетонированием закрывались резиновыми вкладышами, обеспечивающими доступ к этим участкам после изготовления образцов.
Рис. 3. Расположение тензодатчиков на стержнях рабочей арматуры опытных образцов
Fig. 3. Arrangement of strain gauges on rods of working reinF⁰rcement of test specimens
Степень разрушения защитного слоя, маркировка опытных образцов и их геометрия приведены в табл. 1, а прочностные характеристики бетона и арматуры ‒ в табл. 2.
Таблица 1. Степень разрушения защитного слоя бетона опытных образцов, их маркировка и геометрические характеристики
Table 1. The degree of destruction of the protective layer of concrete of prototypes, their marking and geometric characteristics
Серия | Степень разрушения защитного слоя | Марка образца | b, мм | h, мм | h0, мм | a, мм |
1 | χ = 0 | 10-Э | 100 | 203 | 178 | 25 |
χ = 0,5 | 10-0,5 | 97 | 202 | 177 | 25 | |
χ = 1 | 10-1 | 99 | 202 | 177 | 25 | |
2 | χ = 0 | 14-Э | 99 | 202 | 175 | 27 |
χ = 0,5 | 14-0,5 | 99 | 201 | 174 | 27 | |
χ = 1 | 14-1 | 100 | 200 | 175 | 27 | |
3 | χ = 0 | 20-Э | 99 | 202 | 172 | 30 |
χ = 0,5 | 20-0,5 | 99 | 202 | 172 | 30 | |
χ = 1 | 20-1 | 99 | 202 | 172 | 30 |
Примечание:
10-Э, 14-Э, 20-Э – эталонные образцы с неповреждённым защитным слоем, армированные стержнями диаметром 10, 14 и 20 мм соответственно;
10-0,5, 14-0,5, 20-0,5 – образцы с разрушенным защитным слоем и оголением продольной рабочей арматуры до половины ее диаметра, армированные стержнями диаметром 10, 14 и 20 мм соответственно;
10-1, 14-1, 20-1 ‒ образцы с разрушенным защитным слоем и полным оголением продольной рабочей арматуры, армированные стержнями диаметром 10, 14 и 20 мм соответственно;
b, h, h0, - ширина, высота, рабочая высота сечений опытных образцов, мм; а ‒ расстояние от равнодействующей усилий в продольной рабочей арматуре до нижней грани образцов соответственно, мм.
Таблица 2. Прочностные характеристики бетона и нижней рабочей арматуры опытных образцов
Table 2. Strength characteristics of concrete and lower working reinF⁰rcement of test samples
Серия | Марка образца | R, МПа | Rb, МПа | Rbt, МПа | ds, мм | µs, % | σt, МПа | σu, МПа | δ5, % |
1 | 10-Э | 39,5 | 28,8 | 2,68 | 2Ø10 | 1,0 | 548,95 | 654,2 | 19,0 |
10-0,5 | 2Ø10 | ||||||||
10-1 | 2Ø10 | ||||||||
2 | 14-Э | 53,7 | 38,4 | 3,28 | 2Ø14 | 1,8 | 564,5 | 656,85 | 20,7 |
14-0,5 | 2Ø14 | ||||||||
14-1 | 2Ø14 | ||||||||
3 | 20-Э | 48,4 | 34,9 | 3,07 | 2Ø20 | 3,7 | 514,45 | 603,85 | 22,0 |
20-0,5 | 2Ø20 | ||||||||
20-1 | 2Ø20 |
Примечание:
R, Rb Rbt – кубиковая прочность бетона, прочность бетона при осевом сжатии, прочность бетона при осевом растяжении, МПа;
ds – диаметр рабочей продольной арматуры, мм;
µs – процент армирования, %;
σt – предел текучести (физический), МПа;
σu – временное сопротивление, МПа;
δ ‒ величина относительного удлинения при начальной расчетной длине 5Ø, %.
Методика испытаний опытных образцов
Рис. 4. Схема испытания опытных образцов
Fig. 4. Test pattern of prototypes
Опытные образцы испытывались двумя сосредоточенными силами по схеме свободно опёртой балки в соответствии с рис. 4.
Деформации арматуры и деформации бетона на верхних гранях образцов в зонах поперечного изгиба и в середине пролёта измерялись с использованием тензодатчиков с базами 10 и 50 мм соответственно. Прогибы в середине пролёта и в сечениях под силами от испытательной нагрузки измерялись прогибомерами типа ПАО-6, а взаимные смещения арматуры и бетона на торцах опытных образцов ‒ индикаторами часового типа (рис. 5).
Рис. 5. Расположение тензодатчиков, прогибомеров и индикаторов на опытных образцах: 1, 2 – тензодатчики с базами 10 и 50 мм соответственно; 3 – зоны приложения испытательной нагрузки; П1÷П3 – прогибомеры; И1÷И4 – индикаторы
Fig. 5. Location of strain gauges, deflection gauges and indicators on prototypes: 1, 2 ‒ strain gauges with bases of 10 and 50 mm, respectively; 3 ‒ test load application zones; P1 ÷ P3 ‒ deflection gauges; И1 ÷ И4 – indicators
Тензодатчики на арматуре опытных образцов предназначались для экспериментального определения сил сцепления между бетоном и арматурой эталонных образцов и образцов со степенью разрушения защитного слоя χ = 0,5, а также между бетоном и ремонтной смесью для образцов с полностью оголённой арматурой (при χ = 0) в соответствии с выражениями:
(2)
(3)
где – опытное усилие в арматуре, обеспечиваемое за счёт её сцепления с бетоном; – опытное растягивающее усилие в арматуре, обеспечиваемое за счёт сцепления между бетоном образцов с полностью оголённой арматурой и ремонтной смесью; i = 1, 2, 3, 4 – номера пар тензодатчиков на арматуре (рис. 3 и 5), отсчитываемые от опор;
τs(i,i+1) – касательные напряжения по контакту арматуры Аs c бетоном опытных образцов на участках между парами тензодатчиков с номерами i и i+1;
τbs(i,i+1) ‒ касательные напряжения по контакту ремонтной смеси и бетона опытных образцов с полностью нарушенным и восстановленным защитным слоем на участках между тензодатчиками с номерами i и i+1;
, (4)
(5)
где kτ – коэффициент, учитывающий влияние поперечной арматуры на величину касательных напряжений, передаваемых восстановленным защитным слоем на вышележащий бетон опытных образцов; Es, As – модуль упругости и площадь поперечного сечения продольной рабочей арматуры опытных образцов; Δεs(i,i+1) = εs(i+1) - εsi – разность деформаций арматуры Аs на участках между парами тензодатчиков с номерами i и i+1; εsi, εs(i+1) – средние деформации арматуры по показаниям пар тензодатчиков с номерами i и i+1; χ, us – степень разрушения защитного слоя и суммарный периметр арматуры Аs опытных образцов; b, Δli,(i+1) – ширина поперечного сечения опытных образцов и расстояние между парами тензодатчиков с номерами i и i+1 соответственно.
Тензодатчики на верхних гранях образцов предназначались для оценки характера распределения и величины максимальных деформаций в сжатом бетоне по длине образцов и для определения характера их разрушения.
Испытания опытных образцов проводились в испытательном зале кафедры железобетонных конструкций на установке, представленной на рис. 6.
Рис. 6. Установка для испытаний опытных образцов: 1 – опытный образец; 2 – железобетонные опоры; 3 – распределительная траверса; 4 – гидравлический домкрат; 5 – поперечная траверса; 6 – штанги, закрепляемые в силовом полу
Fig. 6. Prototype Testing Facility: 1 ‒ prototype; 2 ‒ reinF⁰rced concrete supports; 3 ‒ distribution cross-arm; 4 ‒ hydraulic jack; 5 ‒ transverse cross-arm; 6 ‒ rods fixed in the load-bearing floor
Нагрузка на образец прикладывалась ступенями по 5‒10 % от величины расчетной разрушающей нагрузки, с выдержкой по 10 мин на каждой ступени. На каждой ступени снимались показания тензодатчиков (использовался измеритель деформаций цифровой ИДЦ-1), прогибомеров и индикаторов. При нагружении образцов и в процессе их выдержки под нагрузкой визуально фиксировались образующиеся трещины и развитие уже имеющихся.
Результаты испытаний образцов 1‒3-й серий представлены на рис. 7‒12 и в табл. 3 и 4.
Таблица 3. Опытные значения нагрузок на образцы при их испытаниях
Table 3. Test values of loads on samples during their tests
Серия | Марка образца | F⁰ᵤₗₜ, kH | F⁰crc, kH | F⁰crc,Q, kH |
1 | 10-Э | 56.04 | 11.67 | 32.69 |
10-0,5 | 35.0 | 11.67 | 31.51 | |
10-1 | 32.7 | 11.67 | 23.35 | |
2 | 14-Э | 114.4 | 16.3 | 44.4 |
14-0,5 | 114.4 | 16.3 | 58.37 | |
14-1 | 63.0 | 11.67 | 37.36 | |
3 | 20-Э | 166.0 | 16.3 | 44.36 |
20-0,5 | 163.0 | 11.67 | 72.4 | |
20-1 | 135.43 | 11.67 | 32.69 |
Примечание:
F⁰ᵤₗₜ – опытная разрушающая нагрузка, кН;
F⁰crc – опытная нагрузка, соответствующая образованию первой нормальной трещины;
F⁰crc,Q – опытная нагрузка, соответствующая образованию первой наклонной трещины.
Анализ результатов испытаний опытных образцов
Общим для всех опытных образцов (рис. 7‒10, 12) являлось то, что формирование системы трещин в зоне поперечного изгиба происходило после образования нормальных трещин в сечениях, расположенных в местах приложения испытательной нагрузки. Характер сформированных в итоге систем трещин был разным, в зависимости от отсутствия или наличия поперечной арматуры в зонах поперечного изгиба. При отсутствии поперечной арматуры (рис. 7, образцы 1-й серии), в пролётах среза формировалось по одной наклонной критической трещине, по которым и происходило разрушение. При наличии поперечной арматуры (рис. 7, образцы 2-й и 3-й серий) в пролётах среза формировались системы, состоящие из нормальных и наклонных трещин, количество которых определялось степенью разрушения защитных слоёв.
Рис. 7. Вид образцов 1‒3-й серий после испытаний: F⁰ᵤₗₜ – опытная разрушающая нагрузка; χ ‒ степень разрушения защитного слоя
Fig. 7. Sample type 1‒3 batches after testing: F⁰ᵤₗₜ – experimental destructive load; χ ‒ protective layer failure rate
Рис. 8. Деформации арматуры в зонах поперечного изгиба образцов 1-й серии: а – эталонный образец (F⁰ᵤₗₜ = 56,04 кН); б – образец со степенью разрушения защитного слоя χ = 0,5 (F⁰ᵤₗₜ = 35,0 кН); в – образец со степенью разрушения защитного слоя χ = 1 (F⁰ᵤₗₜ = 32,69 кН); 2 –при нагрузке 0,25 F⁰ᵤₗₜ; 3 – при нагрузке 0,55 F⁰ᵤₗₜ; 4 – при нагрузке 0,9 F⁰ᵤₗₜ; 5 – уровень нагрузки, соответствующий образованию нормальной трещины; 6 – уровень нагрузки, соответствующий образованию наклонной трещины
Fig. 8. ReinF⁰rcement deF⁰rmations in the zones of transverse bending of samples of the 1st series: a ‒ reference sample (F⁰ᵤₗₜ = 56,04 кN); b ‒ a sample with a degree of destruction of the protective layer χ = 0,5 (F⁰ᵤₗₜ = 35,0 кN); c ‒ a sample with a degree of destruction of the protective layer χ = 1 (F⁰ᵤₗₜ = 32,69 кН); 2 ‒ at the load of 0,25 F⁰ᵤₗₜ; 3 ‒ at a load of 0,55 F⁰ᵤₗₜ; 4 ‒ at load 0,9 F⁰ᵤₗₜ; 5 ‒ load level corresponding to the F⁰rmation of a normal crack; 6 ‒ load level corresponding to the F⁰rmation of an inclined crack
Следует также отметить, что качественная картина деформирования опытных образцов с различными степенями разрушения защитных слоёв (рис. 12) практически одинакова, а с количественной стороны влияние степени разрушения χ защитного слоя начинает сказываться только при 1,0 ≥ χ > 0,5.
Рис. 9. Графики деформаций арматуры в зонах поперечного изгиба образцов 2-й серии: а – эталонный образец (F⁰ᵤₗₜ = 114,4 кН); б – образец со степенью разрушения защитного слоя χ = 0,5 (F⁰ᵤₗₜ = 114,4 кН); в – образец со степенью разрушения защитного слоя χ = 1 (F⁰ᵤₗₜ = 63,0 кН); 1 – при нагрузке 0,16 F⁰ᵤₗₜ; 2 – при нагрузке 0,25 F⁰ᵤₗₜ; 3 – при нагрузке 0,55 F⁰ᵤₗₜ; 4 – при нагрузке 0,9 F⁰ᵤₗₜ; 5 – уровень нагрузки, соответствующий образованию нормальной трещины; 6 – уровень нагрузки, соответствующий образованию наклонной трещины
Fig. 9. Schedules of deformations of fittings in zones of a cross bend of samples of the 2nd series: a – a reference sample (F⁰ᵤₗₜ = 114,4 кN); b – a sample with extent of destruction of a protective layer χ = 0,5 (F⁰ᵤₗₜ = 114,4 кN); c – a sample with extent of destruction of a protective layer χ = 1 (F⁰ᵤₗₜ = 63,0 кN); 1 – at loading of 0,16 F⁰ᵤₗₜ; 2 – at loading of 0,25 F⁰ᵤₗₜ; 3 – at loading of 0,55 F⁰ᵤₗₜ; 4 – at loading of 0,9 F⁰ᵤₗₜ; 5 – the loading level corresponding to formation of a normal crack; 6 – the loading level corresponding to formation of an inclined crack
Образцы 1-й серии
Рис. 10. Графики деформаций арматуры в зонах поперечного изгиба образцов 3-й серии: а – эталонный образец (F⁰ᵤₗₜ = 166 кН); б – образец со степенью разрушения защитного слоя χ = 0,5 (F⁰ᵤₗₜ = 163 кН); в – образец со степенью разрушения защитного слоя χ = 1 (F⁰ᵤₗₜ = 135 кН); 1 – при нагрузке 0,16 F⁰ᵤₗₜ; 2 – при нагрузке 0,25 F⁰ᵤₗₜ; 3 – при нагрузке 0,55 F⁰ᵤₗₜ; 4 – при нагрузке 0,9 F⁰ᵤₗₜ; 5 – уровень нагрузки, соответствующий образованию нормальной трещины; 6 – уровень нагрузки, соответствующий образованию наклонной трещины
Fig. 10. Diagrams of reinforcement deformations in the zones of transverse bending of samples of the 3rd series: a ‒ reference sample (F⁰ᵤₗₜ = 166 кN); b ‒ a sample with a degree of destruction of the protective layer χ = 0,5 (F⁰ᵤₗₜ = 163 кN); c ‒ a sample with a degree of destruction of the protective layer χ = 1 (F⁰ᵤₗₜ = 135 кN); 1 ‒ at a load of 0,16 F⁰ᵤₗₜ; 2 ‒ at a load of 0,25 F⁰ᵤₗₜ; 3 ‒ at a load of 0,55 F⁰ᵤₗₜ; 4 ‒ at load 0,9 F⁰ᵤₗₜ; 5 ‒ load level corresponding to the formation of a normal crack; 6 ‒ load level corresponding to the formation of an inclined crack
Разрушение всех образцов 1-й серии (без поперечной арматуры) происходило по критическим наклонным трещинам вследствие поворота выделяемых ими опорных блоков (рис. 7, образцы 1-й серии) относительно осей, нормальных к боковым плоскостям образцов и проходящих через точки, лежащие на продолжении критических наклонных трещин, в сторону сжатых граней. Повороты опорных блоков обусловлены потерей сцепления арматуры с бетоном и последующим сдвигом их вдоль критических наклонных трещин. Об этом свидетельствуют графики на рис. 8 и эпюры касательных напряжений по контакту арматуры с бетоном в зонах поперечного изгиба на рис. 11, а, б. Эпюры построены с использованием зависимостей (2) ‒ (5) при соблюдении условий равновесия:
, (6)
, (7)
, (8)
, (9)
где Qo – опытное значение поперечной силы в пролёте среза; а – пролёт среза; zo‒ опытная величина плеча внутренней пары сил, остальные обозначения те же, что и в выражениях (2) и (3).
Уравнения (6) и (7) – условия равновесия по изгибающим моментам, а (8) и (9) ‒ по продольным силам.
Разрушающие нагрузки для образцов марок 10-Э, 10-0,5 и 10-1 составляют 56,04; 35,0 и 32,69 кН соответственно (см. табл. 3) и уменьшаются с увеличением степени разрушения защитного слоя и соответствующего снижения сцепления арматуры с бетоном.
Таблица 4. Сопоставление теоретических разрушающих усилий Mult и Qult, подсчитанных по методике [8], с их опытными значениями M⁰ᵤₗₜ и Q⁰ᵤₗₜ
Table 4. Comparison of theoretical destructive forces of Mult and Qult, calculated according to the procedure [8], with their experimental values of M⁰ᵤₗₜ and Q⁰ᵤₗₜ
Марка образца | x, мм | ξ | ξR | Mult, kH·м | M⁰ᵤₗₜ, kH·м | Mult / M⁰ᵤₗₜ | Qult, кН | Q⁰ᵤₗₜ, кН | Qult / Q⁰ᵤₗₜ |
10-Э | 30 | 0,168 | 0,493 | 14,05 | 14,3 | 0,98 | 24,9 | 28,0 | 0,89 |
10-0,5 | 8,93 | 1,57 | 17,5 | 1,42 | |||||
10-1 | 8,34 | 1,685 | 16,35 | 1,52 | |||||
14-Э | 46 | 0,261 | 0,493 | 26,47 | 29,19 | 0.906 | 43,11 | 57,23 | 0,753 |
14-0,5 | 29,19 | 0,906 | 57,23 | 0,753 | |||||
14-1 | 16,07 | 1,647 | 31,5 | 1,368 | |||||
20-Э | 90 | 0,521 | 0,493 | 37,98 | 42,36 | 0,897 | 51,99 | 83,06 | 0,626 |
20-0,5 | 41,59 | 0,913 | 81,5 | 0,638 | |||||
20-1 | 34,55 | 1,099 | 67,74 | 0,768 |
Примечание:
x, ξ – высота и относительная высота сжатой зоны бетона опытных образцов, соответствующие теоретической разрушающей нагрузке;
ξR – граничная высота сжатой зоны бетона опытных образцов.
Эпюра касательных напряжений по контакту бетона образца 10-1 (с полностью оголённой арматурой) и восстановленного защитного слоя позволяет оценить максимальную величину сцепления (при сдвиге) ремонтной смеси, набравшей прочность, с бетоном восстанавливаемой конструкции, которое (рис. 11, б) составляет ≈1,1Rbt, где Rbt – прочность бетона восстанавливаемой конструкции на осевое растяжение. Смена знаков касательных напряжений на эпюрах свидетельствует о начале интенсивного раскрытия критических наклонных трещин и повороте опорных блоков. Из сопоставления теоретических разрушающих усилий Mult и Qult, подсчитанных по методике [3], с их опытными значениями M⁰ᵤₗₜ и Q⁰ᵤₗₜ (см. табл. 4) следует, что действующие нормы недооценивают прочность эталонного образца по моменту на 2 %, а по поперечной силе ‒ на 11 %. При этом сильно переоценивают прочность опытных образцов с разрушениями защитного слоя, в зависимости от степени разрушения. Так, для образца 10-0,5 по моменту ‒ на 57 %, по поперечной силе ‒ на 42 %. Для образца 10-1 по моменту ‒ на 68 %, по поперечной силе ‒ на 52 %.
Образцы 2-й серии
Характер работы и разрушения опытных образцов 2-й серии (с поперечной арматурой) кардинально отличался от характера работы и разрушения образцов 1-й серии (без поперечной арматуры). Во-первых, в зонах поперечного изгиба формировались как нормальные трещины, переходящие в наклонные, так и наклонные, распространяющиеся до опор, а во-вторых, разрушение образцов происходило по двум схемам. Образцы 14-Э и 14-0,5 (рис. 7, 9, 11, в, г) разрушились от текучести арматуры в зонах чистого изгиба, а образец 14-1 – от потери сцепления между бетоном образца и восстановленным защитным слоем, но без сдвига опорного блока вдоль критической наклонной трещины из-за наличия поперечной арматуры.
Рис. 11. Эпюры касательных напряжений по контакту арматуры с бетоном (а, в, г) и по контакту бетона образцов и восстановленного защитного слоя, разрушенного до полного оголения арматуры (б, г, д) в зонах поперечного изгиба при нагрузке 0,94 F⁰ᵤₗₜ; а – образец 10-Э; б – образец 10-1; в – образец 14-Э; г – образец 14-1; д – образец 20-Э; е – образец 20-1
Fig. 11. Diagrams of tangential stresses on the contact of reinforcement with concrete (a, c, d) and on the contact of concrete of samples and the restored protective layer, destroyed to the full exposure of reinforcement (b, d, e) in the zones of transverse bending under 0,94 F⁰ᵤₗₜ load; a ‒ 10-E sample; b ‒ sample 10-1; c ‒ 14-E sample; d ‒ sample 14-1; e ‒ 20-E sample; f ‒ sample 20-1
Разрушающие нагрузки для образцов марок 14-Э, 14-0,5 и 11-1 составляют 114,4; 114,4 и 63,0 кН (см. табл. 3) соответственно. Одинаковая прочность образцов с ненарушенным защитным слоем и разрушенным наполовину диаметра арматуры обеспечивается, видимо, особыми условиями взаимодействия восстановленного защитного слоя при наличии поперечной арматуры, когда в контактном слое между бетоном и арматурой возникают, кроме сдвига, и сжимающие напряжения. На это указывают эпюры касательных напряжений на рис. 11, в. При этом максимальные касательные напряжения по контакту бетона образца 14-1 с восстановленным защитным слоем составляют ≈ 1,2Rbt, что ненамного выше, чем для образца 10-1 без поперечной арматуры.
Из сопоставления теоретических разрушающих усилий Mult и Qult, подсчитанных по методике [3], с их опытными значениями M⁰ᵤₗₜ и Q⁰ᵤₗₜ (см. табл. 4) следует, что действующие нормы недооценивают прочность эталонного образца 14-Э и образца 14-0,5 по моменту на 9,4 %, а по поперечной силе ‒ на 24,7 %. При этом сильно переоценивают прочность образца 14-1 с разрушением защитного слоя до полного оголения арматуры: по моменту ‒ на 64,7 %, по поперечной силе ‒ на 36,8 %.
Образцы 3-й серии
Характер работы и разрушения опытных образцов 3-й серии (с поперечной арматурой) кардинально не отличался от характера работы и разрушения образцов 2-й серии. Во-первых, в зонах поперечного изгиба формировались как нормальные трещины, переходящие в наклонные, так и наклонные, распространяющиеся до опор, а во-вторых, разрушение образцов происходило по двум схемам. Образцы 20-Э и 20-0,5 (рис. 7, 10, 11, д, е) разрушились по бетону сжатой зоны до наступления текучести в арматуре, а образец 20-1 – от потери сцепления между бетоном образца и восстановленным защитным слоем на опоре, без сдвига опорного блока вдоль критической наклонной трещины из-за наличия поперечной арматуры.
Разрушающие нагрузки для образцов марок 20-Э, 20-0,5 и 20-1 составляют 166; 163 и 135 кН (см. табл. 3) соответственно. Одинаковая прочность образцов с ненарушенным защитным слоем и разрушенным наполовину диаметра арматуры обеспечивается, видимо, особыми условиями взаимодействия восстановленного защитного слоя при наличии поперечной арматуры, когда в контактном слое между бетоном и арматурой возникают, кроме сдвига, и сжимающие напряжения. На это указывают эпюры касательных напряжений на рис. 11, в. При этом максимальные касательные напряжения по контакту бетона образца 20-1 с восстановленным защитным слоем составляют ≈ 1,2Rbt, что практически совпадает с аналогичными напряжениями для образцов 10-1 и 14-1.
Из сопоставления теоретических разрушающих усилий Mult и Qult, подсчитанных по методике [3], с их опытными значениями M⁰ᵤₗₜ и Q⁰ᵤₗₜ (см. табл. 4) следует, что действующие нормы недооценивают прочность эталонного образца 20-Э и образца 20-0,5 по моментам на 10,3 и 8,9 % соответственно, а по поперечной силе ‒ на 37,4 и 36,2 %. При этом переоценивают прочность образца 20-1 с разрушением защитного слоя до полного оголения арматуры по моменту на 10 %, а по поперечной силе ‒ на 23,2 %.
Выводы.
- Прочность железобетонных балок с разрушением защитного слоя рабочей растянутой арматуры в зоне поперечного изгиба до её оголения наполовину ее диаметра, может быть восстановлена на 100‒93 % от первоначальной, а при полном оголении арматуры ‒ на 87‒55 %, с использованием современных ремонтных безусадочных быстротвердеющих бетонных смесей тиксотропного типа, в частности марки Mapei (Mapegrount T40).
- Расчётная методика оценки возможного уровня восстановления прочности железобетонных балок с разрушениями защитных слоёв разной степени до настоящего времени не разработана.
- Использование методики расчёта изгибаемых железобетонных конструкций, принятой в [8], для оценки прочности железобетонных балок, эксплуатируемых с восстановленными защитными слоями, может приводить как к занижению (до 38 %), так и к завышению (до 52 %) их реальной несущей способности.
About the authors
Anatoly Аl. Prokopovich
Samara State Technical University
Author for correspondence.
Email: sk@samgtu.ru
Doctor of Technical Sciences, Associate Professor, Professor of the Reinforced Concrete Structures Chair
Russian Federation, 443100, Samara, Molodogvardeyskaya st., 244Yana Al. Buzovskaya
Samara State Technical University
Email: jana69.71.95@mail.ru
Senior Lecturer of the Reinforced Concrete Structures Chair
Russian Federation, 443100, Samara, Molodogvardeyskaya st., 244References
- Murashov V.I. Treshchinoustojchivost’, zhestkost’ i prochnost’ zhelezobetona. [Crack resistance, rigidity and strength of reinforced concrete]. Moscow, Mashstroyizdat Publ., 1950. 212 p.
- Sprygin G.M., Reshetar Yu.G. Deformability of bent elements in the partial absence of reinforcement adhesion with concrete. Beton i zhelezobeton [Concrete and reinforced concrete], 1983, no. 4. рр.12-14. (in Russian)
- Prokopovitch A.A. Soprotivlenie izgibu zhelezobetonnykh konstrukcij s razlichnymi usloviyami scepleniya prodol’noj armatury s betonom. [Bending resistance of reinforced concrete structures with various conditions of adhesion of longitudinal reinforcement with concrete]. Samara, NVF «Sensory. Moduli. SistemY» Publ., 2000. 296 p.
- Prokopovitch A.A., Buzovskaya Ya.A. Modeling of Stress-deformed State of Bended Reinforced Concrete Elements in Zones of Clean and Transverse Bend. Gradostroitel’stvo i arkhitektura [Urban Construction and Architecture], 2021, vol.11, no. 1, pp. 26-33. (in Russian) doi: 10.17673/Vestnik.2021.01.3
- Starishko I.N. A new direction for calculating the strength of bent reinforced concrete elements along inclined sections with an example of calculating an experimental beam. Stroitel’naya mekhanika inzhenernykh konstrukcij i sooruzhenij [Structural Mechanics of Engineering Constructions and Buildings], 2021 vol.17, no.5, pp. 479–499. (In Russian).
- Starishko I.N. Results of Experimental Studies of the Influence of the Main Factors on the Bearing Capacity Across a Sloping Sec tion in Bending Concrete Beams of Rectangular and T-Section. Vestnik MGSU [Proceedings of Moscow State University of Civil Engineering], 2016, no. 7, pp. 18‒35. (In Russian).
- Tihonov I.N., Savrasov I.P. Investigation of the strength of reinforced concrete beams with A500 class reinforcement under the action of transverse forces. Zhilishchnoe stroitel’stvo [Housing construction], 2010, no. 9, pp. 32–37. (in Russian)
- SP 63.13330.2018. A set of rules. Concrete and reinforced concrete structures. The main provisions. SNiP 52-101-2003. Moscow, Standartinform Publ., 2019. (in Russian)
Supplementary files












