Обоснование параметров активирования воды в электроактиваторе для полива растений
- Авторы: Сторчевой В.Ф.1, Белов М.И.2, Сторчевой А.В.3, Уманский П.М.2
-
Учреждения:
- Московский авиационный институт
- Российский государственный аграрный университет – МСХА имени К. А. Тимирязева
- Российский биотехнологический университет
- Выпуск: Том 35, № 1 (2025)
- Страницы: 30-48
- Раздел: Электротехнологии и электрооборудование
- Статья получена: 13.09.2024
- Статья одобрена: 11.11.2024
- Статья опубликована: 25.03.2025
- URL: https://medbiosci.ru/2658-4123/article/view/263826
- DOI: https://doi.org/10.15507/2658-4123.035.202501.030-048
- EDN: https://elibrary.ru/cqtdbb
- ID: 263826
Цитировать
Полный текст
Аннотация
Введение. Многочисленные исследования показали, что обработка и полив растений активированной водой благоприятно влияют на их рост и урожайность, поэтому способы и методы подготовки такой воды весьма актуальны. В данной работе исследуется способ подготовки католита и анолита в так называемом проточном электроактиваторе, который устанавливается в автоматизированной системе полива растений в условиях теплиц и открытого грунта. Вода для полива растений должна иметь рекомендуемый в данных условиях водородный показатель, поэтому необходимо установить адекватную связь между режимом работы и рабочими параметрами электроактиватора с одной стороны
и показателем уровня водорода в воде с другой. В настоящее время вопрос разработки адекватной математической модели активации воды в проточном электроактиваторе требует изучения. В статье предложена математическая модель, в которой установлена связь между показателем уровня водорода в воде, режимом активации и параметрами проточного электроактиватора.
Цель исследования. Повышение эффективности полива за счет рациональных параметров и режима работы проточного электроактиватора, обеспечивающего заданный показатель водорода католита или анолита на основе математической модели его работы.
Материалы и методы. Расчет параметров активирования воды в электроактиваторе осуществлялся с помощью математической модели электроактивации воды в проточном электроактиваторе на основе применения методов физической и электрической химии с использованием дифференциальных уравнений и расчетов в среде программирования
Lazarus. Эксперименты для оценки адекватности модели проводились на разработанной экспериментальной установке.
Результаты исследования. Разработаны математическая модель активирования воды и экспериментальная установка, предназначенная для проверки адекватности математической модели. Обоснованы формулы, устанавливающие связи между водородным показателем активированной воды, параметрами проточного электрактиватора и параметрами его режима работы, необходимыми для разработки автоматизированной системы полива растений. Установлено, что математическая модель активирования воды в электроактиваторе позволяет оценить водородный показатель с погрешностью менее 5 % при разности потенциалов между электродами не выше 125 В. При этом работа тока на нагревание и производство единицы вещества католита при заданном повышении водородного показателя тем ниже, чем меньше производительность катодной камеры. Теоретические исследования показали, что при заданном изменении водородного показателя мощность тока, расходуемая на нагрев католита, возрастает прямо пропорционально квадрату производительности катодной камеры, а энергоемкость производства единицы католита возрастает прямо пропорционально производительности катодной камеры. Экспериментально подтверждено, что значение pH изменяется параллельно с изменением температуры анолита и католита, прямо пропорционально разности потенциалов между электродами, обратно пропорционально производительности камер. При этом производительность катодной камеры с заданными параметрами целесообразно устанавливать не выше 15 л/ч, а температуру полива католитом − не выше 25 °С.
Обсуждение и заключение. Разработанная математическая модель подготовки воды в проточном электроактиваторе может служить основой автоматизированной системы полива растений, в которой требуется обеспечить подходящий режим работы в зависимости от заданного уровня водородного показателя воды.
Ключевые слова
Полный текст
Введение
Полив и обработка растений активированной водой оказывают благоприятное воздействие на растения и способствуют их росту и повышению урожайности [1; 2], поэтому способы и методы подготовки такой воды весьма актуальны [3; 4]. Работа посвящена исследованию способа подготовки активированной воды в виде католита и анолита в так называемом проточном электроактиваторе, предназначенном для установки в автоматизированной системе полива растений в условиях закрытого и открытого грунтов. Вода для полива растений должна иметь рекомендуемый в данных условиях водородный показатель, поэтому необходимо установить адекватную связь между режимом работы и рабочими параметрами электроактиватора с одной стороны и показателем уровня водорода в воде с другой. В настоящее время вопрос разработки адекватной математической модели активации воды в проточном электроактиваторе требует изучения.
Целью исследования является оценка рациональных параметров и режима работы проточного электроактиватора, обеспечивающего заданный показатель водорода католита или анолита на основе математической модели его работы. Для достижения цели нами разработана математическая модель активирования воды. При этом выведены формулы, устанавливающие связь между водородным показателем активированной воды, параметрами проточного электрактиватора и параметрами его режима работы. Это позволило обосновать рациональные параметры активатора и режим работы, обеспечивающие заданный показатель водорода католита или анолита, рекомендуемый для полива данного растения в определенных условиях [5].
Обзор литературы
Использование активированной воды для полива благотворно влияет на растения. Полив салата активированной водой позволяет повысить его урожайность от 17,7 до 36,6 % [6]. Обработка растений электрохимическими активированными растворами индуцирует их устойчивость к болезням и вредителям [7; 8]. Наряду с обработкой растений электроактивированными растворами современным методом дезинфекции растений служит озонирование [9; 10]. При этом оба этих метода дополняют друг друга. Полив семян томатов катодной водой (католитом) увеличивает их прорастание на 11 %, а анодной водой (анолитом) – на 73 % в сравнении с поливом водопроводной водой [11]. Одним из эффективных способов подготовки активированной воды в процессе ее использования для полива служит разделение ее на два потока с пропусканием через две разделенные мембраной камеры проточного электроактиватора. Изучение вопроса теоретического обоснования связи между водородным показателем в камерах для подготовки активированной воды, параметрами активатора и режимом работы осуществляется методами физической и электрической химии и не учитывает подвижности потока. При этом в физической химии показатель водорода определяется через концентрации ионов водорода в камерах1, а в электрической химии – через плотности компонентов смеси2. Установление связи между этими концепциями представляется важным вопросом. Предлагаемые в настоящее время расчетные формулы зависимости показателя водорода в камерах активатора от рабочих параметров недостаточно обоснованы. Так, нельзя признать достаточно состоятельной исходную формулу для расчета скорости ионов при их движении через мембрану [12]. Также без должного обоснования предложена формула зависимости мощности тока от разности показателей водорода в камере активатора на выходе и входе [13]. Аналогичная формула зависимости мощности тока в активаторе от разности показателей водорода в камере используется без достаточного подтверждения [14]. Требует доработки и алгоритм расчета параметров активатора [15].
Существующие установки для получения дезинфицирующих растворов имеют ряд недостатков. Например, устройства [16; 17], содержащие одну электрохимическую ячейку, выполненную из электродов, размещенных в электродных камерах и разделенных между собой диафрагмой. Недостатками таких устройств являются их сложность, низкие производительность и дезинфицирующее действие получаемых растворов. Устройство [18] для получения дезинфицирующего раствора, содержащее электрохимическую ячейку, выполненную из вертикальных стержневых электродов с полупроницаемой диафрагмой, разделяющей ячейку на анодную и катодную камеры, генератор озона с компрессором, имеет недостатки: отсутствие контроля концентрации озона раствора и водородного его показателя, ручное ее регулирование, периодичность работы устройства, отсутствие обеззараживания растений и автоматического полива для стимуляции и ускорения роста.
Предлагаемое нами техническое решение – установка генерации воды с заданными водородным показателем и уровнем насыщения озоном [19] – устраняет выявленные недостатки и позволяет получать качественные показатели раствора для дезинфекции, стимуляции роста и полива выращиваемых растений.
Материалы и методы
Теоретические исследования проведены методами механики сплошных сред, физической химии и электрической химии.
Эксперименты для оценки адекватности модели проводились на разработанной экспериментальной установке [15] – камере электроактивации воды проточного электроактиватора (рис. 1а). Водородный показатель анолита и католита определялся pH-метром марки YIRYI EZ-9908 (рис. 1b).
Рис. 1. Камера электроактивации воды проточного электроактиватора: a) электроактиватор; b) pH-метр YIRYI EZ-9908
Fig. 1. Water electroactivation chamber of flow-type electroactivator: a) electroactivator; b) pH meter YIRYI EZ-9908
Источник: фотографии сделаны М. И. Беловым при испытаниях электроактиватора в лаборатории кафедры автоматизации и роботизации РГАУ – МСХА имени К. А Тимирязева в 2023 г.
Source: photographs were taken by M. I. Belov when testing an electroactivator in the laboratory of the Department of Automation and Robotization of the Russian State Agrarian University – Moscow Timiryazev Agricultural Academy in 2023.
Разность потенциалов между электродами в экспериментах устанавливалась реостатом. Производительность анодной или катодной камеры регулировалась выпускным вентилем и регистрировалась с помощью мерной посуды с известным объемом V и секундомера, которым определялось время ∆t наполнения мерной посуды. Производительность (Q, л/ч) рассчитывалась по следующей формуле:
Q = 3 600 V/∆t, л/ч.
Результаты исследования
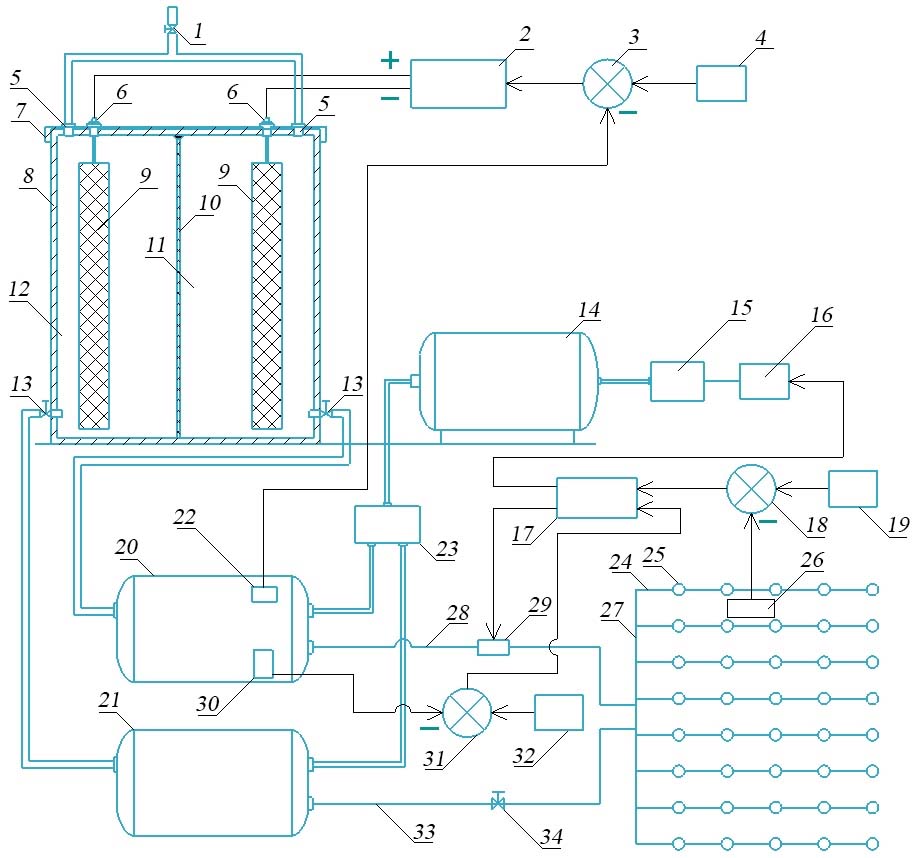
На рисунке 2 представлена установка генерации воды, позволяющая задавать значения водородного показателя и уровень насыщения озоном [5]. Основной задачей при подготовке анолита или католита с заданным водородным показателем служит автоматическое регулирование электродвижущей силы (ЭДС) источника питания и производительности катодной и анодной камер. Для решения этой задачи была разработана математическая модель электроактивации воды, установлена связь ее водородного показателя с ЭДС источника питания конструктивными параметрами активатора и производительностью анодной и катодной камер.
Рис. 2. Установка генерации воды с заданным водородным показателеми заданным уровнем насыщения озоном:
1 – кран подачи воды; 2 – источник регулируемого напряжения; 3 – элемент сравнения водородного показателя pH от датчика и заданного; 4 – блок задания pH; 5 – заливные отверстия; 6 – клеммы подключения источника питания к электродам; 7 – крышка камеры активатора; 8 – камера активатора; 9 – электроды; 10 – полунепроницаемая диафрагма; 11 – катодная камера; 12 – анодная камера; 13 – краны регулировки расхода католита и анолита; 14 – генератор озона; 15 – компрессор; 16 – реле времени; 17 – микроконтроллер; 18 – блок сравнения влажности почвы; 19 – блок задания влажности почвы; 20 – емкость с католитом; 21 – емкость с анолитом; 22 – датчик водородного показателя; 23 – стабилизатор концентрации озона; 24 – система капельного орошения; 25 – форсунка капельного полива; 26 – датчик влажности почвы; 27 – трубопровод для подачи в систему орошения; 28 – магистраль подачи католита; 29 – регулятор расхода католита; 30 – датчик концентрации озона в католите; 31 – устройство сравнения концентрации озона в католите с заданной; 32 – блок задания концентрации озона; 33 – магистраль подачи анолита; 34 – регулировка подачи анолита в систему орошения
Fig. 2. Installation of water generation with a specified pH index and a specified level of ozone saturation:
1 – water supply tap; 2 – adjustable voltage source; 3 – element for comparing the pH index from the sensor and specified pH index; 4 – pH setting unit; 5 – filler openings; 6 – terminals for connecting the power source to the electrodes; 7 – activator chamber cover; 8 – activator chamber; 9 – electrodes; 10 – semi-permeable diaphragm; 11 – cathode chamber; 12 – anode chamber; 13 – taps for adjusting the flow of catholyte and anolyte; 14 – ozone generator; 15 – compressor; 16 – time relay; 17 – microcontroller; 18 – soil moisture comparator; 19 – unit for setting soil moisture; 20 – container with catholyte; 21 – container with anolyte; 22 – pH index sensor; 23 – ozone concentration stabilizer; 24 – drip irrigation system; 25 – drip irrigation nozzle; 26 – soil moisture sensor; 27 – pipeline for supplying to the irrigation system; 28 – catholyte supply line; 29 – catholyte flow regulator; 30 – sensor of ozone concentration in catholyte; 31 – unit for comparing the ozone concentration in the catholyte with the specified one; 32 – unit for setting ozone concentration; 33 – anolyte supply line; 34 – adjustment of anolyte supply to the irrigation system
Источник: рисунки 2, 3, 5 составлены авторами статьи.
Source: figures 2, 3, 5 compiled by the authors of the article.
Для определения изменения концентрации ионов водорода в анодной камере воспользуемся следующими обозначениями : Oxy – прямоугольная система декартовых координат с началом на верхнем уровне воды между анодной и катодной камерами, осью Ox, направленной перпендикулярно плоскости электрода от анода к катоду, и осью Oy, направленной вниз; L – расстояние между фронтальными стенками камеры электроактиватора, м; La – расстояние между электродами, м; h – высота катодной и анодной камер, м; S – площадь рабочей поверхности катода или анода, м2; υw – скорость частицы воды в камерах анода и катода, м/с; υH, υOH – скорость соответственно гидратированных иона водорода и гидроксид иона, м/с; uH, uOH – подвижность соответственно гидратированных иона водорода и гидроксид иона, м2/(В·с); CH, COH – молярная концентрация соответственно иона водорода и гидроксид-иона, кмоль/м3; CHk, COHk – молярная концентрация соответственно иона водорода и гидроксид-иона в католите катодной камеры, кмоль /м3; CHa – молярная концентрация иона водорода в анолите анодной камеры, кмоль м3; N – число Авогадро N = 6,022·1023 1/моль; kw – ионное произведение воды, (кмоль/м3)2 (kw = 10 ̶ 14 при температуре 22 оС); pH – водородный показатель воды; pH0 – водородный показатель воды перед электроактивацией; pHk, pHa – водородный показатель соответственно католита и анолита; U – ЭДС источника питания, В; η – КПД источника питания; I – величина тока между электродами, А; Rk, Ra, Rd – сопротивление соответственно католита в катодной камере, анолита в анодной камере и диафрагмы между камерами, Ом; Ea, Ek – средняя напряженность электрического поля соответственно в анодной камере и катодной камере, В/м; Q – производительность анодной или катодной камеры при подготовке анолита или католита, м3/с; ΔTk, ΔTa – повышение температуры соответственно католита и анолита, оС; cp – теплоемкость католита и анолита, Дж/(кг оK); ρw – удельное сопротивление воды при данной температуре, ом·м; α – пористость диафрагмы; l – толщина диафрагмы, м; ρ – плотность воды, кг/м3.
В воде с малым содержанием солей главную роль при электроактивации выполняют продукты ее диссоциации [20]. Если считать диполи молекул воды, окружающие положительно заряженный ион водорода H+ и отрицательно заряженный гидроксид-ион OH ̶ гидратированными ионами водорода H+* и гидроксид-иона OH ̶*, то диссоциация молекул воды на ионы представляется в виде формулы [6]:
H2O ↔ H+* + OH ̶*. (1)
Избыток гидроксид-ионов (анионов) возникает вблизи катода и образует недостаток гидратированных ионов водорода H+. Избыток ионов водорода (катионов) возникает вблизи анода и образует в свою очередь недостаток гидратированных гидроксид-ионов OH˗. По мере удаления от электрода концентрации катионов и анионов выравниваются.
При электроактивации нейтральной воды в нормальных условиях анолит представляет собой кислую среду с водородным показателем ниже 7, католит – щелочную среду с водородным показателем выше 7. Имея повышенную химическую активность, католит стимулирует биологические процессы. Создавая кислотную среду, анолит может служить антисептиком для растений, растущих в почве с нормальной кислотностью, или стимулятором роста растений, растущих в кислой почве.
Составим упрощенные уравнения неразрывности сплошной среды в анодной и катодной камерах. Принятым подходом при математической постановке такой задачи является составление уравнений неразрывности для многокомпонентных смесей. При этом неизвестными переменными служат концентрации ионов или плотности компонентов смеси. В частных задачах априорно предлагаются формулы, устанавливающие связь между водородным показателем и параметрами электроактивации [11]. При этом влияние ЭДС источника питания и водородного показателя исходной воды на водородный показатель анолита или католита не рассматривается. Под сплошной средой будем понимать смесь, состоящую из молекул воды, гидратированных ионов водорода (катионов) и гидратированных гидроксид-ионов (анионов). Полагаем, что ион движется под действием двух сил: силы Кулона, направленной перпендикулярно рабочей поверхности электродов, и силы Стокса вязкого сопротивления, направленной противоположно скорости иона. гидратированный ион практически сразу достигает максимальной скорости и движется или передает движение по цепи с постоянной скоростью; скорости гидратированных ионов водорода υH и гидроксид-ионов υOH связаны с их подвижностями линейными зависимостями:
υH = иНE , υOH = иOНE. (2)
Рассмотрим индивидуальный объем сплошной среды в анодной камере как элемент анолита между стенкой и диафрагмой в виде прямоугольного параллелепипеда объемом Va, боковые грани которого имеют равные прямоугольники площадью Sa на стенке и диафрагме (рис. 3).
Рис. 3. К расчету изменения концентрации ионов водорода в анодной камере:
1 – анод; 2 – катод; 3 – диафрагма; 4, 5 – элемент анолита анодной камеры в разные моменты времени; 6 – элемент католита катодной камеры; 7 – нижний уровень католита в катодной камере
Fig. 3. To calculate the change in the concentration of hydrogen ions in the anode chamber:
1 – anode; 2 – cathode; 3 – diaphragm; 4, 5 – anolyte element of the anode chamber at different times; 6 – catholyte element of the cathode chamber; 7 – lower level of catholyte in the cathode chamber
Единица измерения объема Va совпадает с единицей объема для концентрации ионов. Полагаем, что на достаточно большом расстоянии от слива движение элемента поступательное со скоростью υw:
При выводе уравнений неразрывности компонентов смеси, то есть ионов, будем полагать, что масса компоненты смеси оценивается числом ионов в индивидуальном объеме, а скорость изменения массы компоненты смеси известна. Также примем следующие допущения: 1) изменение концентрации ионов в элементе происходит только за счет движения ионов через границы элемента с анодом и диафрагмой, движение через верхнюю и нижнюю границы со средой не влияет на концентрацию ионов в индивидуальном объеме; 2) влиянием на концентрацию ионов водорода в элементе анолита входящих в него через диафрагму гидроксид-ионов за время движения элемента в камере можно пренебречь; 3) влиянием на концентрацию гидроксид-ионов в элементе католита входящих в него через диафрагму ионов водорода за время движения элемента в камере можно пренебречь.
Пусть dt – бесконечно малое время, за которое рассматриваемый элемент переместится из положения 4 в положение 5 (рис. 3), а концентрация ионов водорода в его объеме изменится на бесконечно малую величину d(CHa ). До перехода в элементе 4 находилось (103∙N·CHa·Va ) ионов водорода и (103∙N·COHa·Va) гидроксид-ионов. За время dt через сечение элемента на аноде войдет (103∙N·CHa·Sa·υH·dt ), а через диафрагму выйдет (103∙N·CHa α Sa υH dt ) ионов водорода. Очевидно, что изменение d(103∙N·CHa·Va ) числа ионов водорода в элементе за время dt равно разности между числом вошедших в элемент и числом вышедших из элемента ионов водорода за это время:
d(NCHaVa ) = NCHaSaυHdt – NCHaαSaυHdt
или, так как Va = Sa·La/2 и с учетом равенств (2),
За время dt элемент из положения 4 переместится вниз на расстояние dy и займет положение 5 (рис. 3). Очевидно, что
или, принимая во внимание равенство (3),
Заменив переменную t переменной y из уравнения (5), перепишем уравнение (4):
Решение дифференциального уравнения (6) можно записать в таком виде:
где k1 – константа, равная концентрации CHa при y = 0.
Для определения константы k1 зададим краевое условие на верхнем уровне воды в камере, на котором водородный показатель воды, поступающей на электроактивацию, задан и равен pH0. По определению3
pH = – lg CH. (8)
Верхний уровень воды в активаторе представляется уравнением y = 0, в соответствии с определением (8) краевое условие решения (7) можно записать так:
Отсюда
и решение (7) при y = h, то есть на выходе анолита из анодной камеры, можно представить в следующем виде:
За время dt через сечение аналогичного элемента 6 в катодной камере на катоде в элемент войдет (103∙N·COHk∙Sa∙uOH∙Ek∙dt), а через диафрагму выйдет (103∙N·COHk∙α∙Sa∙uH∙Ea∙dt) гидроксид-ионов. Изменение числа гидроксид-ионов в элементе за время dt равно разности между числом вошедших в элемент и числом вышедших из элемента гидроксид-ионов за это время:
или
Заменив переменную t переменной y из уравнения (5), перепишем уравнение (10):
Найдем концентрацию гидроксид-ионов на верхнем уровне воды в активаторе y = 0. Условие молярного равновесия реакции (1) для воды записывается как константа ионного произведения:
где kw – константа (kw = 10−14 при температуре воды 22 °С с единицей измерения (моль/л)2 или (кмоль/м3)2. Равенство (12) для католита имеет следующий вид:
Водородный показатель католита в катодной камере на верхнем уровне при y = 0 задан и равен pH0:
Используя равенство (13) и последнее равенство, запишем краевое условие для уравнения (11):
Решение уравнения (11) с краевым условием (14) представим в следующем виде на выходе католита из катодной камеры при y = h:
Подставляя решение (15) в равенство (13), найдем концентрацию ионов водорода на выходе из катодной камеры:
Равенство (8) для анолита записывается так:
pHa = –lg CHa
или, учитывая формулу (9),
Формула (17) справедлива, если показатель pHa не меньше 0. В противном случае показатель следует принимать равным 0.
Равенство (8) для католита записывается аналогично:
pHk = –lg CHk
или, учитывая формулу (16),
Формула (18) справедлива, если показатель pHk не превышает 14. В противном случае показатель следует принимать равным 14.
Запишем закон Ома в таком виде:
где
Среднюю напряженность электрического поля в анолите и католите между пластинами электродов оценим по следующим формулам [1]:
или
Формулы (17), (18) устанавливают связь водородного показателя анолита и католита с водородным показателем воды до электроактивации, с конструктивными параметрами (геометрическими параметрами анодной и катодной камер, пористостью диафрагмы) и с регулируемыми параметрами (ЭДС источника питания, производительностью подготовки анолита и католита).
В соответствии с законом Джоуля-Ленца вся работа электрического тока в электролитах превращается в тепло. Повышение температуры католита и анолита можно оценить по следующим формулам:
Следует отметить, что на основании закона Джоуля-Ленца движение ионов, концентрация ионов, водородный показатель анолита и католита никак не связаны с работой и мощностью электрического тока. Тем самым движение ионов, концентрация ионов, водородный показатель являются процессами и характеристиками, на которые ток напрямую не влияет. Как следует из формул (17), (18), (21), водородный показатель зависит от разности потенциалов между электродами и от сопротивлений среды и не зависит от тока и мощности тока.
На основании установленных функциональных зависимостей между водородным показателем активированной воды и параметрами электроактиватора представим алгоритм расчета показателей активации воды:
1) ввод исходных данных: L [м], La [м], S [м2], uH [м2/с В], uOH [м2/с В], pH0, kw [кмоль2/м6], Q [м3/с], ρ [кг/ м3], U [В], η, ρw [Ом·м], l [м], α, cp [Дж/(кг оK)];
2) вычисление сопротивлений Rk, Ra, Rd по формулам (20);
3) вычисление величины тока по формуле (19);
4) расчет средней напряженности электрического поля в анолите и католите по формулам (21);
5) вычисление водородного показателя анолита по формуле (17);
6) вычисление водородного показателя католита по формуле (18);
7) вычисление величин изменения температуры католита ΔTk и анолита ΔTa соответственно по формулам (22) и (23).
Согласно алгоритму разработана компьютерная программа в среде Lazarus, позволяющая рассчитывать водородный показатель анолита и католита в зависимости от заданной ЭДС источника питания и производительности анодной и катодной камеры. Исходные данные для расчета представлены в таблице 1.
Таблица 1. Исходные данные до приведения к системе СИ
Table 1. Initial data before reduction to the SI system
L, мм / L, mm | La, мм / La, mm | S, см2 / S, cm2 | l , мм / l, mm | Q, л/ч / Q, l/h | kw, кмоль2/м6 /kw, kmol2/m6 | uH ∙107, м2/(В∙с) / uH ∙107, m2/(V∙s) | uOH ∙107, м2/(В∙с) /uOH ∙107, m2/(V∙s) |
62 | 40 | 561 | 2 | 15..35 | 10−14 | 3,26 | 1,80 |
U, В | ρ, кг/м3 / ρ, kg/m3 | α | η | ρw, ом·м / ρw, ohm m | cp, Дж/(кг оK) / cp, J/(kg oK) | pH0 |
|
40..160 | 1 000 | 0,15 | 0,98 | 1 600 | 4 180 | 7,0 |
|
Исходя из представленных выше расчетов, сделали вывод, что математическая модель электроактивации воды в электроактиваторе позволяет оценить водородный показатель с точностью менее 5 % при разности потенциалов между электродами не выше 125 В. При разности потенциалов между электродами от 125 до 160 В точность модели снижается, относительная погрешность возрастает до 15 % (рис. 4).
Рис. 4. График зависимости показателя водорода pHk католита от разности потенциалов U между электродами при производительности катодной камеры с указанием
экспериментальных точек: 1 – 15 л/ч; 2 – 25 л/ч; 3 – 35 л/ч
Fig. 4. Graph of the dependence of the pH index of the catholyte on the potential difference U between the electrodes at the productivity of the cathode chamber, indicating the experimental points: 1 – 15 l/h; 2 – 25 l/h; 3 – 35 l/h
Источник: составлено авторами статьи по материалам таблицы 2.
Source: compiled by the authors of the article based on materials from Table 2.
Таблица 2. Результаты экспериментов по определению основных параметров проточного электроактиватора
Table 2. Results of experiments to determine the main parameters of a flow-type electroactivator
№ | Производительность по католиту,, л/ч / Productivity by catholyte, l/hour | Изменение водородного показателя / Change in pH index | Водородный показатель католита / pH index of catholyte | Падение напряжения в катодной камере, В / Voltage drop in the cathode chamber, V | Напряжение между электродами, В / Voltage between electrodes, V |
1 | 15 | 3,5 | 11,0 | 43,75 | 116 |
2 | 25 | 2,1 | 9,6 | 45,50 | 121 |
3 | 35 | 1,5 | 9,0 | 46,30 | 123 |
4 | 15 | 5,9 | 12,4 | 53,24 | 141 |
5 | 25 | 3,5 | 11,0 | 56,48 | 151 |
6 | 35 | 2,5 | 10,0 | 58,07 | 155 |
7 | 25 | 5,0 | 12,5 | 64,45 | 172 |
8 | 35 | 3,5 | 11,0 | 66,83 | 178 |
Анализ графиков на рисунке 4 и формул (18), (22) позволяет сделать следующий вывод: работа тока на нагревание и производство единицы вещества католита при заданном повышении водородного показателя тем ниже, чем меньше производительность катодной камеры. Действительно, пусть Pk – мощность тока, проходящего через католит, ∆pHk – изменение водородного показателя католита при электроактивации. По определению
Из формулы (18) с учетом (21) следует равенство:
Используя равенство (25), запишем формулу (24) для мощности тока:
Из равенства (26) следует, что при заданном изменении водородного показателя мощность тока, расходуемая на нагрев католита, возрастает прямо пропорционально квадрату производительности катодной камеры, а энергоемкость производства единицы католита возрастает прямо пропорционально производительности катодной камеры. Аналогичный вывод можно сделать и по анолиту.
Переписывая формулу (22) с учетом (24), отметим, что изменение температуры католита прямо пропорционально удельной энергоемкости его производства:
или, учитывая формулу (26), квадрату изменения водородного показателя:
Изменение водородного показателя на 2 единицы приводит к повышению температуры на 8 °С и выше при производительности камеры более 15 л/ч (рис. 5). Полагая, что температура воды перед электроактивацией равна 18 °С, во избежание полива католитом с температурой 25 °С и выше целесообразно устанавливать производительность не выше 15 л/ч с перерывом на охлаждение католита после изменения водородного показателя на 2 единицы.
Рис. 5. Связь между повышением температуры ∆Tk католита и изменением водородного показателя католита ∆pHk при производительности катодной камеры:
1 – 15 л/ч; 2 – 25 л/ч; 3 – 35 л/ч
Fig. 5. Relationship between an increase in the ∆Tk temperature of the catholyte and a change in the pH index of the catholyte ∆pHk at a cathode chamber productivity:
1 – 15 l/hour; 2 – 25 l/hour; 3 – 35 l/hour
Графики на рисунке 5 отображают зависимость, описанную формулой (28), с учетом алгоритма и исходных данных в таблице 1.
Обсуждение и заключение
Математическая модель, представленная уравнениями (17)–(28), может служить основой при создании автоматизированной системы полива растений, оснащенной проточным электрическим активатором. Она позволяет по заданному показателю водорода воды, задаваемому пользователем как наиболее подходящему в данных условиях, рассчитать параметры и режим работы активатора, такие как ЭДС источника питания (разность потенциалов между электродами), производительность анодной и катодной камер, расстояние между электродами, длину камер, обеспечиваемую требуемое время активации и др. Тем самым достигается эффективность подготовки воды для полива с помощью технологии проточного электроактивирования. Рассматриваемая технология автоматизированного полива эффективна в условиях защищенного грунта, где может быть использована в течение года. При этом полученные результаты в равной мере справедливы и при установке такой системы в условиях открытого грунта. Математическая модель и эксперименты позволили сделать частные научные выводы. В соответствии с уравнением (25) водородный показатель изменяется прямо пропорционально ЭДС и обратно пропорционально производительности. Расход электрической энергии на электроактивацию обусловлен нагреванием активированной воды и сопутствующими ее ионизацией и изменением водородного показателя. В соответствии с уравнением (27) температура анолита и католита изменяется прямо пропорционально мощности тока в камере и обратно пропорционально производительности камеры. В соответствии с уравнением (28) при неизменной производительности и изменении напряжения между электродами перемена температуры прямо пропорциональна квадрату изменения водородного показателя анолита или католита. Согласно графикам на рисунке 5 во избежание полива католитом с температурой 25 °С и выше производительность катодной камеры с заданными параметрами при преобразовании водородного показателя на 2,5 и более по шкале рН целесообразно устанавливать не выше 15 л/ч. Таким образом, полученная математическая модель позволит рассчитать параметры и режим работы активатора в разрабатываемых автоматизированных установках при их проектировании и эксплуатации на производстве и достичь эффективности подготовки воды для полива с помощью технологии проточного электроактивирования и озонирования.
1 Ньюмен Дж. Электрохимические системы. М. : Мир, 1977. 464 с.; Левич В. Г. Физико-химическая гидродинамика. 2-е изд., доп. и перераб. М. : ГИФМЛ, 1959. 700 с.
2 Седов Л. И. Механика сплошной среды. М. : Наука, 1970. Т. 1. 492 с.; Герц Г. Г. Электрохимия. Новые воззрения / пер. с англ. В. Щербакова. М. : Мир, 1983. 232 с.
3 Скорчеллетти В. В. Теоретическая электрохимия. Л. : Госхимиздат, 1963. 609 с.
Об авторах
Владимир Федорович Сторчевой
Московский авиационный институт
Автор, ответственный за переписку.
Email: V_Storchevoy@mail.ru
ORCID iD: 0000-0002-6929-3919
ResearcherId: ABB- 9545-2021
доктор технических наук, профессор кафедры теоретической электротехники
Россия, 125993, г. Москва, Волоколамское ш., д. 4Михаил Иванович Белов
Российский государственный аграрный университет – МСХА имени К. А. Тимирязева
Email: B-Mikhael@yandex.ru
ORCID iD: 0000-0001-9907-8825
ResearcherId: T-5622-2018
доктор технических наук, профессор кафедры автоматизации
и роботизации технологических процессов имени академика И. Ф. Бородина
Александр Владимирович Сторчевой
Российский биотехнологический университет
Email: alecks.10@mail.ru
ORCID iD: 0000-0003-3404-0361
старший преподаватель кафедры социально-гуманитарных дисциплин
Россия, 125080, г. Москва, Волоколамское ш., д. 11Петр Михайлович Уманский
Российский государственный аграрный университет – МСХА имени К. А. Тимирязева
Email: umpm@rambler.ru
ORCID iD: 0000-0001-8109-4026
ResearcherId: AAE-6933-2022
старший преподаватель кафедры автоматизации и роботизации технологических процессов имени академика И. Ф. Бородина
Россия, 127434, г. Москва, Тимирязевская ул., д. 49Список литературы
- Оськин С.В., Волошин С.П. Особенности электроактиваторов для сельского хозяйства. Сельский механизатор. 2019;(1):26–27. EDN: VWLSHU
- Ayebah B., Hung Y.-C., Frank J.F. Enhancing the Bactericidal Effect of Electrolyzed Water on Listeria Monocytogenes Biofilms Formed on Stainless Steel. Journal of Food Protection. 2005;68(7):1375–1380. https://doi.org/10.4315/0362-028X-68.7.1375
- Oskin S., Tsokur D., Voloshin S. Modeling Process of Water Bubbling with Ozone to Obtain Disinfectant Solutions in Beekeeping. Engineering for Rural Development. 2019:1210–1214. https://doi.org/10.22616/ERDev2019.18.N412
- Цокур Д.С. Математическая модель электроактиватора воды для системы стабилизации кислотности почвы при выращивании томатов в условиях закрытого грунта. Научный журнал КубГАУ. 2013;92(08):1–19. URL: http://ej.kubagro.ru/2013/08/pdf/43.pdf (дата обращения: 17.08.2024).
- Storchevoy V., Gurov D. Investigation of the Modes of Operation of an Electroactivator for Disinfection of Vegetable Plants. Fundamental and Applied Scientific Research in the Development of Agriculture in the Far East (AFE-2022). 2024:1325–1331. https://doi.org/10.1007/978-3-031-37978-9_129
- Гриднева Т.С., Иралиева Ю.С., Нугманов С.С. Влияние электроактивированной воды при поливе на состав и продуктивность листового салата. Известия Самарской государственной сельскохозяйственной академии. 2016;(4):32–35. https://doi.org/10.12737/21801
- Белицкая М.Н., Нефедьева Е.Э., Шайхиев И.Г. Электроактивированная вода: возможности использования в растениеводстве. Вестник Казанского технологического университета. 2014;24:124–128. URL: https://clck.ru/3Ftbat (дата обращения: 15.08.2024).
- Белопухов С.Л., Дмитревская И.И., Прохоров И.С., Сторчевой В.Ф. Активированные защитно-стимулирующие комплексы для обработки семян льна-долгунца. Научная жизнь. 2016;(2):75–83. EDN: VXMJSV
- Шилов Г.Ю. Современные методы дезинфекции салатных культур, овощей и фруктов. Пищевая промышленность. 2013;(8):13–17. URL: https://clck.ru/3Ftbnn (дата обращения: 15.08.2024).
- Барабаш В.И. Применение озонированной воды для полива растений. Colloquium-Journal. 2021;4(91):33–34 https://doi.org/10.24412/2520-6990-2021-491-33-34
- Судаченко В.Н., Мишанов А.П. Эффективность использования активированной воды для полива и минеральной подкормки растений в теплице. Технологии и технические средства механизированного производства продукции растениеводства и животноводства. 2003;73:106–110. URL: https://clck.ru/3Ftdga (дата обращения: 16.08.2024).
- Ксенз Н.В., Кияшко Е.А., Сидорцов И.Г. Расчет водородного показателя (pH) при электродиализе воды. Известия вузов. Северо-Кавказский регион. Естественные науки. 2012;(5):56–57. URL: https://clck.ru/3FtduU (дата обращения: 16.08.2024).
- Оськин С.В., Курченко Н.Ю. Разработка математической модели электроактиватора с учетом данных о качестве воды и требований к рабочему раствору гербицида. Научный журнал КубГАУ. 2015;107. URL: https://cyberleninka.ru/article/n/razrabotka-matematicheskoy-modelielektroaktivatora-s-uchetom-dannyh-o-kachestve-vody-i-trebovaniy-k-rabochemu-rastvorugerbitsida (дата обращения: 16.08.2024).
- Сторчевой В.Ф., Гуров Д.А. Параметры режима работы электроактиватора для дезинфекции и роста овощных растений. Агроинженерия. 2023;25(2):63–68. https://doi.org/10.26897/2687-1149-2023-2-63-68
- Сторчевой В.Ф., Кабдин Н.Е., Андреев С.А., Гуров Д.А. Моделирование рациональных режимов электроактиватора для обработки грубых кормов. Агроинженерия. 2022;24(3):80–86. https://doi.org/10.26897/2687-1149-2022-3-80-86
- Мееркоп Г.Е., Джейранишвили Н.В., Бутин С.К. Установка для электрохимической обработки жидкой среды (варианты). Патент 2119802 Российская Федерация. 18 октября 1998. EDN: VFDSSR
- Прохоров В.А., Поплавский В.М., Абрамов В.Г., Землеруб Ю.В. Устройство для получения моющих и дезинфицирующих растворов. Патент 2238909 Российская Федерация. 27 октября 2004. EDN: MKYOQS
- Овсянников Д.А., Волошин А.П., Цокур Д.С., Дуданец Д.Н., Потапенко Л.В. Устройство для получения дезинфицирующего раствора. Патент 2494975 Российская Федерация. 10 октября 2013. EDN: IRMTLN
- Сторчевой В.Ф., Гуров Д.А., Судник Ю.А., Белов М.И., Кабдин Н.Е., Андреев С.А. Устройство для получения раствора для дезинфекции, стимуляции роста и полива выращиваемых растений. Патент 2814191 Российская Федерация. 26 февраля 2024. EDN: WOXGVG
- Семененко С.Я., Чушкин А.Н., Лытов М.Н. Закономерности релаксации воды с электрохимически измененным окислительно-восстановительным потенциалом. Известия Нижневолжского агроуниверситетского комплекса: наука и высшее профессиональное образование. 2017;2(46):263–271. EDN: ZRTDLT
Дополнительные файлы

























