Условия образования рудовмещающих нижнесреднепалеозойских осадочных формаций Чаткало-Кураминских гор Узбекистана
- Авторы: Мундузова М.А.1
-
Учреждения:
- Институт геологии и геофизики им. Х. М. Абдуллаева
- Выпуск: № 2 (2024)
- Страницы: 17-29
- Раздел: Научные статьи
- URL: https://medbiosci.ru/2712-7761/article/view/273160
- DOI: https://doi.org/10.19110/geov.2024.2.2
- ID: 273160
Цитировать
Полный текст
Аннотация
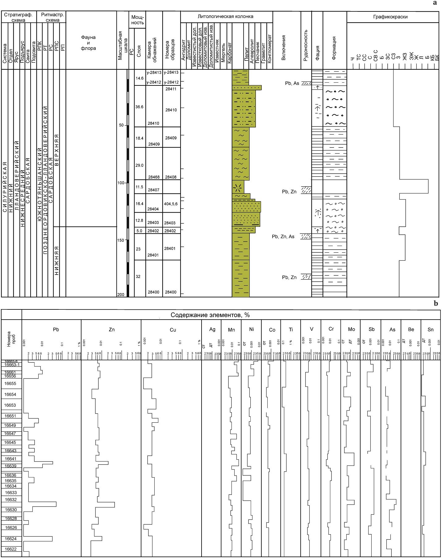
Статья посвящена описанию стратиформных свинцово-цинковых и полиметаллических залежей в осадочных породах палеозоя юго-западного Тянь-Шаня Чаткало-Кураминских гор с применением ритмостратиграфического анализа, разработанного профессором Ташкентского государственного университета В. И. Поповым (Попов и др.,1963; Попов, 1980). Тектонические движения играют главную роль в формировании новых структурных элементов литосферы и земной поверхности. Существенные тектонические движения распространяются на большие территории, приобретая значение региональных тектонических ритмов. Крупные фазы тектонических движений расчленялись на более мелкие. Наблюдается изменение формационного состава: на границе и в начале ритмосерии преобладают обломочные фации подвижного мелководья (прибойно-обломочные), ближе к поясу — тиховодные или застойные (Попов и др., 1963; Попов, 1980). Исследования проводились на северо-западных склонах Кураминского хребта в верховьях реки Каракия. На участках исследования построены литолого-фациальные разрезы и карты фактических материалов. В фациальном отношении осадки раннего силура формировались в условиях тиховодного (центрально-отстойного) мелководного бассейна, зоны с действием донных течений (донно-течениевого) и дельтового (подводно-дельтового) фациального пояса; девон-нижнекарбоновые отложения накапливались в условиях волноприбойной зоны, залива (мелко-заливного пояса) и подводной дельты (подводно-дельтового пояса).
В нижнесилурийских терригенных формациях выделены три рудоносные пачки с повышенными содержаниями золота, меди, свинца, цинка и ряда других металлов, в девонских осадочных формациях установлены черные доломиты застойной зоны мелководного залива (мелкозаливной фации) с повышенными содержаниями свинца. Приуроченность повышенных концентраций полиметаллов к определенным прослоям и пачкам осадочных доломитовых пород, обогащенных органическим веществом, свидетельствует о сингенетичности накопления рассеянного рудного вещества процессу осадконакопления.
Об авторах
М. А. Мундузова
Институт геологии и геофизики им. Х. М. Абдуллаева
Автор, ответственный за переписку.
Email: mavlyuda.munduzova1956@gmail.com
Узбекистан, Ташкент
Список литературы
- Алексеев В. П. Атлас субаквальных фаций нижнемеловых отложений Западной Сибири (ХМАО-Югра). Екатеринбург: Изд-во УГГУ, 2014. 284 с. Alekseev V. P. Atlas of subaqueous facies of the Lower Cretaceous deposits of Western Siberia (KhMAO-Yugra). Ekaterinburg: USMU Publishing House, 2014, 284 p. (in Russian)
- Волков А. В., Галямов А. Л. Геофизическая модель земной коры, геодинамические обстановки, перспективы открытия месторождений золота карлинского типа в арктической зоне Республики Саха (Якутия) // Арктика: Экология и экономика. 2020. № 1. С. 86—87. Volkov A. V., Galyamov A. L. Geophysical model of the earth’s crust, geodynamic conditions, prospects for the discovery of Carlin-type gold deposits in the Arctic zone of the Republic of Sakha (Yakutia). Arctic: Ecology and Economics, No. 1, 2020, pp. 86—87. (in Russian)
- Волков А. В., Сидорова А. А. Геолого-генетическая модель месторождения золота карлинского типа // Литосфера. 2016. № 6. С. 89—96. Volkov A. V., Sidorova A. A. Geological and genetic model of the Carlin type gold deposit. Lithosphere, 2016, No. 6, pp. 89—96. (in Russian)
- Голованов И. М. Меднорудные формации Западного Тянь-Шаня. Ташкент: Фан, 1978. С. 15—28. Golovanov I. M. Copper ore formations of the Western Tien Shan. Tashkent: Fan, 1978, pp. 15—28. (in Russian)
- Ибламинов Р. Г. Геология и генезис месторождений эндогенной серии. Пермь, 2019. 232 с. Iblaminov R. G., Geology and Genesis of Endogenous Series Deposits. Perm, 2019, 232 р. (in Russian)
- Карбонатные, силицитовые и удаленные пелитовые формации Средней Азии // Генетические типы и этапы образования свинцово-цинкового оруденения в Алмалыкском рудном районе: Сб. науч. тр. 1982. № 678. C. 273—274. Carbonate, silicite and remote pelitic formations of Central Asia. Collection of scientific papers Genetic types and stages of formation of lead-zinc mineralization in the Almalyk ore region, 1982, 678, pp. 273—274. (in Russian)
- Плещенко И. В., Малахова Н. А. Детальное литолого-фациальное изучение рудовмещающих карбонатных формаций (D2-С1) северо-западной части Центрального блока и сопредельных районов. Ташкент, 1980, 170 с. Pleschenko I. V., Malakhova N. A. Detailed lithologic-facies study of ore-bearing carbonate formations (D2-C1) of the northwestern part of the Central block and adjacent areas. Tashkent, 1980, 170 p. (in Russian)
- Плещенко И. В., Мирзаев А. У., Кушаков А. Р., Булина В. Р., Ильхамов Г. Х. Месторождения и рудопроявления свинца и цинка в девонских формациях Западного Тянь-Шаня // Основные проблемы магматической геологии Западного Тянь-Шаня: Материалы республ. науч. конф., посвящ. пам. акад. Т. Н. Далимова. Ташкент, 2012. С. 62—65. Pleschenko I. V., Mirzaev A. U., Kushakov A. R., Bulina V. R., Ilkhamov G. Kh. Deposits and ore occurrences of lead and zinc in the Devonian formations of the Western Tien Shan. Main problems of igneous geology of the Western Tien Shan. Proc. of the Republican scientific conference dedicated to the memory of Academician T. N. Dalimov. Tashkent, 2012, pp. 62—65. (in Russian)
- Попов В. И. История депрессий и поднятий Западного Тянь-Шаня. Ташкент, 1958. 135 с. Popov V. I. History of depressions and uplifts of the Western Tien Shan. Tashkent, 1958, 135 р. (in Russian)
- Попов В. И. Динамический принцип фациального анализа осадочных формаций. Физические и химические процессы и фации. М.: Наука, 1947. С. 169—172. Popov V. I. Dynamic principle of facies analysis of sedimentary formations. Physical and chemical processes and facies. Moscow: Nauka, pp. 169—172. (in Russian)
- Попов В. И., Макарова С. Д., Филиппов А. А. Руководство по определению и методика фациально-палеогеографического картирования. М.: Гостоптехиздат, 1963. Popov V. I., Makarova S. D., Filippov A. A. Guide to the definition and methodology of facies-paleogeographic mapping, Moscow: Gostoptekhizdat, 1963. (in Russian)
- Попов В. И., Плещенко И. В., Панин В. И. К методике изучения стратиформных свинцово-цинковых месторождений. Процессы осадочно- и вулканогенно-осадочного накопления цветных металлов. Новосибирск: Наука, 1980. С. 102—108. Popov V. I., Pleschenko I. V., Panin V. I. Towards a methodology for studying stratiform lead-zinc deposits. Processes of sedimentary and volcanogenic-sedimentary accumulation of non-ferrous metals. Novosibirsk: Nauka, 1980, pp. 102—108. (in Russian)
- Старостин В. И. Металлогения: Учебник. М., 2021. C. 5—6. Starostin V. I. Metallogeny. Textbook. Moscow, 2021, pp. 5—6. (in Russian)
- Тугарова М. А., Жуковская Е. А. Атлас типовых фаций. Ижевск: Институт компьютерных исследований, 2019. 142 с. Tugarova M. A., Zhukovskaya E. A. Atlas of typical facies. Izhevsk: Institute of Computer Research, 2019, 142 p. (in Russian)
- Шишлов С. Б. Структурно-генетический анализ осадочных формаций. СПб.: С.-Петерб. горный институт, 2010. 276 с. Shishlov S. B. Structural and genetic analysis of sedimentary formations. St. Petersburg: St. Petersburg Mining Institute, 2010, 276 p. (in Russian)
- Barber J. A. Minerals exploration statistics for years 1980, 1981, And 1982 // Econ. Geology. 1984. Vol. 79. No. 7. Pp. 1768—1773.
- Rye R. O. A model for formation of carbonate-hosted dissetminated gold deposits based on geologic, fluid-inclusion geochemical and stable isotope stubdlies of the Carlin and Cortez deposits, Nevada. US. geol surv. bull., 1985, No. 1646. 24—25 р.
Дополнительные файлы





